PTS-LCRCU-03.pdf - 第31页
LCR CHECK UNIT (FOR M6II AND M6IIc) LCR チェ ックユ ニット (M6II , M6I Ic専用部品 ) 2UGTYL000117 No. Drg.No. & Cod e No. QT Y Description Ra t ing Re m arks 番号 図番 & コード番号 個数 品名 規格 備考 1 Y60345 1 UNION ユニオ ン KQ2U0 4-99A 1.1 2…

FOR M6II FOR M6IIc
3
4
5
6
9
25
26
27
30
31
36
36
50
50
51
51
52
53
53
55.1
55
55.1
56
60
60
61
62
62
63
64
65
66
67
68
70
71
76
80
81
82
83
84
85
1
1.1
90
37
37
91
13
14
92
30.1
50
50
51
51
52
53
53
75
LCR CHECK UNIT (FOR M6II AND M6IIc)
2UGTYL000117
30
PTS-LCRCU-03

LCR CHECK UNIT (FOR M6II AND M6IIc)
LCR チェックユニット (M6II, M6IIc専用部品)
2UGTYL000117
No.
Drg.No. & Code No.
QTY
Description
Rating
Remarks
番号
図番
&
コード番号
個数
品名
規格
備考
1
Y60345
1
UNION
ユニオン
KQ2U04-99A
1.1
2MGTYL024000
1
TUBE
チューブ
3
2MGTYL023900
1
BKT
BKT
4
H54271
2
BOLT, HEX SOCKET
ボルト 六角穴
M06X018(3
カ
シロ
)
5
N1079D
2
NUT, HEX
ナット 六角
M06 P=1.0 1
シュ
(3
カシロ
)
6
H65323
1
VALVE, PRESSURE REDUCING
バルブ 減圧
ARJ310F-01BG-04
9
Y60236
1
UNION, ELBOW
ユニオン エルボ
KQ2LF04-01A
13
H1037E
1
VALVE, MANUAL
バルブ 手動
HV6-6
14
N60117
1
NIPPLE
ニップル
KQ2N04-06
25
2MGTYL013400
1
COVER
カバー
26
H5426K
4
BOLT, HEX SOCKET
ボルト 六角穴
M04X008(3
カ
シロ
)
27
W1106D
4
WASHER, LOCK
ワッシャ スプリング
4M/M(3
カ
シロ
)
30
2MGKYL010401
1
COVER, REAR
カバー リヤー
FOR M6II
30.1
2MGLYL003300
1
COVER, REAR
カバー リヤー
FOR M6IIc
31
2MGKYL010503
1
COVER, REAR
カバー リヤー
36
S2025A
2
SHEET
シート
CTAM1
37
K5172H
2
SCREW, C/R TRUSS
小ネジ 十穴トラス
M04X004(3
カ
シロ
)
50
2MGKYL004703
2
DUCT, WIRING
ダクト 配線
51
K5172L
4
SCREW, C/R TRUSS
小ネジ 十穴トラス
M04X006(3
カ
シロ
)
52
2MGKYL010603
1
DUCT, WIRING
ダクト 配線
53
K5172H
4
SCREW, C/R TRUSS
小ネジ 十穴トラス
M04X004(3
カ
シロ
)
55
2MGKYL011000
1
SHEET, RUBBER
シート ゴム
55.1
2MGKYL011100
2
SHEET, RUBBER
シート ゴム
56
2MGKYL004902
1
SHEET, RUBBER
シート ゴム
60
2MGTYL007200
2
SHEET, RUBBER
シート ゴム
61
2MGKYL010901
1
BKT
BKT
62
K60614
4
COLLAR
カラー
SMKB5-4
63
H5289R
4
BOLT, HEX SOCKET
ボルト 六角穴
M04X014(3
カ
シロ
)
64
W1043A
4
WASHER, FLAT
ワッシャ 平
4W- 4
65
W1106D
4
WASHER, LOCK
ワッシャ スプリング
4M/M(3
カ
シロ
)
66
2MGLYL002304
1
COVER
カバー
67
H5426H
4
BOLT, HEX SOCKET
ボルト 六角穴
M04X006(3
カ
シロ
)
68
W1106D
4
WASHER, LOCK
ワッシャ スプリング
4M/M(3
カ
シロ
)
70
2MGLYL002402
1
COVER, UPPER
カバー 上
71
T63562
2
KNOB, KNURLED
ツマミ ローレット
NOBX4-6
75
H64062
1
BOLT
ボルト
CBSTSR4-10
76
H64062
1
BOLT
ボルト
CBSTSR4-10
FOR M6IIc
80
H5426L
4
BOLT, HEX SOCKET
ボルト 六角穴
M04X010(3
カ
シロ
)
81
W1106D
4
WASHER, LOCK
ワッシャ スプリング
4M/M(3
カ
シロ
)
82
W1108S
4
WASHER, FLAT
ワッシャ 平
4M/MX0.8X9(1W-4)(3
カシロ
)
83
H54251
4
BOLT, HEX SOCKET
ボルト 六角穴
M03X006(3
カ
シロ
)
84
W1106C
4
WASHER, LOCK
ワッシャ スプリング
3M/M(3
カ
シロ
)
85
W1108B
4
WASHER, FLAT
ワッシャ 平
3M/MX0.5X7(3
カシロ
)
90
2MGKPL022100
1
DUCT
ダクト
91
PX02082
1
NAMEPLATE
銘板
92
PS03061
1
SHEET
シート
31
PTS-LCRCU-03

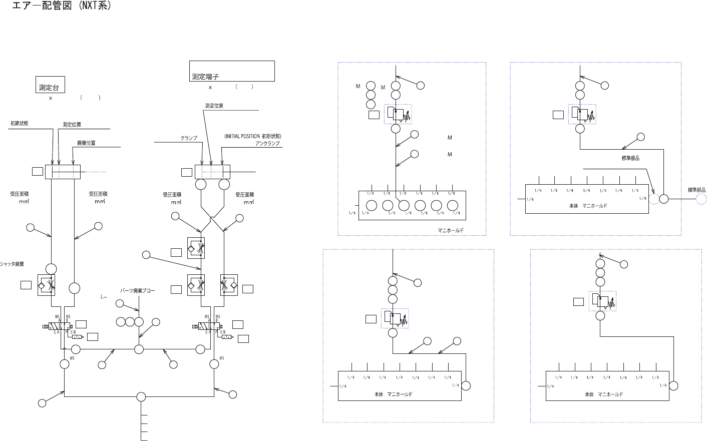
φ4 15st
0.42MPa
9.4
φ6 10st
12.6
BODY MANIFOLD
BODY MANIFOLD
BODY MANIFOLD
ST=7.3
ST=10.5
INITIAL POSITION
MEASURING POTION
EXITING POSITION
L=150
φ4
L=260
φ4
L=125
φ4
L=260
φ4
L=200
φ4
L=600
φ4
NXTIII, IIIc
3
6
L=800
φ4
STANDARD
PARTS
STANDARD
PARTS
0.42MPa
L=800
φ4
NXTII, IIc(M6)
0.42MPa
L=250
φ6
L=600
φ4
0.42MPa
L=150
φ4
NXTII(M3) NXTIIc(M3)
L=175
φ4
L=110
φ4
0.6L/min 0.7L/min
SHUTTER
2.7L/min
L=10
φ4
75
φ4
L=260
φ4
L=250
φ6
L=250
φ6
L=250
φ6
6
3
3.0L/min
L=95
φ4
CLAMP
UNCLAMP
NXTIII, IIIc
NXTII, IIc(M6)
NXTII(M3)
NXTIIc(M3)
PRESSURE
SIZE
PRESSURE
SIZE
L=150
φ4
NXTII NXTIIc
MEASURING POTION
28.3 21.2
PRESSURE
SIZE
PRESSURE
SIZE
MANIFOLD
5 5
4
97 7
3
10
81112
58
56
55
56
57
55
54
53
52
56
51
2
1
2
3
15
14
61
59
59
60
6 6
15
14
15
3
14
61
13
2
1
2
3
15
14
15
14
60
61
61
A
B
C
D
E
D
B
C
A
A
A
G
F
H
58
1
PNEUMATIC CIRCUIT DIAGRAM (NXT series)
2UGTYL000117
BASE
MEASURING TERMINAL
32
PTS-LCRCU-03