JX-200维修调整要领书.pdf - 第131页

Rev . 1.1 维修调整要领书 13-9 A C L 1 ( B ) A C N 1 ( B ) T B 5 + 2 4 V R T N C A R R Y _ S V _ O N C N 0 3 6 A C L 1 ( C ) A C N 1 ( C ) T B 5 P O W E R - U N I T F A N + 2 4 V R T N S V _ O N 1 1 + 2 4 V R T N S V _ O N 1 1 +…

100%1 / 170
Rev. 1.1
维修调整要领书
13-8
A
C
(
L
)
A
C
(
N
)
N
.
C
.
N
.
C
.
F
G
C
N
1
A
C
(
L
)
A
C
(
N
)
N
.
C
.
N
.
C
.
F
G
C
N
1
C
O
S
E
L
L
C
A
1
0
0
S
-
1
2
Y
A
C
(
L
)
A
C
(
N
)
N
.
C
.
N
.
C
.
F
G
C
N
1
A
C
(
L
)
F
G
A
C
(
N
)
T
B
1
C
O
S
E
L
L
D
A
3
0
0
W
-
2
4
T
B
4
T
B
3
T
B
3
T
B
4
T
B
3
T
B
4
T
B
4
T
B
3
T
B
4
T
B
3
+
3
.
3
V
G
N
D
C
P
7
3
A
I
D
E
C
N
R
W
1
0
-
3
A
C
P
6
2
0
A
F
U
J
I
C
P
5
1
B
S
/
0
2
0
C
O
S
E
L
L
C
A
5
0
S
-
3
+
5
V
+
5
V
+
5
V
+
5
V
G
N
D
G
N
D
G
N
D
+
1
2
V
+
1
2
V
R
T
N
C
P
9
8
A
I
D
E
C
N
R
W
1
0
-
8
A
C
P
1
0
3
A
I
D
E
C
N
R
W
1
0
-
3
A
-
1
2
V
-
1
2
V
R
T
N
C
O
S
E
L
L
C
A
5
0
S
-
1
2
Y
C
P
1
1
1
5
A
I
D
E
C
N
R
W
1
0
-
1
5
A
+
2
4
V
+
2
4
V
R
T
N
C
N
0
3
4
N
.
C
.
+
1
2
V
R
T
N
+
2
4
V
O
N
1
2
R
L
5
G
7
L
-
2
A
-
B
U
B
J
(
1
2
V
)
0
0
2
:
2
C
0
0
1
:
2
B
0
0
1
:
2
D
0
0
1
:
2
D
0
0
1
:
2
D
P
O
W
E
R
-
U
N
I
T
I
N
S
I
D
E
P
O
W
E
R
-
P
C
B
(
2
/
2
)
0
0
1
:
2
B
A
C
(
L
)
A
C
(
N
)
N
.
C
.
N
.
C
.
F
G
C
N
1
C
O
S
E
L
L
C
A
1
0
0
S
-
5
Y
T
B
1
+
3
.
3
V
+
5
V
+
5
V
+
5
V
R
+
5
V
R
+
1
2
V
-
1
2
V
+
2
4
V
4
0
0
2
5
5
7
9
4
0
0
2
5
5
7
8
T
B
2
G
N
D
(
B
)
G
N
D
(
A
)
G
N
D
(
A
)
G
N
D
(
A
)
+
1
2
V
R
T
N
-
1
2
V
R
T
N
+
2
4
V
R
T
N
4
0
0
7
6
7
7
7
T
B
6
+
2
4
V
S
+
2
4
V
S
R
T
N
(
S
A
F
E
T
Y
U
N
I
T
P
O
W
E
R
)
4
0
1
0
7
2
6
0
4
0
0
4
5
3
3
3
4
0
0
4
5
3
3
4
4
0
0
4
5
3
3
5
4
0
0
4
5
3
3
6
4
0
0
4
5
3
5
4
4
0
1
0
7
2
6
1
4
0
0
4
5
3
6
8
4
0
0
4
5
3
4
2
4
0
0
4
5
3
4
4
4
0
0
4
5
3
4
6
4
0
0
4
5
3
4
8
4
0
0
4
5
3
5
0
4
0
0
4
5
3
5
2
4
0
0
4
5
3
3
7
4
0
0
4
5
3
5
7
2
/
2
4
0
1
0
7
2
7
1
3
/
3
(
4
0
1
0
7
2
7
1
2
/
3
)
4
0
1
0
7
2
6
5
4
0
1
0
7
2
6
4
C
P
3
1
5
A
P
&
B
W
2
8
X
Q
1
A
-
1
5
C
P
4
1
5
A
P
&
B
W
2
8
X
Q
1
A
-
1
5
4
0
1
0
7
2
7
5
(
2
/
2
)
4
0
1
0
7
2
7
6
4
0
1
0
7
2
7
8
(
2
/
2
)
4
0
1
0
7
2
7
7
(
1
/
2
)
4
0
1
0
7
2
7
7
(
2
/
2
)
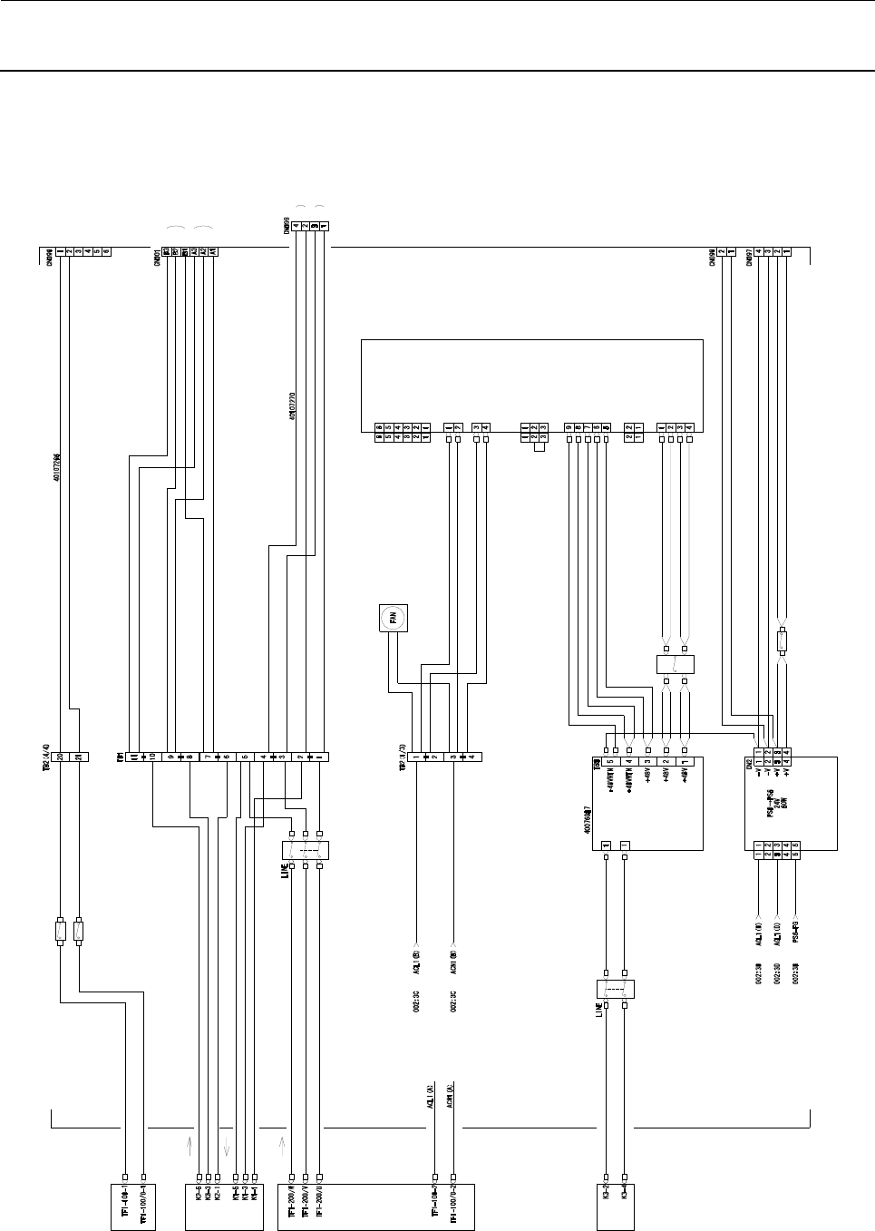
13-3-1-2-4 电源装置的连接图(2/2
Rev. 1.1
维修调整要领书
13-9
A
C
L
1
(
B
)
A
C
N
1
(
B
)
T
B
5
+
2
4
V
R
T
N
C
A
R
R
Y
_
S
V
_
O
N
C
N
0
3
6
A
C
L
1
(
C
)
A
C
N
1
(
C
)
T
B
5
P
O
W
E
R
-
U
N
I
T
F
A
N
+
2
4
V
R
T
N
S
V
_
O
N
1
1
+
2
4
V
R
T
N
S
V
_
O
N
1
1
+
4
8
U
N
(
B
)
+
4
8
U
N
(
B
)
+
2
4
V
R
T
N
S
V
_
O
N
1
1
C
N
0
3
5
+
4
8
U
N
(
A
)
+
4
8
U
N
(
A
)
T
B
7
F
A
N
_
S
T
O
P
+
2
4
V
R
T
N
+
2
4
V
C
N
0
3
7
+
4
8
U
N
+
4
8
U
N
+
4
8
U
N
R
T
N
(
C
)
+
4
8
U
N
R
T
N
(
A
)
T
B
7
+
4
8
U
N
R
T
N
(
B
)
C
P
5
2
0
A
F
U
J
I
C
P
5
1
B
S
/
0
2
0
A
C
3
4
V
_
L
T
B
1
A
C
3
4
V
_
N
T
B
2
Z
/
T
P
O
W
E
R
P
C
B
0
0
2
:
2
C
P
O
W
E
R
-
U
N
I
T
I
N
S
I
D
E
P
O
W
E
R
-
P
C
B
(
1
/
2
)
C
P
2
1
5
A
F
U
J
I
C
P
5
2
B
S
/
0
1
5
L
O
A
D
C
P
1
3
C
P
8
3
A
I
D
E
C
N
R
W
1
0
-
3
A
+
2
4
V
Z
+
2
4
V
Z
+
2
4
V
Z
R
T
N
+
2
4
V
Z
R
T
N
+
2
4
V
Z
+
2
4
V
Z
R
T
N
(
Z
T
-
D
R
I
V
E
R
P
O
W
E
R
)
(
V
O
L
T
A
G
E
C
H
E
C
K
)
H
K
0
3
4
6
2
0
0
2
0
H
K
0
3
4
6
2
0
0
4
0
A
W
G
2
0
A
C
(
L
)
A
C
(
N
)
N
.
C
.
N
.
C
.
F
G
C
N
1
C
O
S
E
L
L
C
A
5
0
S
-
2
4
Y
A
W
G
2
0
A
W
G
2
0
A
W
G
2
0
A
W
G
2
2
A
W
G
2
2
A
W
G
2
2
4
0
1
0
7
2
6
7
4
0
0
4
5
3
2
2
(
4
0
0
7
6
7
4
4
)
4
0
0
4
5
3
2
3
4
0
0
4
5
3
2
4
0
0
2
:
2
C
4
0
0
4
5
3
3
9
4
0
0
4
5
3
5
7
2
/
2
(
4
0
1
0
7
2
7
1
1
/
3
)
4
0
1
0
7
2
6
3
C
P
1
2
0
A
F
U
J
I
C
P
5
3
B
S
/
0
2
0
L
O
A
D
4
0
0
4
5
3
1
6
4
0
0
4
5
3
1
9
S
A
F
E
T
Y
-
U
N
I
T
(
X
Y
-
D
R
V
P
O
W
E
R
)
T
F
1
A
C
R
2
A
C
S
2
A
C
T
2
A
C
R
2
A
C
S
2
A
C
T
2
Y
S
E
R
V
O
A
M
P
M
A
I
N
P
O
W
E
R
X
S
E
R
V
O
A
M
P
M
A
I
N
P
O
W
E
R
L
1
2
L
1
1
L
1
2
L
1
1
Y
S
E
R
V
O
A
M
P
C
T
R
L
P
O
W
E
R
Y
S
E
R
V
O
A
M
P
C
T
R
L
P
O
W
E
R
S
A
F
E
T
Y
-
U
N
I
T
4
0
1
0
7
2
7
2
4
0
0
4
5
3
5
8
4
0
1
0
7
2
6
8
4
0
1
0
7
2
6
9
4
0
0
4
5
3
5
5
4
0
1
0
7
2
5
6
4
0
0
4
5
3
7
4
A
C
1
0
0
L
N
.
C
.
N
.
C
.
(
V
A
C
U
U
M
P
U
M
P
)
H
K
0
3
4
6
2
0
0
6
0
A
C
1
0
0
N
N
.
C
.
N
.
C
.
C
P
1
3
8
A
P
&
B
W
2
8
X
Q
1
A
-
8
4
0
0
*
*
*
*
*
1
/
2
T
F
1
4
0
1
0
7
2
7
5
(
1
/
2
)
C
P
1
4
8
A
P
&
B
W
2
8
X
Q
1
A
-
8
4
0
1
0
7
2
7
3
4
0
1
0
7
2
7
4
4
0
1
0
7
2
7
8
(
2
/
2
)
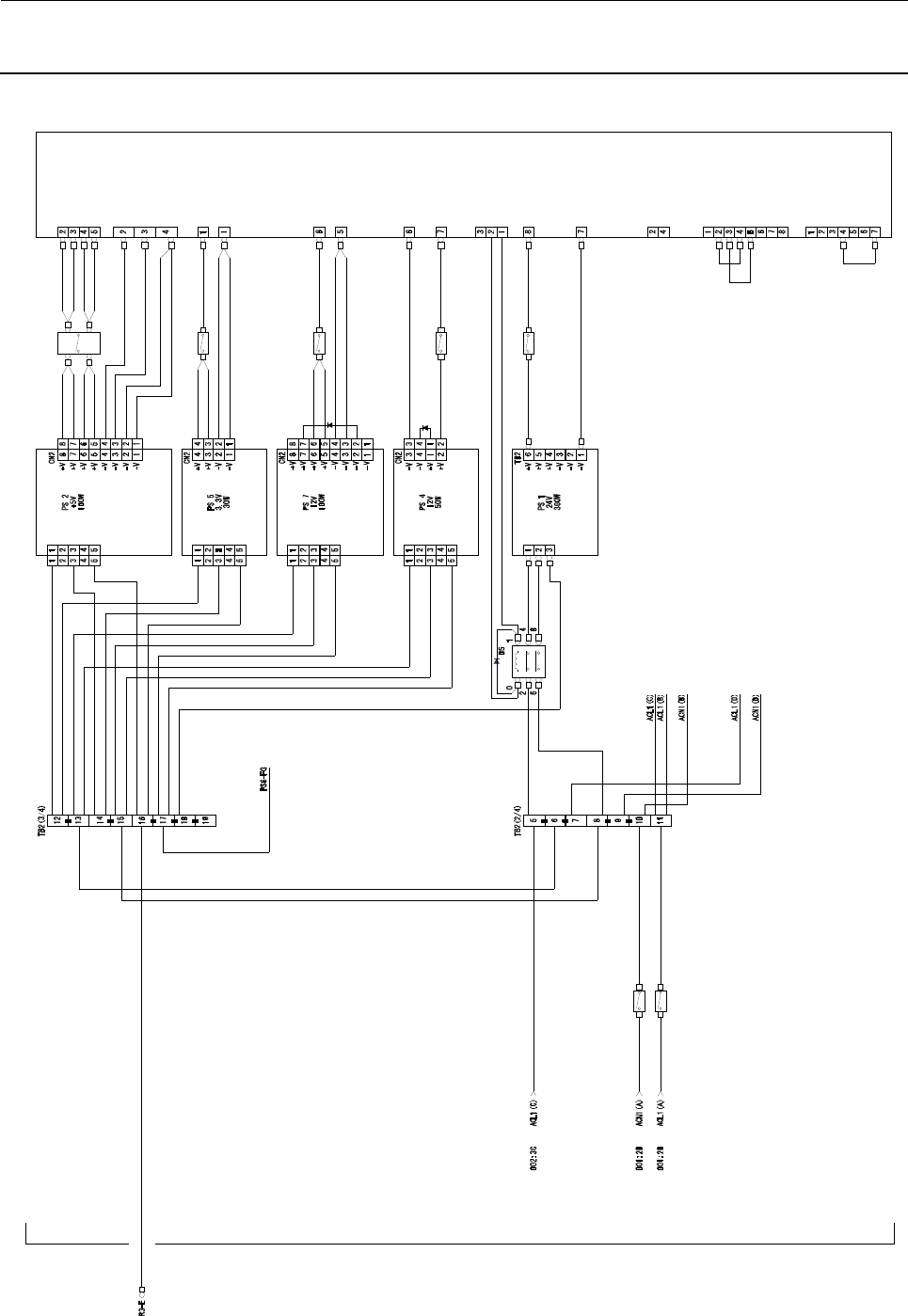
13-3-1-2-5 电源装置的连接图 (EN) 1/2
Rev. 1.1
维修调整要领书
13-10
A
C
(
L
)
A
C
(
N
)
N
.
C
.
N
.
C
.
F
G
C
N
1
A
C
(
L
)
A
C
(
N
)
N
.
C
.
N
.
C
.
F
G
C
N
1
C
O
S
E
L
L
C
A
1
0
0
S
-
1
2
Y
A
C
(
L
)
A
C
(
N
)
N
.
C
.
N
.
C
.
F
G
C
N
1
A
C
(
L
)
F
G
A
C
(
N
)
T
B
1
C
O
S
E
L
L
D
A
3
0
0
W
-
2
4
T
B
4
T
B
3
T
B
3
T
B
4
T
B
3
T
B
4
T
B
4
T
B
3
T
B
4
T
B
3
+
3
.
3
V
G
N
D
C
P
7
3
A
I
D
E
C
N
R
W
1
0
-
3
A
C
P
6
2
0
A
F
U
J
I
C
P
5
1
B
S
/
0
2
0
C
O
S
E
L
L
C
A
5
0
S
-
3
+
5
V
+
5
V
+
5
V
+
5
V
G
N
D
G
N
D
G
N
D
+
1
2
V
+
1
2
V
R
T
N
C
P
9
8
A
I
D
E
C
N
R
W
1
0
-
8
A
C
P
1
0
3
A
I
D
E
C
N
R
W
1
0
-
3
A
-
1
2
V
-
1
2
V
R
T
N
C
O
S
E
L
L
C
A
5
0
S
-
1
2
Y
C
P
1
1
1
5
A
I
D
E
C
N
R
W
1
0
-
1
5
A
+
2
4
V
+
2
4
V
R
T
N
C
N
0
3
4
N
.
C
.
+
1
2
V
R
T
N
+
2
4
V
O
N
1
2
R
L
5
G
7
L
-
2
A
-
B
U
B
J
(
1
2
V
)
0
0
2
:
2
C
0
0
1
:
2
B
0
0
1
:
2
D
0
0
1
:
2
D
0
0
1
:
2
D
P
O
W
E
R
-
U
N
I
T
I
N
S
I
D
E
P
O
W
E
R
-
P
C
B
(
2
/
2
)
0
0
1
:
2
B
A
C
(
L
)
A
C
(
N
)
N
.
C
.
N
.
C
.
F
G
C
N
1
C
O
S
E
L
L
C
A
1
0
0
S
-
5
Y
T
B
1
+
3
.
3
V
+
5
V
+
5
V
+
5
V
R
+
5
V
R
+
1
2
V
-
1
2
V
+
2
4
V
4
0
0
2
5
5
7
9
4
0
0
2
5
5
7
8
T
B
2
G
N
D
(
B
)
G
N
D
(
A
)
G
N
D
(
A
)
G
N
D
(
A
)
+
1
2
V
R
T
N
-
1
2
V
R
T
N
+
2
4
V
R
T
N
4
0
0
7
6
7
7
7
T
B
6
+
2
4
V
S
+
2
4
V
S
R
T
N
(
S
A
F
E
T
Y
U
N
I
T
P
O
W
E
R
)
4
0
1
0
7
2
6
0
4
0
0
4
5
3
3
3
4
0
0
4
5
3
3
4
4
0
0
4
5
3
3
5
4
0
0
4
5
3
3
6
4
0
0
4
5
3
5
4
4
0
1
0
7
2
6
1
4
0
0
4
5
3
6
8
4
0
0
4
5
3
4
2
4
0
0
4
5
3
4
4
4
0
0
4
5
3
4
6
4
0
0
4
5
3
4
8
4
0
0
4
5
3
5
0
4
0
0
4
5
3
5
2
4
0
0
4
5
3
3
7
4
0
0
4
5
3
5
7
2
/
2
(
4
0
1
0
7
2
7
1
3
/
3
)
(
4
0
1
0
7
2
7
1
2
/
3
)
A
C
(
L
)
A
C
(
N
)
N
.
C
.
N
.
C
.
F
G
C
N
1
C
O
S
E
L
L
C
A
1
0
0
S
-
2
4
Y
C
P
1
2
3
A
I
D
E
C
N
R
W
1
0
-
3
A
4
0
1
0
7
2
6
5
4
0
0
4
5
3
6
2
4
0
0
4
5
3
6
3
4
0
1
0
7
2
6
4
C
P
3
1
5
A
P
&
B
W
2
8
X
Q
1
A
-
1
5
C
P
4
1
5
A
P
&
B
W
2
8
X
Q
1
A
-
1
5
4
0
1
0
7
2
7
5
(
2
/
2
)
4
0
1
0
7
2
7
6
4
0
1
0
7
2
7
8
(
2
/
2
)
4
0
1
0
7
2
7
7
(
1
/
2
)
4
0
1
0
7
2
7
7
(
2
/
2
)
13-3-1-2-6 电源装置的连接图 (EN) 2/2