JX-200维修调整要领书.pdf - 第133页
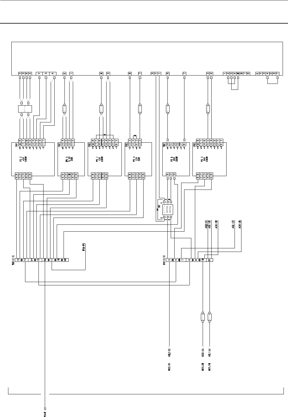
Rev . 1.1 维修调整要领书 13-11 图 13-3-1 -2-7 Z/θ 电源基板的连接图

Rev. 1.1
维修调整要领书
13-10
A
C
(
L
)
A
C
(
N
)
N
.
C
.
N
.
C
.
F
G
C
N
1
A
C
(
L
)
A
C
(
N
)
N
.
C
.
N
.
C
.
F
G
C
N
1
C
O
S
E
L
L
C
A
1
0
0
S
-
1
2
Y
A
C
(
L
)
A
C
(
N
)
N
.
C
.
N
.
C
.
F
G
C
N
1
A
C
(
L
)
F
G
A
C
(
N
)
T
B
1
C
O
S
E
L
L
D
A
3
0
0
W
-
2
4
T
B
4
T
B
3
T
B
3
T
B
4
T
B
3
T
B
4
T
B
4
T
B
3
T
B
4
T
B
3
+
3
.
3
V
G
N
D
C
P
7
3
A
I
D
E
C
N
R
W
1
0
-
3
A
C
P
6
2
0
A
F
U
J
I
C
P
5
1
B
S
/
0
2
0
C
O
S
E
L
L
C
A
5
0
S
-
3
+
5
V
+
5
V
+
5
V
+
5
V
G
N
D
G
N
D
G
N
D
+
1
2
V
+
1
2
V
R
T
N
C
P
9
8
A
I
D
E
C
N
R
W
1
0
-
8
A
C
P
1
0
3
A
I
D
E
C
N
R
W
1
0
-
3
A
-
1
2
V
-
1
2
V
R
T
N
C
O
S
E
L
L
C
A
5
0
S
-
1
2
Y
C
P
1
1
1
5
A
I
D
E
C
N
R
W
1
0
-
1
5
A
+
2
4
V
+
2
4
V
R
T
N
C
N
0
3
4
N
.
C
.
+
1
2
V
R
T
N
+
2
4
V
O
N
1
2
R
L
5
G
7
L
-
2
A
-
B
U
B
J
(
1
2
V
)
0
0
2
:
2
C
0
0
1
:
2
B
0
0
1
:
2
D
0
0
1
:
2
D
0
0
1
:
2
D
P
O
W
E
R
-
U
N
I
T
I
N
S
I
D
E
P
O
W
E
R
-
P
C
B
(
2
/
2
)
0
0
1
:
2
B
A
C
(
L
)
A
C
(
N
)
N
.
C
.
N
.
C
.
F
G
C
N
1
C
O
S
E
L
L
C
A
1
0
0
S
-
5
Y
T
B
1
+
3
.
3
V
+
5
V
+
5
V
+
5
V
R
+
5
V
R
+
1
2
V
-
1
2
V
+
2
4
V
4
0
0
2
5
5
7
9
4
0
0
2
5
5
7
8
T
B
2
G
N
D
(
B
)
G
N
D
(
A
)
G
N
D
(
A
)
G
N
D
(
A
)
+
1
2
V
R
T
N
-
1
2
V
R
T
N
+
2
4
V
R
T
N
4
0
0
7
6
7
7
7
T
B
6
+
2
4
V
S
+
2
4
V
S
R
T
N
(
S
A
F
E
T
Y
U
N
I
T
P
O
W
E
R
)
4
0
1
0
7
2
6
0
4
0
0
4
5
3
3
3
4
0
0
4
5
3
3
4
4
0
0
4
5
3
3
5
4
0
0
4
5
3
3
6
4
0
0
4
5
3
5
4
4
0
1
0
7
2
6
1
4
0
0
4
5
3
6
8
4
0
0
4
5
3
4
2
4
0
0
4
5
3
4
4
4
0
0
4
5
3
4
6
4
0
0
4
5
3
4
8
4
0
0
4
5
3
5
0
4
0
0
4
5
3
5
2
4
0
0
4
5
3
3
7
4
0
0
4
5
3
5
7
2
/
2
(
4
0
1
0
7
2
7
1
3
/
3
)
(
4
0
1
0
7
2
7
1
2
/
3
)
A
C
(
L
)
A
C
(
N
)
N
.
C
.
N
.
C
.
F
G
C
N
1
C
O
S
E
L
L
C
A
1
0
0
S
-
2
4
Y
C
P
1
2
3
A
I
D
E
C
N
R
W
1
0
-
3
A
4
0
1
0
7
2
6
5
4
0
0
4
5
3
6
2
4
0
0
4
5
3
6
3
4
0
1
0
7
2
6
4
C
P
3
1
5
A
P
&
B
W
2
8
X
Q
1
A
-
1
5
C
P
4
1
5
A
P
&
B
W
2
8
X
Q
1
A
-
1
5
4
0
1
0
7
2
7
5
(
2
/
2
)
4
0
1
0
7
2
7
6
4
0
1
0
7
2
7
8
(
2
/
2
)
4
0
1
0
7
2
7
7
(
1
/
2
)
4
0
1
0
7
2
7
7
(
2
/
2
)
图 13-3-1-2-6 电源装置的连接图 (EN) (2/2)

Rev. 1.1
维修调整要领书
13-11
图 13-3-1-2-7 Z/θ 电源基板的连接图

Rev. 1.1
维修调整要领书
13-12
控制装置
控制装置
背面监视器
传送中心马达基板
接头传感器
检验基板
凹缩网连接基板
自动调整驱动器
主键盘变换器
预备
预备
驱动器1/2驱动器2/2
前一次更换台
旧一次更换台
后一次更换台
旧一次更换台
前一次更换台
旧一次更换台
后一次更换台
旧一次更换台
预备
(黄色)
(黄色)
(蓝色)
(蓝色)
CARRY连接基板用
IN-MTR
OUT-MTR
自动控制MTR
(有传送伺服ON)
(无传送伺服ON)
预备
接头装置
时钟
图 13-3-1-2-8 电源基板的连接图(1/2)