KE-750_QA表.pdf - 第13页
FUNCTION NAME Runout of Ball Screw Coupling Mounting Part Function/Perf ormance CHECK/ADJUSTMENT MET HODS (REMEDIAL ACTION PROCE DURE) ASSURED QUALITY Reliability QUALITY CHARACTERISTI CS (SPECIFICATION VALUES) CATEGORY …

FUNCTION NAME Ball Splines Runout Function/Performance CHECK/ADJUSTMENT METHODS (REMEDIAL ACTION PROCEDURE)
ASSURED QUALITY Reliability
QUALITY CHARACTERISTICS (SPECIFICATION VALUES) CATEGORY Safety
Product Image
ROLE IN FUNCTION (MEANING OF SPECIFICATION VALUES)
POSSIBLE MALFUNCTIONS (CAUSED BY INCORRECT SPECIFICATION VALUES)
COMPONENTS
NO. Part No. Part Name Associated Quality Characteristics
1
2
3 MODEL KE-750/760
4
UNIT Head
REF. NO.
5
NAME
9
6
FUNCTION Ball Splines Runout
7
NAME
8
9
10
QA Table
Using a dial indicator, measure runout of the ball splines at the upper end and lower end of the Z-axis stroke.
Runout of ball splines: 0.07 mm or less (as measured at the
upper end and lower end of the Z-axis stroke)
Minimizes load applied to coupling θ to prevent the coupling from being damaged.
Damaged coupling

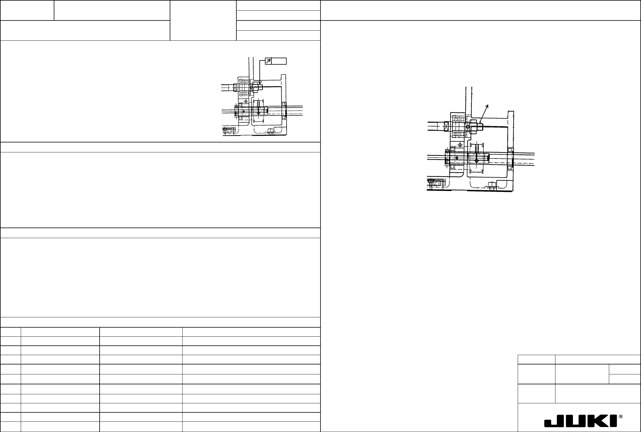
FUNCTION NAME Runout of Ball Screw Coupling Mounting Part Function/Performance CHECK/ADJUSTMENT METHODS (REMEDIAL ACTION PROCEDURE)
ASSURED QUALITY Reliability
QUALITY CHARACTERISTICS (SPECIFICATION VALUES) CATEGORY Safety
Product Image
ROLE IN FUNCTION (MEANING OF SPECIFICATION VALUES)
POSSIBLE MALFUNCTIONS (CAUSED BY INCORRECT SPECIFICATION VALUES)
COMPONENTS
NO. Part No. Part Name Associated Quality Characteristics
1
2
3 MODEL KE-750/760
4
UNIT Head
REF. NO.
5
NAME
10
6
FUNCTION Runout of Ball Screw Coupling
7
NAME Mounting Part
8
9
10
QA Table
Apply a dial indicator to the location shown on the right and turn the ball screw to measure runout.
Runout of the part to which the ball screw coupling is mounted: 0.05 mm or
less
0.05
Dial indicato
r
Minimizes load applied to the coupling to prevent it from being damaged.
Damaged coupling

FUNCTION NAME Spline Housing IC Runout Function/Performance CHECK/ADJUSTMENT METHODS (REMEDIAL ACTION PROCEDURE)
ASSURED QUALITY Reliability
QUALITY CHARACTERISTICS (SPECIFICATION VALUES) CATEGORY Safety
Product Image
ROLE IN FUNCTION (MEANING OF SPECIFICATION VALUES)
POSSIBLE MALFUNCTIONS (CAUSED BY INCORRECT SPECIFICATION VALUES)
COMPONENTS
NO. Part No. Part Name Associated Quality Characteristics
1
2
3 MODEL KE-750/760
4
UNIT Head
REF. NO.
5
NAME
11
6
FUNCTION Spline Housing IC Runout
7
NAME
8
9
10
QA Table
Spline housing IC runout 0.05mm or less
Apply a dial indicator to the positiion shown on the right and turn θ-axis to measure runout
Dial indicator
Minimizes load applied to the flat spring of the encoder, thereby preventing the flat spring from being damaged.
– Broken flat spring of encoder