KE-750_QA表.pdf - 第9页
FUNCTION NAME Z-Direction Play in Ball Screw Function/Performance CHECK/ADJUSTMENT METHODS (REMEDIAL ACTION PROCEDURE) ASSURED QUALITY Reliability QUALITY CHARACTERISTI CS (SPECIFICATION VALUES) CATEGORY Safety Product I…

FUNCTION NAME Z-Direction Play in Spline Housing Function/Performance CHECK/ADJUSTMENT METHODS (REMEDIAL ACTION PROCEDURE)
ASSURED QUALITY Reliability
QUALITY CHARACTERISTICS (SPECIFICATION VALUES) CATEGORY Safety
Product Image
ROLE IN FUNCTION (MEANING OF SPECIFICATION VALUES)
POSSIBLE MALFUNCTIONS (CAUSED BY INCORRECT SPECIFICATION VALUES)
COMPONENTS
NO. Part No. Part Name Associated Quality Characteristics
1 E30057250A0 Spline housing assembly
2 E32057250A0 Spline housing IC assembly
3 E3022725000 SP thrust collar MODEL KE-750/760
4 SM8030302TP Set screw
UNIT Head
REF. NO.
5
NAME
5
6
FUNCTION Z-Direction Play in Spline
7
NAME Housing
8
9
10
QA Table
Check procedure:
There should be no play in the spline housing in the Z-direction.
Check that there is no play in the spline housing when it is moved in the Z-direction.
Spline housing assembl
y
(spline housing IC assembly)
Set scre
w
SP thrust colla
r
Concerned with the θ-axis rotation, it greatly affects the placement accuracy.
Adjustment procedure:
With the spline housing pressed in A-direction, push the SP thrust collar in B-direction and secure it in
position. At this time, apply Loctite 242 to the set screw.
– Degraded placement accuracy

FUNCTION NAME Z-Direction Play in Ball Screw Function/Performance CHECK/ADJUSTMENT METHODS (REMEDIAL ACTION PROCEDURE)
ASSURED QUALITY Reliability
QUALITY CHARACTERISTICS (SPECIFICATION VALUES) CATEGORY Safety
Product Image
ROLE IN FUNCTION (MEANING OF SPECIFICATION VALUES)
POSSIBLE MALFUNCTIONS (CAUSED BY INCORRECT SPECIFICATION VALUES)
COMPONENTS
NO. Part No. Part Name Associated Quality Characteristics
1 E3020725000 Ball screw
2 E3006721000 Thrust spacer D
3 SM8040642TP Set screw MODEL KE-750/760
4
UNIT Head
REF. NO.
5
NAME
6
6
FUNCTION Z-Direction Play in Ball Screw
7
NAME
8
9
10
QA Table
Thrust nut
Thrust
spacer D
Set scre
w
Ball scre
w
There should be no play in the ball screw in the Z-direction.
– Degraded placement accuracy
– LA measurement error
– Component pickup failure
Check that there is no play in the ball screw when it is moved
in the Z-direction.
Possible causes include:
Concerned with the Z-axis settling, it greatly affects the placement accuracy.
(1) Thrust nut (that comes with the ball screw) left loose
(2) Foreign matter trapped in angular bearing
(3) Lack of force exerted by the set screw to hold thrust
spacer D in position.
Remedial procedures are:
(1) Retighten.
(2) Remove foreign matter.
(3) Place shims between the angular bearing and thrust
spacer D.
– Degraded placement accuracy
– LA measurement error
– Component pickup failure

FUNCTION NAME Jig Nozzle Runout Function/Performance CHECK/ADJUSTMENT METHODS (REMEDIAL ACTION PROCEDURE)
ASSURED QUALITY Reliability
QUALITY CHARACTERISTICS (SPECIFICATION VALUES) CATEGORY Safety
Product Image
ROLE IN FUNCTION (MEANING OF SPECIFICATION VALUES)
POSSIBLE MALFUNCTIONS (CAUSED BY INCORRECT SPECIFICATION VALUES)
COMPONENTS
NO. Part No. Part Name Associated Quality Characteristics
1 E3013725000 Z-slider shaft
2
3 MODEL KE-750/760
4
UNIT Head
REF. NO.
5
NAME
7
6
FUNCTION Jig Nozzle Runout
7
NAME
8
9
10
QA Table
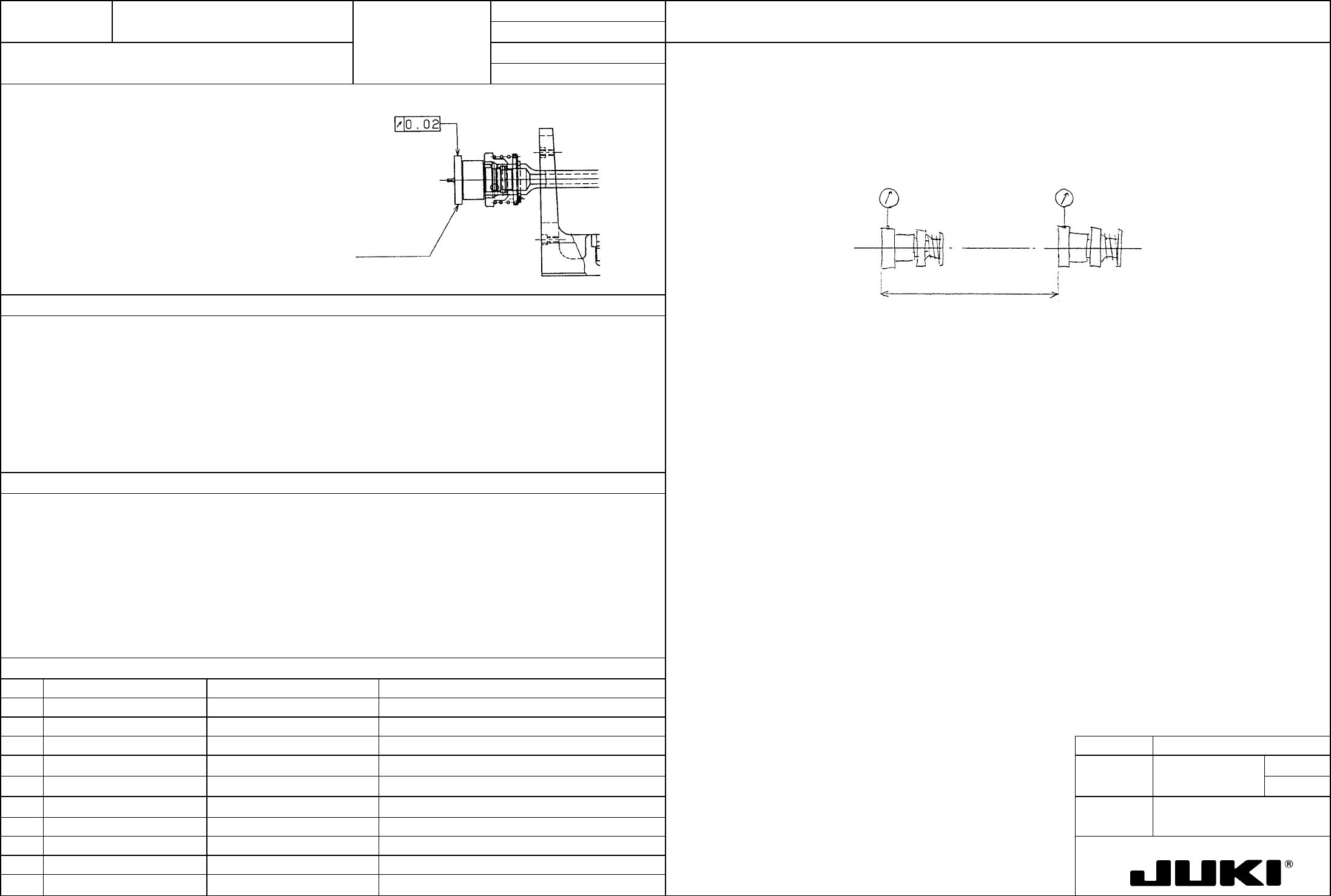
Check procedure:
Runout of jig nozzle: 0.02 mm or less (as measured at
the upper end and lower end of the Z-axis stroke)
Jig nozzle (φ20)
Mount the jig nozzle and apply a dial indicator to the periphery of the the jig nozzle. Turn the Z-slider shaft
to measure runout indicated on the dial indicator. Take this measurement at the upper end and lower end
of the Z-axis stroke.
Z-axis stroke
Concerned with component pickup, laser measurement, and placement, it greatly affects the placement
accuracy.
Possible causes include:
(1) Defective Z-slider shaft part
(2) Play in Z-slider shaft in the X/Y-direction
(3) Play in Z-slider shaft in the Z-direction
Remedial procedures are:
(1) Replace the defective part.
(2), (3) See the corresponding items of QA Table.
– Poor placement accuracy
– Component pickup failure
– Nozzle replacement error