yv180xg_j.pdf - 第8页
PAGE 6 YV180Xg (KGD) I/O Conveyor A KM5-M4580-xxx J203 J220 J41 CONNECTION BOARD(CNF16) J101 12V,24V OPEN GATE IN 5V SHORT GATE IN DO SPARE DI SPARE CN25 CN24 CN23 CN22 SPARE CN21 DI36 CN19 DI4 CN18 DO6 DO5 CN16 CN15 DO4…

PAGE 5
YV180Xg (KGD)
I/O Head B
CN6
DO1,2
CN7
CN7
DO4
CN8
CN8
VACUUM SEN
CN9
CN9
CN10
DI3
CN10
DI4
CN11
CN11
DI5
CN12
CN12
KV8-M4570-xxx
CN13
LIGHT
CN13
DO0,3
CN6
ON
OFF
12
DIP SW(S1)
87
COMU2
COMU1
CNX2
CNX1
TEST
CNX5
RS232C
CNX4
I/O BOARD CORE ASSY
ON
OFF
12
DIP SW(S1)
53
CONNECTION BOARD(CNF10)
CONNECTION BOARD(CNF16)
J41
FLEXIBLE
+24V
CNX1
CN4
CN5
CN2
EMG
ORG/OT
DC24V IN
CN5
CN4
CN2
NOZZLE DOWN
NOZZLE DOWN
SAFETY1
SAFETY1
SAFETY1
SAFETY2
SAFETY2
SAFETY2
A TABLE FLYING
NOZZLE UP
R ORG
ORG
1
2
3
4
5
6
7
8
DOWN
DOWN
DOWN
DOWN
DOWN
DOWN
DOWN
DOWN
2
4
6
8
FNC
FNC
FNC
FNC
1
2
3
4
5
6
7
8
SL.DOWN
SL.DOWN
SL.DOWN
SL.DOWN
SL.DOWN
SL.DOWN
SL.DOWN
SL.DOWN
DOWN
DOWN
DOWN
DOWN
DOWN
DOWN
DOWN
DOWN
P1-2
FNC POS1
FNC POS2
FNC POS1
FNC POS1
FNC POS1
FNC POS2
FNC POS2
FNC POS2
P2-2
P2-4
P2-6
P1-4
P1-6
P1-8
P2-8
CLUTCH
CLUTCH2
CLUTCH
CLUTCH
CLUTCH
CLUTCH4
CLUTCH6
CLUTCH8
N UP
N UP
+24V
PLATE
N2320
N2326
XORG
X OT
ORG
OT
FLEXIBLE
X-AXIS
LIGHT
LIGHT
FIDUCIAL
LIGHT
I/O
H CN5
J42
HEAD +24V
J170
SENSOR,5 ASSY(NOZZLE POS)
SENSOR,3 ASSY(CLUTCH)
SENSOR,4 ASSY(HEAD DOWN)
64
J117
I/O B
J46
J174
J353
J76
J348
HCN5 B
X2-AXIS
X2-AXIS
SQ251
SQ256
J116
J55
J172
J72
DUCT Z2
DUCT X2
HCN5 B CN5 HB
I/O B
J104
I/O HEAD A
I/O CONVEYOR B(CNX2)
J348
J361
J355
J365
J363
J353
AMP5
AMP4
AMP6
R2-AXIS
SQ252
SQ253A
SQ253B
SQ254A
SQ254B
SQ255A
SQ255B
1
2
3
4
5
6
7
8
YV352
YV353
YV351
VACUUM
VACUUM
VACUUM
VACUUM
VACUUM
VACUUM
VACUUM
VACUUM
1
2
3
4
5
6
7
8
YV381
YV382
YV383
YV384
YV385
YV386
YV387
YV388
BLOW
BLOW
BLOW
BLOW
BLOW
BLOW
BLOW
BLOW
T2B00
HEAD1B
T2B01
HEAD2B
T2B02
HEAD3B
T2B03
YV354
HEAD4B
T2B04
YV355
HEAD5B
T2B05
YV356
HEAD6B
T2B06
YV357
HEAD7B
T2B07
YV358
HEAD8B
T2B30
HEAD1B
T2B31
HEAD2B
T2B32
HEAD3B
T2B33
HEAD4B
T2B34
HEAD5B
T2B35
HEAD6B
T2B36
HEAD7B
T2B37
HEAD8B
T2B10
YV361
HEAD1B
T2B11
YV362
HEAD2B
T2B12
YV363
HEAD3B
T2B13
YV364
HEAD4B
T2B14
YV365
HEAD5B
T2B15
YV366
HEAD6B
T2B16
YV367
HEAD7B
T2B17
YV368
HEAD8B
T2B22
YV391
HEAD2B
T2B23
YV392
HEAD4B
T2B24
YV393
HEAD6B
T2B25
YV394
HEAD8B
T2B40
YV371
HEAD1B
T2B41
YV372
HEAD2B
T2B42
YV373
HEAD3B
T2B43
YV374
HEAD4B
T2B44
YV375
HEAD5B
T2B45
YV376
HEAD6B
T2B46
YV377
HEAD7B
T2B47
YV378
HEAD8B
1
2
3
4
5
6
7
8
VAC.SENSOR
x8
P51 P58
SQ261
DOWN1
N2330 HEAD1B
SQ262
DOWN2
N2331 HEAD2B
SQ263
DOWN3
N2332 HEAD3B
SQ264
DOWN4
N2333 HEAD4B
SQ265
DOWN5
N2334 HEAD5B
SQ266
DOWN6
N2335 HEAD6B
SQ267
DOWN7
N2336 HEAD7B
SQ268
DOWN8
N2337 HEAD8B
N2340
SQ271
HEAD2B
N2341
SQ272
HEAD4B
N2342
SQ273
HEAD6B
N2343
HEAD8B
SQ274
N2344
SQ275
HEAD2B
N2345
SQ276
HEAD4B
N2346
SQ277
HEAD6B
N2347
SQ278
HEAD8B
N2350
SQ281
HEAD2B
N2351
SQ282
HEAD4B
N2352
SQ283
HEAD6B
N2353
SQ284
HEAD6B
I/O HEAD UNIT ASSY B P22
J320
For FNC HEAD Version
For FNC HEAD Version
See Page 4
See Page 7
See Page 3
See Page 3

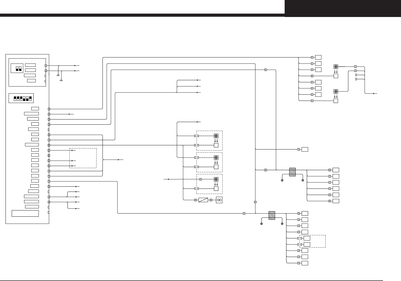
PAGE 6
YV180Xg (KGD)
I/O Conveyor A
KM5-M4580-xxx
J203
J220
J41
CONNECTION BOARD(CNF16)
J101
12V,24V OPEN
GATE IN 5V SHORT
GATE IN
DO SPARE
DI SPARE
CN25
CN24
CN23
CN22
SPARE
CN21
DI36
CN19
DI4
CN18
DO6
DO5
CN16
CN15
DO4
DO3
DO2
DO1
CN14
CN13
CN12
CN11
EMG/INT
CN8
DI3
CN1
DI1
CN7
EMG
CN6
POWER
CN5
DI2
CN4
CN3
ORG/OT
DC24V IN
CN2
ON
OFF
12
DIP SW(S1)
654
ON
OFF
12
DIP SW(S1)
3
COMU2
COMU1
CNX2
CNX1
TEST
CNX5
RS232C
CNX4
I/O BOARD CORE ASSY
CONTROL BOX(I/O1)
J161
J211
J253
J251
I/O CONVEYOR UNIT ASSY A P23
J103
I/O HEAD A(CNX1)
J189
CN2 A
J181
CN3 A
CN4 A
J188
J204
CN23 A
CN22 A
CN19 A
CN18 A
J183
CONNECTION BOARD(CNF8,12,38)
J203
J203
CN16 A
CN15 A
CN6 A
CN14 A
J213
J212
CN13 A
F FEEDER
F.FDR1
N1005
F1.FEEDER FLOAT SENSOR
N1006
FDR +24V
N1005
FDR +24V
F.FDR2
N1006
N1007
SQ11A
SQ11B
SQ12A
SQ12B
SQ13A
SQ13B
N1007
(OPTION)
(OPTION)
F2.FEEDER FLOAT SENSOR
F3.FEEDER FLOAT SENSOR
EV5
FAN X2
N1010
J161
FLEXIBLE
DUCT Y2
SQ01
Y2-AXIS
ORG
SQ03
W2-AXIS
ORG
Y2-AXIS
OT
SQ05
SQ71
B TABLE
SET POSITOIN
SQ75
B TABLE
TRANSIT 1
SQ76
B TABLE
TRANSIT 2
SQ77
PU2-AXIS
ORG
B TABLE
B TABLE
LOCATE PIN 1
LOCATE PIN 2
SQ73
SQ74
J74
N1000
N1002
N1003
N1050
N1051
N1052
N1053
N1054
N1055
SET P.1
PU ORG
TRNS1
TRNS2
L.PIN1
L.PIN2
Y ORG
J185
SQ21
SQ22
SQ24
SQ25
SQ26
T-AXIS
ORG
HOOK
UP/DOWN
HOOK
TOP1
HOOK
TOP2
HOOK
TOP3
FLEXIBLE
J187
J92
DUCT T
TORG
ORG
W1-AXIS
SQ02
W1ORG
N1001
J181
SQ23
T-AXIS
OT
TORG
UP/DOWN
TOT
HOOK1
HOOK2
HOOK3
N1004
N1020
N1022
N1023
N1024
N1003
(OPTION)
W2ORG
ORG/OT
TABLE
J183
TABLE B
CNX1 A
CNX2 A
CN1 A
Y OT
W ORG
CN11 A
CN8 A
CN7 A
(OPTION, FOR CARRIAGE)
HOOK
J181
N1037
N1036
N1035
N1034
N1033
N1032
N1031
N1030
EXIT2
CONV
EXIT1
CONV
OUT
WORK
POS.2
SUB
POS.1
SUB
ENT.
CONV
SQ31
SQ32
SQ33
SQ35
SQ36
SQ37
N1033
N1037
SQ34B
SQ34A
TRANS
CONV.1
TRANS
SQ38B
SQ38A
CONV.2
J189
CONNECTION
BOARD(CNF46)
J31
+24V
+24V
+24V
+24V
J188
J187
SERVO ON
SERVICE KEY FRONT
SERVICE KEY REAR
CONNECTION BOARD(CNF30)
N1014
N1015
N1016
J220
U2
PNP
NPN
CONNECTION BOARD(CNF40)
J30
DUMP STATION(OPTION)
DUMP STATION(OPTION)
F FEEDER (OPTION)
R FEEDER (OPTION)
J39
FDR +24V
CONNECTION BOARD(CNF19)
F.FDR3
See Page 3
See Page 3
See Page 3
See Page 3
See Page 3
See Page 3
See Page 3
See Page 13,14
See Page 13,14
See Page 15
See Page 15
See Page 13,14
See Page 2
See Page 4
See Page 3

PAGE 7
YV180Xg (KGD)
I/O Conveyor B
KM5-M4580-xxx
J41
CONNECTION BOARD(CNF16)
12V,24V OPEN
GATE IN 5V SHORT
GATE IN
DO SPARE
DI SPARE
CN25
CN24
CN23
CN22
SPARE
CN21
DI36
CN19
DI4
CN18
DO6
DO5
CN16
CN15
DO4
DO3
DO2
DO1
CN14
CN13
CN12
CN11
EMG/INT
CN8
DI3
CN1
DI1
CN7
EMG
CN6
POWER
CN5
DI2
CN4
CN3
ORG/OT
DC24V IN
CN2
COMU2
COMU1
CNX2
CNX1
TEST
CNX5
RS232C
CNX4
I/O BOARD CORE ASSY
J205
J102
ON
OFF
12
DIP SW(S1)
4
ON
OFF
12
DIP SW(S1)
653
J257
J255
J162
N1120-N1125
I/O CONVEYOR UNIT ASSY B P24
CNX2 B
CNX1 B
J104
I/O HEAD B(CNX1)
CONTROL BOX(I/O2)
CN1 B
CN2 B
J192
CN3 B
J182
CN4 B
J190
J168
CONNECTION BOARD(CNF35)
CN6 B
CN8 B
CN11 B
CN13 B
CN14 B
J215
J216
J217
R FEEDER
CN15 B
CN16 B
J192
CN18 B
J184
CN19 B
CN22 B
FLEXIBLE
ORG/OT
TABLE
J186
DUCT Y1
J73
ORG
ORG
OT
SET POSITOIN
TRANSIT 1
TRANSIT 2
ORG
LOCATE PIN 1
LOCATE PIN 2
SET P.1
PU ORG
TRNS1
TRNS2
L.PIN1
L.PIN2
Y ORG
(OPTION)
N1100
N1102
N1103
N1150
N1151
N1152
N1153
N1154
N1155
SQ51
SQ53
SQ55
SQ41
SQ43
SQ44
SQ45
SQ46
SQ47
Y1-AXIS
W3-AXIS
Y1-AXIS
A TABLE
A TABLE
A TABLE
A TABLE
A TABLE
PU1-AXIS
TABLE A
J184
ORG
W4-AXIS
W4ORG
N1101
SQ52
J182
W3ORG
T1930
T1932
T1933
T1934
T1935
T1936
T1937
T1931
BOARD CLAMP B
BOARD CLAMP A
MAIN STOPPER
PUSH UP
EDGE CLAMP
PUSH IN
T-HOOK DOWN
LOCATE PIN
(OPTION)
B-TABLE
J205
T1926
T1927
YV37
STOPPER OF EXIT
COVER LOCK VALVE
STOPPER OF ENTRANCE
T1925
YV36
YV31
T1920
T1921
T1922
T1923
T1924
MAIN STOPPER
EDGE CLAMP
PUSH UP
LOCATE PIN
(OPTION)
PUSH IN
A-TABLE
YV33
YV34
YV35
YV41
YV43
YV44
YV45
YV46
J205
Y OT
W ORG
FDR +24V
FDR +24V
(OPTION)
(OPTION)
N1105
N1106
N1107
SENSOR
PRESSURE
AIR
P
N1111
SP11
N1111
N1110
EV4
FAN X1
R.FDR1
R.FDR2
N1105
N1106
N1107
SQ81A
SQ81B
R1.FEEDER FLOAT SENSOR
SQ82A
SQ82B
R2.FEEDER FLOAT SENSOR
SQ83A
SQ83B
R3.FEEDER FLOAT SENSOR
(OPTION, FOR CARRIAGE)
N1130/T1940
N1131/T1941
N1132/T1942
N1133/T1943
N1134/T1944
N1135/T1945
ACTIVE
START
STOP
ERR.CLR.
F.ACTIVE(WHITE)
F.START(GREEN)
F.READY(WHITE)
F.RESET(WHITE)
SB31
SB32
SB33
SB34
SB35
SB36
J231
J233
J234
J235
J232
J236
CONNECTION BOARD(CNF57)
SB41
SB42
SB43
SB44
SB45
SB46
R.ACTIVE(WHITE)
R.START(GREEN)
R.READY(WHITE)
R.RESET(WHITE)
J237
J239
J240
J241
J238
J242
ACTIVE
START
STOP
ERR.CLR.
N1140/T1950
N1141/T1951
N1142/T1952
N1143/T1953
N1144/T1954
N1145/T1955
J192
T1956(READY OUT)
T1957(ACTIVE CHANGE)
REAR OPERATION PANEL FRONT OPERATION PANEL
SWITCHER BOARD(CN8S)
RESET
READY
RESET
READY
F.STOP(RED)
F.ERROR CLEAR(YELLOW)
R.STOP(RED)
R.ERROR CLEAR(YELLOW)
CONNECTION BOARD(CNF19)
DUMP STATION(OPTION)
DUMP STATION(OPTION)
R FEEDER CARRIAGE(OPTION)
U1
PNP
NPN
CONNECTION BOARD(CNF40)
J30
FDR +24V
J39
R.FDR3
See Page 3
See Page 9
See Page 13,14
See Page 13,14
See Page 15
See Page 13,14
See Page 3
See Page 3
See Page 3
See Page 2
See Page 5
See Page 3
See Page 3