DECAN_F2_TRM(Ver6.2_CS17.02) - 第180页
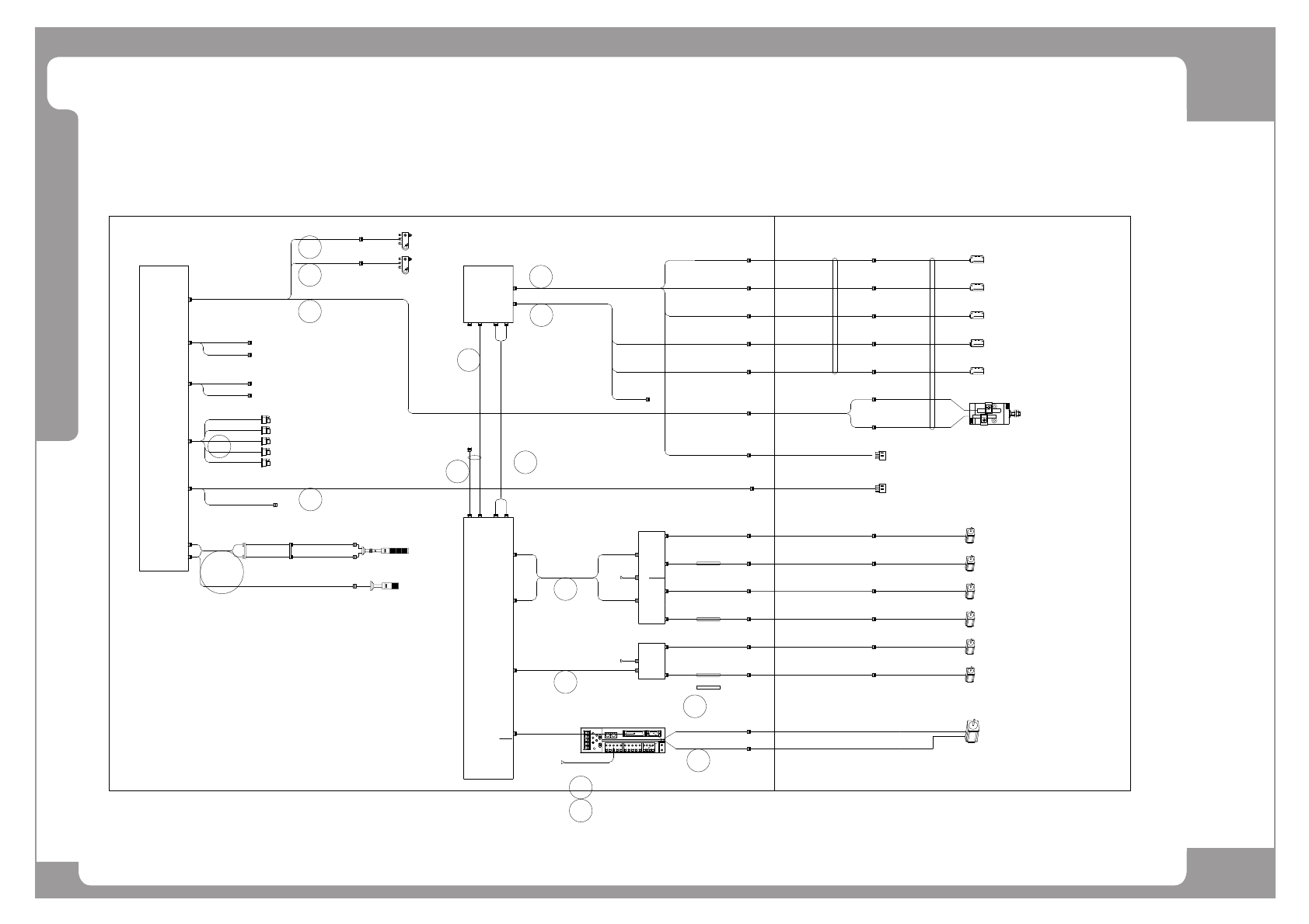
Page +$1:+$ 176 DECAN F2 Harness Wiring Diagram (7/9) In REAR Belt #4 In REAR Belt #3 F PCB In F PCB Wait In Front Belt #2 In Front Belt #1 IN-BELT1 IN-BELT2 IN-BELT4 IN-F-IN IN-F-WT IN-BELT3 IN CONV (Full Dual Mode) R P…

Page
+$1:+$
175
DECAN
F2
Harness Wiring Diagram (6/9)
Belt CB#3
J90831430B
SINGLE CONV (OPTION)
-
SM41_MD015
Belt CB#4
J90831431B
-
SM41_MD016
Belt WB#1
J90831432B
-
SM41_MD017
Belt CB#1
J90831439B
-
SM41_MD013
Belt CB#2
J90831440B
-
SM41_MD014
Belt WB#2
J90831441B
-
SM41_MD018
AM03-003868A
SM421-CV112
PCB-OUT
SECOND
PCB-WORK
PCB-WAIT
PCB-IN
P-UP
P-DN
J90831401C
SM41_CV007
PCB IN(OUT) SENSOR
PCB WAIT(SECOND PLACE) SENSOR
PCB WORK SENSOR
PLACE STOPPER UP/DOWN SENSOR
SECOND PLACE(PCB WAIT) SENSOR
PCB OUT(IN) SENSOR
BUT
BUT HOME
OMRON
EE-1001
+
L
OUT
-
AM03-012630A
SM511_CS051-2
PCB-OUT
SECOND
PCB-WAIT
PCB-IN
PCB-WORK
AM03-003578B
SM421_MD108
CB1
AM03-003582B
SM421_MD110
WB1
AM03-003580B
SM421_MD109
CB3
AM03-003872A
SM421_CV151-1
AM03-003870B
SM421_CV150-1
WD-HOME
WD HOME
OMRON
EE-1001
+
L
OUT
-
AM03-003577B
SM421_AX104-1
AM03-003904B
SM421_MD208
CB2
AM03-003908B
SM421_MD210
WB2
AM03-003906B
SM421_MD209
CB4
WD-HOME-EXT
P-SEN-EXT
WD SERVO MOTOR
-
Ạ⬘䖼
AM03-012631A
SM511_CS111-7
PLACE_SOL
BUT_SOL
EDGE_SOL
ANC1_SOL
CB2-EXT
AM03-012619A
SM511_MD208-1
BUT-SEN-EXT
AM03-012629A
SM511_CS050-1
PUMP-ALARM
CB1-EXT
AM03-012616A
SM511_MD108-1
CB3-EXT
AM03-012617A
SM511_MD109-1
CB4-EXT
AM03-012620A
SM511_MD209-1
WB1-EXT
AM03-012618A
SM511_MD110-1
WB2-EXT
AM03-012621A
SM511_MD210-1
CB12
4 AXIS
CB34
BW12
[AX]
Panasonic AC servo
SET
MODE
WD_PW
AM03-012614A
SM511-MD022-1
WD_EN
AM03-012615A
SM51-MD023-1
X6
AM03-012622A
SM511_PW018
AM03-012623A
SM511_VM005-1
501189-3010
2 AXIS
[AXIO#1]
AM03-012624A
SM511_VM008
AM03-012625A
SM511_VM009
TB1-14A
TB1-16A
TB1-18A
TB1-22A
AM03-012632A
SM511_CS135-1
[CV]
CN21
AM03-012634A
SM511_CV115-2
FAREA-R
SC-J5R-2
CN22
AM03-012635A
SM511_CV115-3
SC-J6R-1
RAREA-E
ANC2_SOL
CN5
CN14
CN15
CN4
CN7
IN SHUTTEL HOME
Y1.2,X1.2 SENSOR
CN17
CN18
CN19
CN23
CN7 CN9 CN10
CN5 CN6 CN7 CN8
AM03-012628A
SM511_CS035-1
PCB IN,WAIT,PCB OUT,SECOND.WORK
BUT,WORK STP,EDGE PUSHER,VAC,BLOW
HD-SOL-EXT
F DUMP BOX
F_DM_BOX
R DUMP BOX
R_DM_BOX
AM03-012636A
SM511_PW147-2
DC24V
DC24V
CN2
CN3
CN2
CN3
CN2
CN3
CN4
CN4
CN1
CN1
CN4
CN5
AM03-012633A
SM511_CS136-1
R-CN10
L-CN10
SM511_CS143(ḩ㟝)
SM511_CS144(ḩ㟝)
SINGLE CONV 㐐 㻈ᴴ
ROBOT CABLE
E3S-LS3N(OMRON)
E3S-LS3N(OMRON)
E3S-LS3N(OMRON)
E3S-LS3N(OMRON)
E3S-LS3N(OMRON)
WTSA10X40-1004WS
2S56Q-01842SR2(새한)
2S56Q-01842SR2(새한)
2S56Q-01842SR2(새한)
2S56Q-01842SR2(새한)
2S56Q-01842SR2(새한)
2S56Q-01842SR2(새한)
PCB-OUT(RL)
CN7
CN13
TOWER LAMP
J4R-3
J4R-4
J9L-3
J9L-4
TW-LP
TW-BZ
J9LJ4R
㵸ⶼ䚔ᶷ
SM511_CV104-2
R ERROR LAMP
R-OW-LAMP
SM511_CV104-1
(ḩ㟝)
SM511_CA202
(ḩ㟝)
2500
1300
1600
1900
2850
1500
1500
1000
1000
1400
PE:700
2550
2550
350
2750
2900
CN21
AXIO#1 B/D 스위치 바꿔야됨
<주의>
(Z상 인텍터 에러발생시)

Page
+$1:+$
176
DECAN
F2
Harness Wiring Diagram (7/9)
In REAR Belt #4
In REAR Belt #3
F PCB In
F PCB Wait
In Front Belt #2
In Front Belt #1
IN-BELT1
IN-BELT2
IN-BELT4
IN-F-IN
IN-F-WT
IN-BELT3
IN CONV (Full Dual Mode)
R PCB In
R PCB Wait
IN-R-IN
IN-R-WT
Exit Rear Belt #4
Exit Rear Belt #3
Exit Front Belt #2
Exit F PCB Out#1
Exit F PCB Out#2
Exit F BOARD Out
Exit Front Belt #1
EX-BELT1
EX-BELT2
EX-BELT3
EXIT CONV(Full Dual Mode)
Exit R PCB OUT#1
Exit R PCB OUT#2
Exit R BOARD OUT
SM511_CS205-1
SM511_CS205-3
SM511_CS205-4
EX-F-OUT1
EX-F-OUT2
EX-F-BD-OUT
EX-R-OUT1
EX-R-OUT2
EX-R-BD-OUT
SM511_CS207-1
SM511_CS207-1
SM511_CS208-1
SM511_CS207-3
SM511_CS208-1
EX-BELT4
SM511_CS208-1
SM511_CS208-1
SM511_CS206-1
SM511_CS206-1
SM511_CS206-1
SM511_CS205-4
SM511_CS209
LONG 㢰⚀ 㻈ᴴ
IN-F-IN
IN-R-IN
IN-R-WT
SM511_CS209
LONG 㢰⚀ 㻈ᴴ
EX-F-OUT2
EX-F-BD-OUT
EX-R-OUT1
EX-R-OUT2
EX-R-BD-OUT
SM511_CS205-1
L-FDU-32P
SM511_CS207-1
R-FDU-32P
SM511_CS206-1
L-FDU-30P
SM511_CS208-1
R-FDU-30P
1
Driver PWR
2
3
4
6
4
3
1
BELT
Motor PWR
/B
B
/A
A
4
3
1
2
컨벡스 회로도
EX-F-OUT1
2
5
1
2
1
Driver PWR
2
3
4
6
4
3
1
BELT
Motor PWR
/B
B
/A
A
4
3
1
2
컨벡스 회로도
2
5
1
2
BS1-CN3
BS1-CN2
MS1-CN3
WS1-CN3
L-CN1
L-CN2
CV-CN15-IN
BS2-CN2
BS2-CN3
MS2-CN3
WS2-CN3
R-CN2
CV-CN15-EXIT
R-CN1
R-CN3
CONV Full Dual (OPTION)
역방향으로 돌기에 컨벡스 Driver 에서 역스위치 변경함
주)
역방향으로 돌기에 컨벡스 Driver 에서 역스위치 변경함
주)
L-CN3
IN-F-BD-OUT
IN-R-BD-OUT
SM511_CS205-1
SM511_CS206-1

Page
+$1:+$
177
DECAN
F2
Harness Wiring Diagram (8/9)
CONVEYOR I/F
BOARD
[CV]
AM03-010788B
CN23
AM03-011608A
CAN
AM03-010789A
AM03-010795A
CN3
J4R-1 J9L-1
AM03-010786B
AM03-010794A
AM03-010785B
FDOCK1
FDOCK2
FRONT DOCKING CART SENSOR1(전면에서 왼쪽)
OMRON
EE-1001
+
L
OUT
-
FRONT DOCKINF CART SENSOR2(전면에서 오른쪽)
OMRON
EE-1001
+
L
OUT
-
CN24
RDOCK1
RDOCK2
REAR DOCKING CART SENSOR1(전면에서 왼쪽)
OMRON
EE-1001
+
L
OUT
-
REAR DOCKINF CART SENSOR2(전면에서 오른쪽)
OMRON
EE-1001
+
L
OUT
-
CN10
AM03-011610A
F/D_CART SOL1
F/D_CART SOL2
전면D_CART SOL1
전면D_CART SOL2
CN111
AM03-011611A
R/D_SOL1
R/D_SOL2
후면D_CART SOL1
후면D_CART SOL2
FFD-EN3
FFD-EN2
FFD-CN3
FFD-CN2
SM511_IT004
CAN
CAN
PC RACK
IT MASTER
SM511_IT004
CAN_CH1_L
CAN_CH3_L
F-24V-EX
AM03-011612A
J3R-2 J8L-2
AM03-010787B AM03-010794A
AM03-010790B
AM03-010793B
AM03-010792B
AM03-010795A
R-HD-CAN
J9L-2
J9L
J4R-2
J4R
J3R
J8L
AM03-011613A
RFD-EN3
RFD-EN2
RFD-CN3
RFD-CN2
[HD2]
CN2
CN21
[AXIO#3]
CN3
[SC]
SM511_FL002-13
[SC]
CN22
SM511_IT004
SM511_IT004
CAN_CH2_R
CAN_CH4_R
R-24V-EX
Front DOCKING CART EXT.
Rear DOCKING CART EXT.
F-DCART
R-DCART
J8L-1
J8L
J3R-1
J3R
CN3
[AXIO#2]
Front DOCK ING CART
Rear DOCK ING CART
5557-24R
5557-24R
DOCK ING CART (OPTION)
CAN
CAN
CAN
AM03-010867A
FFD-PWR
CV-RDF-PWR
AM03-011245A
RFD-CN4
5559-10P
CN20
CV-CN4
5557-10R
DF1B-4DS-2.5RC
DF1B-4DS-2.5RC DF1BA-4DEP-2.5RC
AM03-010841B
RFD-EN4
SM511_CA102
SM511_CA101-1
SM511_FD101-1
SM511_CA102-1
SM511_CA202
SM511_CA101-2
SM511_CA201
AM03-010871A
AM03-010871A
AM03-010871A
AM03-010871A
SM511_CV019
SM511_CV028
SM511_FD010_DC
SM511_CA101-3 SM511_CA201
SM511_CA102-4
SM471_CA105-1
SM511_CA105
SM511_CA202
SM511_FL002-13
SM511_CV101-1 SM511_CV101
SM511_CV029
SM511_FD011_DC
AM03-011609A
SM511_CV020