DECAN_F2_TRM(Ver6.2_CS17.02) - 第187页
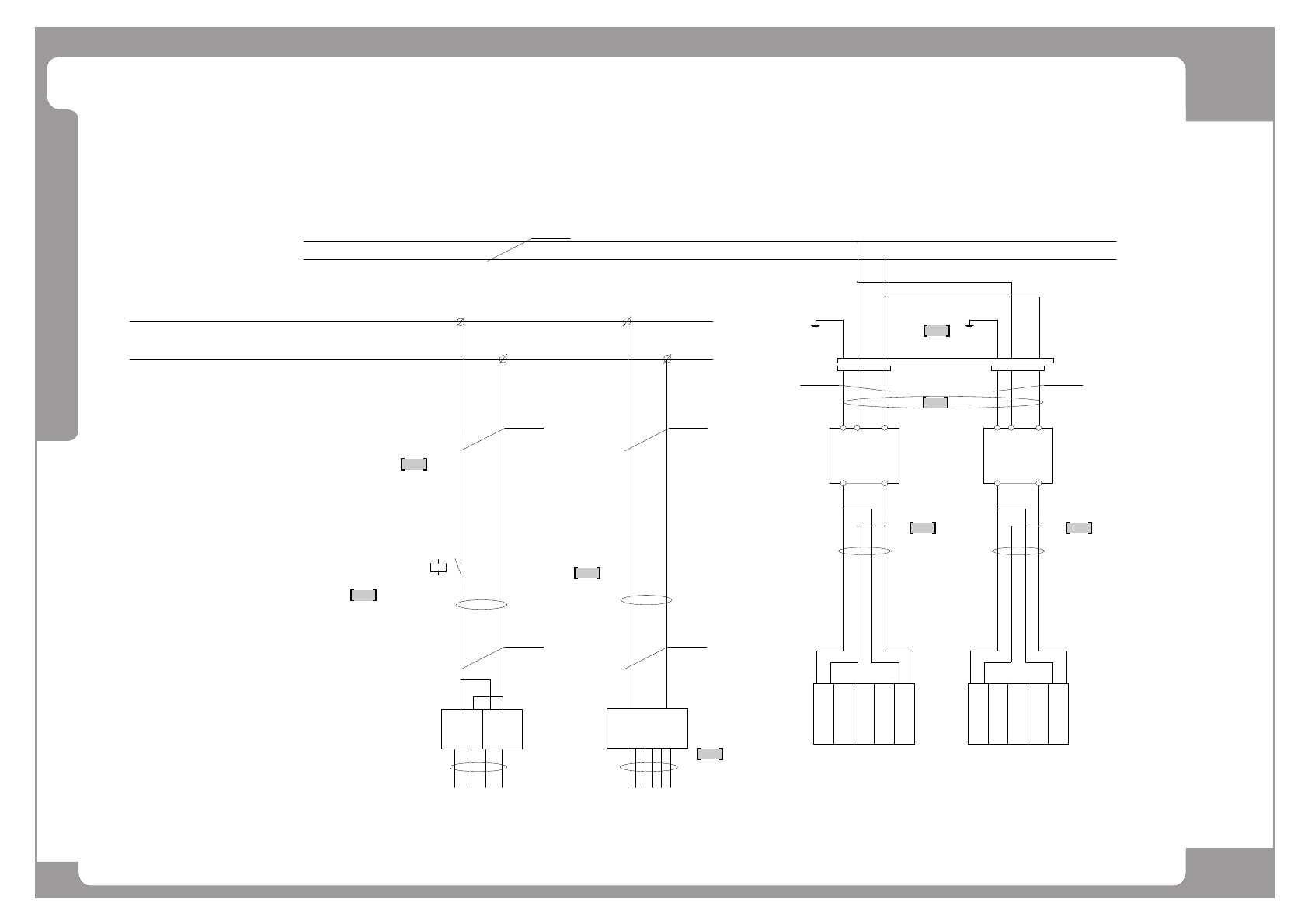
Page +$1:+$ 183 DECAN F2 Electric Power (2/9) NO. P ART NO. P ART NAME Q'TY Old No. Supply Supply L T Reference 1 AM03-005497A CABLE ASSY -T B1_MC1 1 2 AM03-005496A CABLE ASSY -BEL T _DRV_PW 1 3 AM03-005499A CABLE A…

Page
+$1:+$
182
DECAN
F2
Electric Power (2/9)
1
2
3
5
6
7 8
4
FROM CP2
AC220V
24G
2L2
2L1
24G
-PS3
(SHUTTLE/CONVEYOR BELT 4AXIS)
DRVER PWR
-MC1
+24V 24G
-PS4
+24V
1.5 mm1.5 mm
AM03-010945A
0.5 mm 0.5 mm
2.5 mm
-TB1 (17~20 : DC24V)
AM03-010080A
CN1 CN1
CP2-2
CP2-4
SM471_PW120-2
SM471_PW121-2
[BS12,BS34,BW12,BW34 DRIVER]
T6L
12
(CONN)
3456
SM511_PW109
SM471_PW120-3
+24V
SM511_PW123
MS1, WS1, WW1, MS2, WS2, WW2
AM03-005497A
AM03-005496A
AM03-005499A
AM03-010935A
AM03-010931A
SM511_PW202
SM411_PW029
LNFG L NFG
0.75 mm0.75 mm
+24V 24G
HEAD FRONT Z1~Z10
SM511_PW124
AM03-010936A
HEAD REAR Z1~Z10
+24V 24G
12D
11B
13
14
11D
12B
24V(400W)
IN
(-)
24V(400W)
(+)
AC
IN
PE9
(-)
(+)
AC
PE10
22
2 2
2
DC POWER B/D #2
[DP2]
[BS1] [BS2]
22
Z12 Z34 Z56 Z78 Z910 Z12 Z34 Z56 Z78 Z910

Page
+$1:+$
183
DECAN
F2
Electric Power (2/9)
NO. PART NO. PART NAME Q'TY Old No. Supply Supply LT Reference
1 AM03-005497A CABLE ASSY-TB1_MC1 1
2 AM03-005496A CABLE ASSY-BELT_DRV_PW 1
3 AM03-005499A CABLE ASSY-PS1_2_DC_POWER_BD 1
4 AM03-010080A CABLE ASSY-SHUTTLE_WIDTH_PW 1
5 AM03-010945A CABLE ASSY-PS34_AC_PS12_DC_PW_T6L 1
6 AM03-010931A CABLE ASSY-MC1_PS3_PS4_PW_T6L 1
7 AM03-010935A CABLE ASSY-FZ1_FZ10_DC24V_PW 1
8 AM03-010936A CABLE ASSY-RZ1_RZ10_DC24V_PW 1

Page
+$1:+$
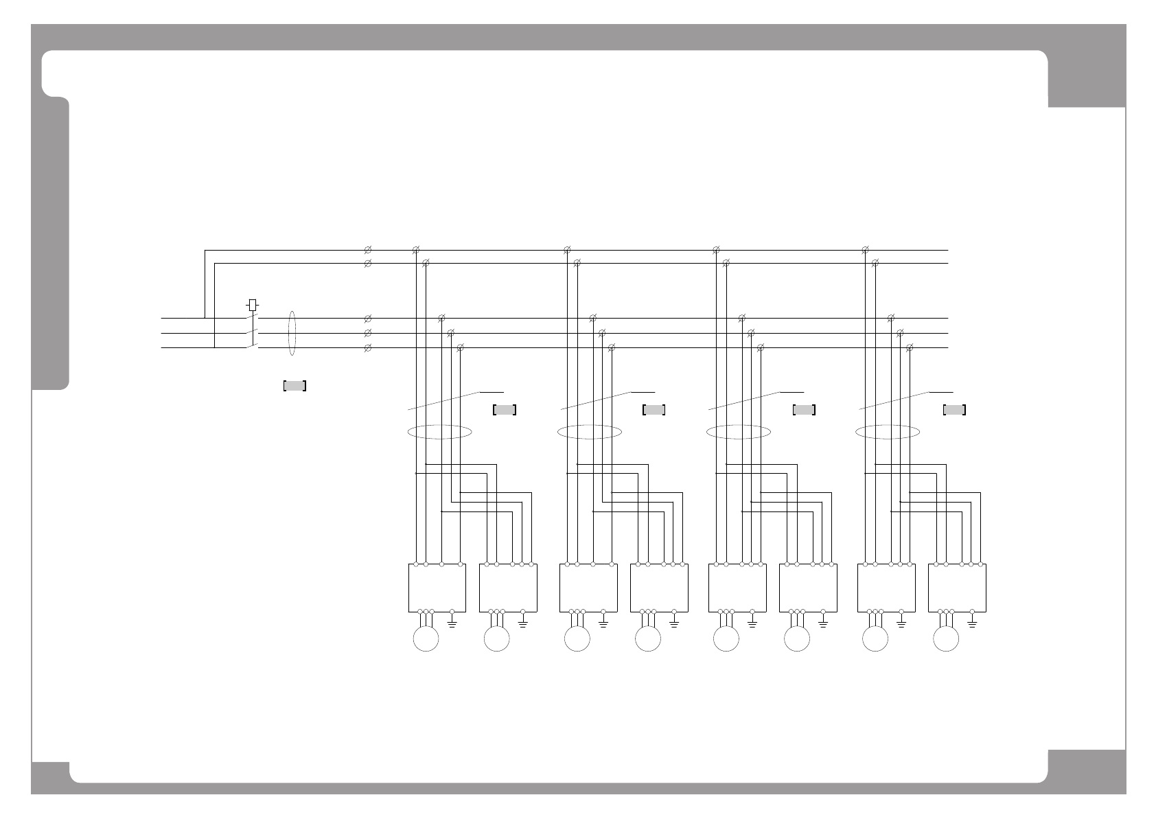
184
DECAN
F2
Electric Power (3/9)
1
2 3 4 5
22L1
22L3
22L2
22T
22R
SM471_PW016
0.75mm
PW471_PW017
0.75mm
-TB1 (21~40 : 3Ø 220V)
FROM CP3
-MC1
AC220V
22R
22S
22T
(LC1D096BD-20A)
AM03-005490A
PW471_PW019
0.75mm
PW471_PW018
0.75mm
SM471_PW115
AM03-005491A AM03-005492A AM03-005494AAM03-005493A
18B17B
19B
21B
20B
22B
15B
13B
16B
14B21A
26A
17A
19A
21A
1
3
5
2
4
6
18C
22C
16C
14C
20C
17C
19C
21C
15C
13C
DRIVERDRIVER
PE11
U
-M1
3~
M
WV E
3~
-M2
M
UV
PE12
W E
L3
SERVO
r
-SD1
L1
t
SERVO
rt
-SD2
L3L1
DRIVERDRIVER
PE13
U
-M3
3~
M
VW E V
M
3~
-M4
U
PE14
W E
SERVO
r
-SD3
L1
t
SERVO
t
L3
r
-SD4
L2 L3L1
2 2
50W
FS-AXIS
750W
FX-AXIS
50W
RS-AXIS
750W
RX-AXIS
V U
PE18
W
r
L1
t t
2
1KW
U
-M3
L1
t
DRIVERDRIVER
PE17
U
-M3
3~
M
2
W E V
M
3~
-M4
E
SERVO
-SD7
L2
SERVO
L3
r
-SD8
L2 L3L1
1KW
RY1-AXIS RY2-AXIS
DRIVERDRIVER
PE15
3~
M
VW E V
M
3~
-M4
U
PE16
W E
SERVO
r
L2
t
SERVO
L3
r
-SD6
L2 L3L1
1KW
FY1-AXIS
1KW
FY2-AXIS
-SD5
L2