DECAN_F2_TRM(Ver6.2_CS17.02) - 第245页
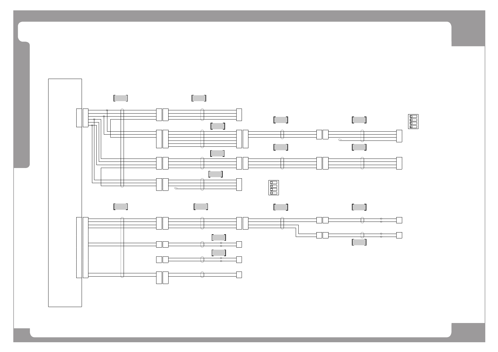
Page +$1:+$ 241 DECAN F2 Conveyor IF Board (3/10) NO. P ART NO. P ART NAME Q'TY Old No. Supply Supply L T Reference 1 AM03-010851 B CABLE ASSY -F_AREA_SENSOR_J5R 1 2 AM03-0108 05B CABLE ASSY -F R_ANC_SOL R_ERROR_LA …

Page
+$1:+$
240
DECAN
F2
Conveyor IF Board (3/10)
1 3
4
5
6
72
8
9
10
11
13
14
12 15
16
CN21
SM511_CV115
1
3
5
+24V
FASEN
GND
AM03-010851B
CV-CN21
1
2
3
4
FAREA-R
CONVEYOR I/ BD
1
2
3
4
A1
B1
A2
B2
J25MF-06V-K
SC-J5R-2
SC-J10L
2
4
6
+24V
RASEN
GND
1
3
5
2
4
6
DF1B-6DS-2.5RC
DF1BA-4EP-2.5RC
A1
B1
A2
B2
J25MF-04V-K
SC-J6R-1
1
2
3
RAREA-E
1
2
3
A3
B3
A6
B6
A7
B7
A8
B8
A1
B1
A2
B2
SM511_CV202
AM03-010859A
J25DPM-20V-K
A1
B1
A2
B2
J25DPM-20V-K
SC-J11L
A1
B1
A2
B2
J25MF-04V-K
SC-J6R
SM511_CV117-1
AM03-010853B
1
2
3
4
SC-J11L-1 RAREA-R
DF1BA-4EP-2.5RC
1
2
3
4
DF1B-4S-2.5R
SM33_CV018
J90831141A
RAREA_R R_REV
BWP20-12
BROWN
BLACK
BLUE
WHITE
R_REV_AREA SENSOR
4
DF1BA-4EP-2.5RC
4
DF1B-4S-2.5R
SM33_CV018
J90831141A
RAREA_L R_TRN
BWP20-12
BROWN
BLUE
WHITE
BLACK
R_TRN_AREA SENSOR
DIP S/W SETTING
0N
4
3
1
2
REAR AREA SENSOR
REAR AREA SENSOR
J25DPM-20V-K
A6
B6
A7
B7
A8
B8
J25DPM-20V-K
SM511_CV201
AM03-010858A
SC-J5R
A6
B6
A7
B7
A8
B8
SC-J10L-2
J25MF-06V-K
SM511_CV115-1
AM03-010852B
1
2
3
FAREA-E
DF1BA-3EP-2.5RC
DF1B-4S-2.5R
SM33_CV016
J90831139A
F_REV
BWP20-12
BROWN
BLACK
BLUE
WHITE
F_REV_AREA SENSOR
FRONT AREA SENSOR
SM33_CV016
J90831139A
F_TRN
BWP20-12
BROWN
BLUE
WHITE
BLACK
F_TRN_AREA SENSOR
FRONT AREA SENSOR
1
2
3
DF1B-3S-2.5R
DIP S/W SETTING
0N
4
3
1
2
CN5
SM511_CS111
2
4
8
+24V
F ANC SOL
+24V
AM03-010805B
A1
B1
A2
B2
SC-J5R-3
10IN STOP SOL2
J25MF-04V-K J25DPM-20V-K
CV-CN5
7+24V
9
13
15
R ANC SOL
+24V
EXIT STOP SOL2
24-
20
22
+24V
REAR ERROR LAMP
DF1B-24DS-2.5RC
A7
B7
A8
B8
1
2
RANC-SOL
5559-02P
1
2
1
2
EXIT-STP-SOL2
5559-02P 5557-02R
1
2
1
2
3
4
R-OW-LAMP
43020-0400
1
2
3
4
2
4
8
10
7
9
13
15
24
20
22
J25DPM-20V-K
A7
B7
A8
B8
SC-J5R
SM511_CA201
AM03-010794A
SC-J10L
A1
B1
A2
B2
J25MF-04V-K
SM511_CS111-2
AM03-010806B
1
2
SC-J10L-3 FANC-SOL
5559-02P
1
2
IN-STOP-SOL2
5559-02P
SM511_CS111-1
AM03-011605A
1
2
F-ANC-SOL
SY100-30-4A
1
2
5557-02R
RED
BLACK
1
2
IN-STP-SOL2
SY100-30-4A
1
2
5557-02R
RED
BLACK
SM511_CS111-5
AM03-010807B
1
2
R-ANC-SOL
SY100-30-4A5557-02R
RED
BLACK
SM511_CS111-3
AM03-011606A
1
2
EXIT-STP-SOL2
SY100-30-4A
RED
BLACK
SM511_CS111-6
AM03-010808B
R ERROR LAMP
V1+_BASE_343

Page
+$1:+$
241
DECAN
F2
Conveyor IF Board (3/10)
NO. PART NO. PART NAME Q'TY Old No. Supply Supply LT Reference
1 AM03-010851B CABLE ASSY-F_AREA_SENSOR_J5R 1
2 AM03-010805B CABLE ASSY-FR_ANC_SOL R_ERROR_LAMP 1
3 J90831139A FRONT_AREA_SENSOR_CABLE_ASSY SM33-CV016 1
4 AM03-010858A CABLE ASSY-AX_X2_F_AREA_SNS_J5R-J10L 1
5 AM03-010859A CABLE ASSY-R_AREA_AIR_SNS_SUB_J6R-J11L 1
6 J90831141A REAR_AREA_SENSOR_CABLE_ASSY SM33-CV018 1
7 AM03-010794A CABLE ASSY-AXIO_CAN_FDR_UL_J3R-J8L 1
8 AM03-011606A CABLE ASSY-R_ANC_SOL-EXT2 1
9 AM03-010808B CABLE ASSY-EXIT_STOP_SOL2 1
10 AM03-010852B CABLE ASSY-F_AREA_SENSOR_J10L 1
11 AM03-010853B CABLE ASSY-REAR_AREA_SENSOR_J11R 1
12 AM03-010806B CABLE ASSY-R_ANC_SOL-EXT1 1
13 J90831139A FRONT_AREA_SENSOR_CABLE_ASSY SM33-CV016 1
14 J90831141A REAR_AREA_SENSOR_CABLE_ASSY SM33-CV018 1
15 AM03-011605A CABLE ASSY-F_ANC_SOL-EXT 1
16 AM03-010807B CABLE ASSY-IN_STOP_SOL2 1 AM03-010807A

Page
+$1:+$
242
DECAN
F2
Conveyor IF Board (4/10)