DECAN_F2_TRM(Ver6.2_CS17.02) - 第319页
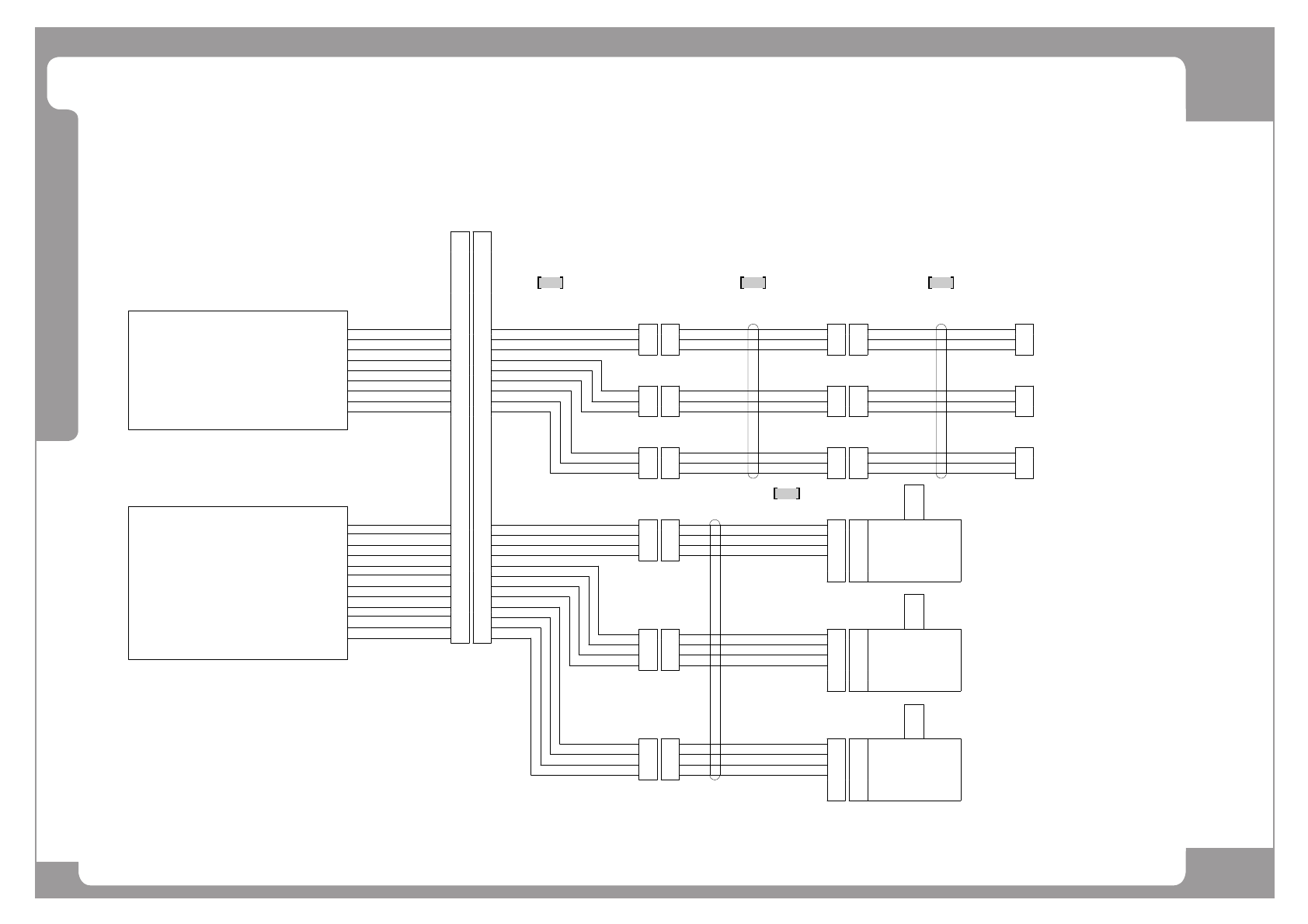
Page +$1:+$ 315 DECAN F2 Axis IO Board (16/16) NO. P ART NO. P ART NAME Q'TY Old No. Supply Supply L T Reference 1 AM03-01 1 156B CABLE ASSY -EX_CV_30P_MODULE_B_FUL L;1 1 2 AM03-01 1244A CABLE A SSY -EX_ CV_FULL_DUA…

Page
+$1:+$
314
DECAN
F2
Axis IO Board (16/16)
1 2
4
3
10
11
12
13
1
2
3
SM511_CS208-1
AM03-011156B
EX-R-OUT1
14
15
16
17
18
19
20
21
22
23
24
25
26
27
28
29
30
4
5
6
7
8
9
1
2
3
R-FDU-30P
1
2
3
EX-R-OUT2
1
2
3
EX-R-BD-OUT
1
2
3
IN-BELT3
4
1
2
3
1
2
3
1
2
3
1
2
3
4
SM511_CS209
AM03-011244A
1
2
3
EX-R-OUT1
1
2
3
EX-R-OUT2
1
2
3
EX-R-BD-OUT
1
2
3
1
2
3
1
2
3
SM511_CS205-3
AM03-011149B
갈
흑
청
Exit F PCB Out#1
갈
흑
청
Exit F PCB Out#2
SM511_CS205-4
AM03-011150A
RED
YELLOW
BLUE
ORANGE
Belt #3
MOTOR
Exit Front
1
3
4
6
2
5
1
3
4
6
2
5
10
11
12
13
14
15
16
17
18
19
20
21
22
23
24
25
26
27
28
29
30
4
5
6
7
8
9
2
3
1
2
3
IN-BELT4
4
1
2
3
4
RED
YELLOW
BLUE
ORANGE
Belt #4
MOTOR
Exit Front
1
3
4
6
2
5
1
3
4
6
2
5
1
2
3
IN-BELT2
4
1
2
3
4
RED
YELLOW
BLUE
ORANGE
Belt #2
MOTOR
Exit Front
1
3
4
6
2
5
1
3
4
6
2
5
1
갈
흑
청
Exit F BOARD Out
REAR CONVEYOR SENOR IF BD
BELT DRVER
OPTION- CONV Full Dual

Page
+$1:+$
315
DECAN
F2
Axis IO Board (16/16)
NO. PART NO. PART NAME Q'TY Old No. Supply Supply LT Reference
1 AM03-011156B CABLE ASSY-EX_CV_30P_MODULE_B_FULL;1 1
2 AM03-011244A CABLE ASSY-EX_CV_FULL_DUAL_LONG 1
3 AM03-019721A CABLE ASSY-IN_F_PCB_SEN_IN_WAIT_FULL 1
4 AM03-011150A CABLE ASSY-CV_BELT_STEP_MOTOR_FULL 1

Page
+$1:+$
316
DECAN
F2
Safety Control Board (1/8)