YSM40-100_cwd_je - 第2页
T able of contents /目次 YSM 40 P. 1 Overview/全体接続図 P. 2 Powercircuit-1-/電源回路図-1- P. 3 Powercircuit-2-/電源回路図-2- P. 4 Powercircuit-3-/電源回路図-3- …

YSM40
(2-beam)
Control Wiring Diagram
KLF-100-1301 (CWD)
Table of contents
/目次
YSM 40
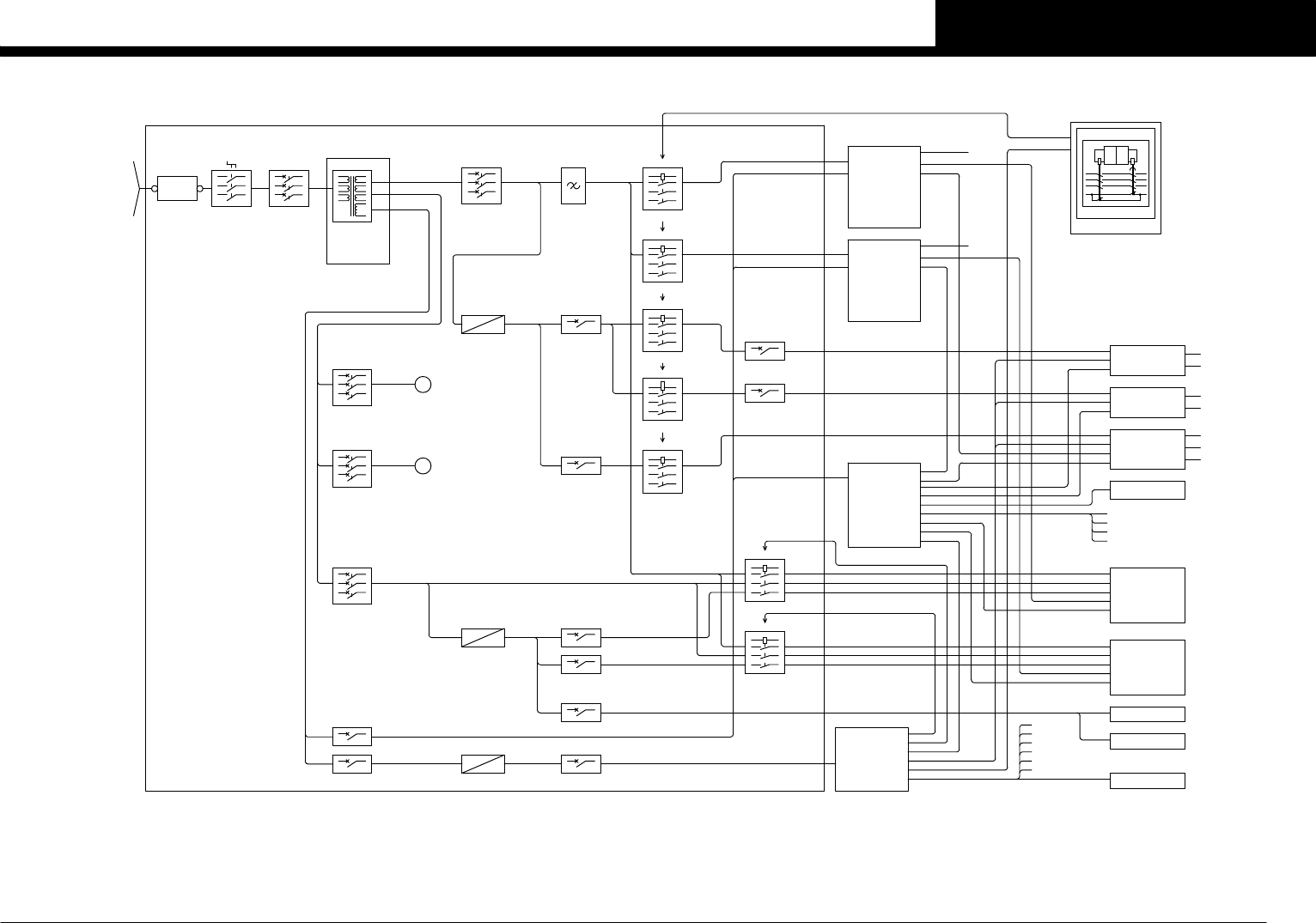
P. 1 Overview/全体接続図
P. 2 Powercircuit-1-/電源回路図-1-
P. 3 Powercircuit-2-/電源回路図-2-
P. 4 Powercircuit-3-/電源回路図-3-
P.5 Emergencycircuit-1-/非常停止回路図-1-
P. 6 Emergencycircuit-2-/非常停止回路図 -2-
P. 7 SystemC/R&ConveyorC/R /システムC/R&コンベア C/R接続図
P. 8 ServoC/R /サーボC/R接続図
P. 9 I/Oconveyor-1-/I/Oコンベアー接続図-1-
P.10 I/Oconveyor-2-/I/Oコンベアー接続図-2-
P.11 I/Oconveyor-3-/I/Oコンベアー接続図-3-
P.12 SafetyUnit/安全ユニット
P.13 Head/ヘッド
P.14 HSHead/HS ヘッド
P.15 MUHead/MU ヘッド
P.16 FLHead/FL ヘッド
P.17 Cameraunitsel/ カメラユニット接続図
P.18 Adapterpartssupplysel / アダプター パーツ 供給
P.19 Ionizerassyoption/イオナイザーオプション
P.20 Powertransformer/電源トランス接続図
P.21Aircircuit/ エアー回路図
P.23 Wiringpartslist /配線部品表
Condential & Proprietary

Confidential & Proprietary
PAGE
XB11
Terminal
Main Switch
QS11 40A
3∼ 3∼
Main Breaker
QF11 40A
POWER TRANSFORMER
Transformer
TERMINAL
TM11
3∼ AC230V
3∼ AC212V
1∼ AC110V
3∼ AC230V
Circuit
Protector
QF31 set10A
Power Supply
GS31 600W 12.5A
NF11
Filter
QF51 10A
KM11/KM11A
Contactor
Contactor
KM13/KM13A
Contactor
KM12/KM12A
Contactor
KM14/KM14A
Contactor
KM15/KM15A
QF52 3A
3∼ AC230V
DC48V
DC48V DC48V DC48V
DC48V
DC48V
POWER CIRCUIT
Power Supply
DC24V1
GS21 600W 27A
3∼ AC230V
3∼ AC230V
CV,W MOTOR
SENSOR
BATTERY
Z,R MOTOR
SENSOR,VALVE
Z,R MOTOR
SENSOR,VALVE
Noise
DC48V
DC48V
I/O CONVEYOR BOARD
CONVEYOR CONTROLLER
DC48V
DC24V1
ECAT
ECAT
DC48V
DC24V1
ECAT
DC48V
DC24V1
ECAT
Each
Motors
Each
Motors
INPUT:
OUTPUT:
DRIVER
3∼ 200V 0-375Hz
MOTOR :3∼ 230V
CONTROL:1∼ 110V
INPUT:
OUTPUT:
DRIVER
3∼ 200V 0-375Hz
MOTOR :3∼ 230V
CONTROL:1∼ 110V
INPUT:
CONTROL:1∼ 110V
ECAT
ECAT
ECAT
ECAT
ECAT
ECAT
SERVO CONTROL BOX 2
SERVO CONTROL BOX 1
SYSTEM CONTROL BOX
HEAD UNIT FRONT
HEAD UNIT REAR
Protector
QF32 set2.5A
3∼ AC212V
VACUUM
PUMP
400W
Circuit
QF22 7A
QF21 7A
1∼ AC110V
1∼ AC110V
See Page 2-4
M19
AC50/60Hz 2.0A(MAX)
AC50/60Hz 10.4A(MAX)
AC50/60Hz 2.0A(MAX)
AC50/60Hz 10.4A(MAX)
Circuit
Protector
QF33 set2.5A
3∼ AC212V
VACUUM
PUMP
400W
M20
(2.5-4A)
(2.5-4A)
(6-10A)
A02
A03
QF54 5A
QF55 5A
380/400/416V
200/208/220/240
3∼ 50/60Hz
Rating 13.9KVA MAX
ECAT
ECAT
MKY
MKY
MKY
A01
DC24V2
1∼ AC212V
3∼ AC230V
ECAT
MKY
EXCHANGEABLE ATS
EXCHANGEABLE FES46
FES46
F ADAPTER PARTS SUPPLY
See ATS
INTERCONNECTION DIAGRAM
TOUCH LCD
Contactor
KM16/KM16A
DC24V2
1∼ AC212V
3∼ AC230V
1∼ AC212V
Circuit
Protector
(2.5-4A)
QF34 set3A
QF43 7A
DC24V2
Power Supply
GS22 600W 25A
DC24V2 DC24V2
QF42 7A
DC24V2
Contactor
KM17/KM17A
1∼ AC212V
3∼ AC230V
R ADAPTER PARTS SUPPLY
DC24V2
1∼ AC212V
3∼ AC230V
MKY
ECAT
EXCHANGEABLE ATS
FES46
EXCHANGEABLE FES46
See ATS
INTERCONNECTION DIAGRAM
USB MEMORY
USB KEY/MS(OPTION)
BARCODE READER(OPTION)
QF44 3A
DC24V2 DC24V2
F.FDR SET ST.(OPTION)
DC24V2
R.FDR SET ST.(OPTION)
DC24V1
MKY
SIGNAL TOWER
COVER S/W
EMG S/W
FAN
VALVE
SENSOR
IONIZER ASSY(OPTION)
PARTS CAMERA UNIT SEL.
DC24V1
QF41 20A
1:3.80KW(TOTAL)
1:3.80KW(TOTAL)
2:1.50KW(TOTAL)
2:1.50KW(TOTAL)
Safety Relay
EMERGENCY CIRCUIT
KM10
K1
CH1 CH2
K2
See Page 5-6
See Page 8
See Page 8
See Page 20
See Page 7
CN1-CN19 …Page 9
CN20-CN30 …Page 10
CN31-CN45 …Page 11 See Page 19
See Page 11
See Page 11
See Page 18
See Page 18
See Page 18
See Page 18
See Page 17
See Page 7
FL HEAD See Page 16
MU HEAD See Page 15
HS HEAD See Page 14
FL HEAD See Page 16
MU HEAD See Page 15
HS HEAD See Page 14
3∼ 7KVA
1∼ 2KVA
CC.V3
1
OVER VIEW
YSM40-2