F1FeederPartsList - 第1053页
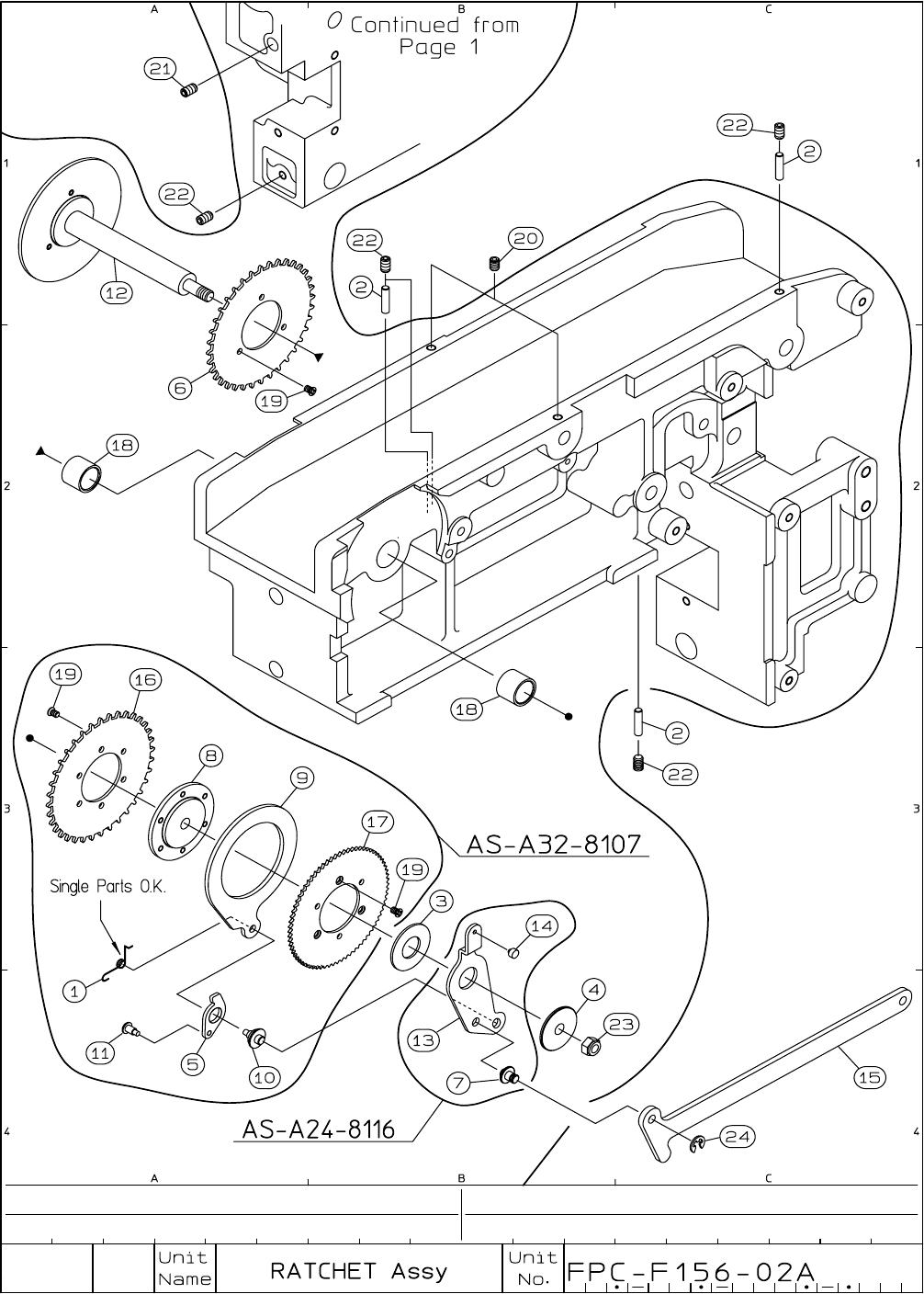
I・pulse F1 Series F1 - 56 (A type) 56mm No. Code No. Parts Name Q'ty Parts No. LG4-M7A20-000 SPROCKET ASSY 1 AS-A32-8107 LG4-M6A2A-000 RACKING SUB LEVER ASSY 1 AS-A24-8116 1 K87-M532D-000 SCREW COIL SPRING 1 CTF- 42…

9-3

I・pulse F1 Series
F1 - 56 (A type) 56mm
No. Code No. Parts Name Q'ty Parts No.
LG4-M7A20-000
SPROCKET ASSY 1 AS-A32-8107
LG4-M6A2A-000
RACKING SUB LEVER ASSY 1 AS-A24-8116
1 K87-M532D-000 SCREW COIL SPRING 1
CTF- 42- 11-1
2 K87-M111G-100 PUSH PIN 3
CTF-M08- 325
3 LG4-M6A2F-000 THRUST WASHER 1
CTF-A32- 08
4
LG4-M7A2E-000
LEVER METAL 1 FTA-A32-8108
5 K87-M112G-100 RACKING POLE 1
FTA-A08-1111
6 KW1-M4523-000 SPROCKET 1
FTA-A24-1104
7 KW1-M452W-000 STUD 1 FTA-A24-1118
8 LG4-M7A21-000 METAL 1
FTA-A32-8103
9 LG4-M6A22-000 RACKING MAIN LEVER 1
FTA-A24-8105
10 LG4-M6A25-000 RACKING POLE AXIS 1
FTA-A24-8110
11 LG4-M6A26-000 SPRING HOOK PIN 1 FTA-A24-8111-2
12
LG4-M9A2N-000
RATCHET AXIS 1
FTA-A56-8112
13
LG4-M6A2B-000
RACKING SUB LEVER 1 FTA-A24-8116
14
LG4-M6A2C-000
SHUTTER DRIVE PIN 1
FTA-A24-8116-1
15
LG4-M6A2D-000
MAIN ARM 1
FTA-A24-8117
16 LG4-M7A23-000 SPROCKET 1 FTA-A32-8104
17 LG4-M7A24-000 RATCHET 1
FTA-A32-8107
18 KW1-M552F-000 BEARING 2 MB0808DU
19 K87-M111P-000 SCREW,FLAT HEAD + 9 P2MK-3
20 K87-M111Y-000 SCREW , SET 2 3MY-4-F
21 K87-M23B3-000 SCREW , SET 1 3MY-5
22 K87-M111R-000 SCREW , SET 5 3MY-5-F
23 K87-M55BL-000 U NUT 1 4MH-U
24 K87-M11B9-000 CIRCLIP E 1 E-24
25
26
27
28
29
30
31
32
9-4

9-5