F1FeederPartsList - 第1055页
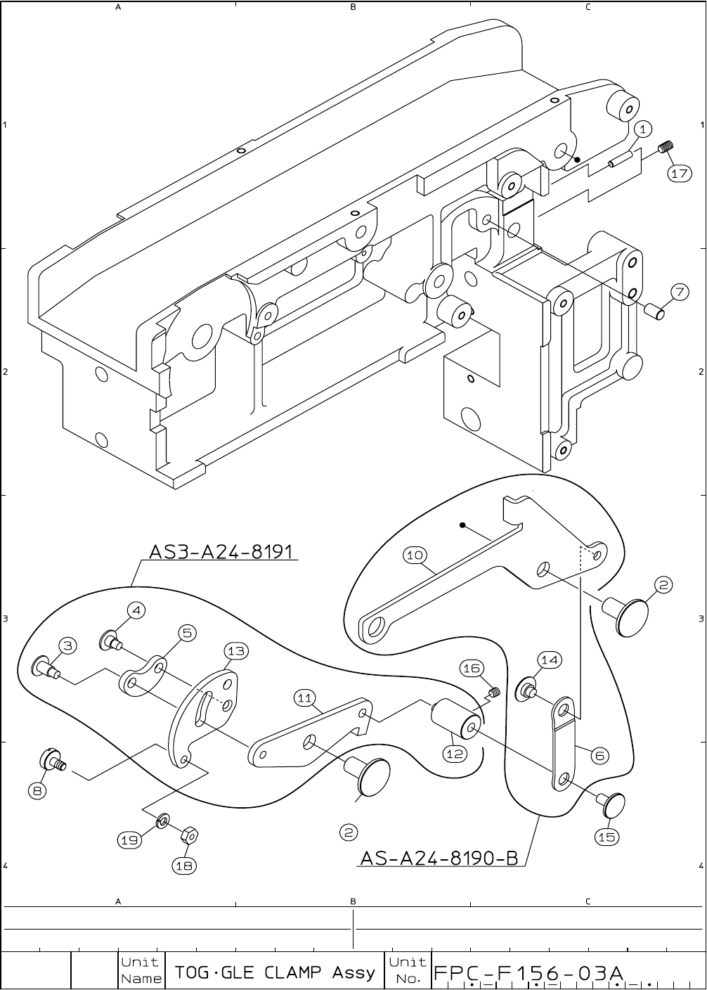
I・pulse F1 Series F1 - 56 (A type) 56mm No. Code No. Parts Name Q'ty Parts No. LG4-M6A30-000 HOLD LEVER ASSY 1 AS-A24-8190-B LG4-M9A3A-000 CLAMP LEVER 1 AS3-A24-8191 1 K87-M111G-100 PUSH PIN 1 CTF-M08- 325 2 LG4-M1A…

9-5

I・pulse F1 Series
F1 - 56 (A type) 56mm
No. Code No. Parts Name Q'ty Parts No.
LG4-M6A30-000
HOLD LEVER ASSY 1 AS-A24-8190-B
LG4-M9A3A-000
CLAMP LEVER 1 AS3-A24-8191
1 K87-M111G-100 PUSH PIN 1
CTF-M08- 325
2
LG4-M1A1K-000
LEVER AXIS PIN 2
FTA-A08-8130-B
3
LG4-M1A3A-000
HINGE PIN 1 1
FTA-A08-8191-1
4
LG4-M1A3B-000
HINGE PIN 2 1
FTA-A08-8192-1
5
LG4-M1A36-000
ARM 1
FTA-A08-8193
6
LG4-M1A33-000
LINK PLATE 1
FTA-A08-8194
7
LG4-M1A3L-000
CLANK ARM AXIS PIN 1
FTA-A08-8195
8
LG4-M1A37-000
ADJUST CLAMP PIN 1
FTA-A08-8196
9
10
LG4-M6A31-000
HOLD LEVER 1 FTA-A24-8190-B
11
LG4-M6A3B-000
CLAMP LEVER 1 FTA-A24-8191
12
LG4-M9A3D-000
STUD 1 FTA-A56-8191
13
LG4-M6A3C-000
CLANK ARM 1 FTA-A24-8192
14
LG4-M6A32-000
LINK PIN T 1
FTA-A24-8198
15
LG4-M6A39-000
LINK PIN U 1
FTA-A24-8199
16 K87-M111T-000 SCREW , SET 1 3MY-3-F
17 K87-M111R-000 SCREW , SET 2 3MY-5-F
18
K87-M21BN-000 SCREW NUT 1
3MH
19 K87-M21BM-000 SPRING LOCK WASHER 1
3MU
20
21
22
23
24
25
26
27
28
29
30
31
32
9-6

9-7