F1FeederPartsList - 第1087页
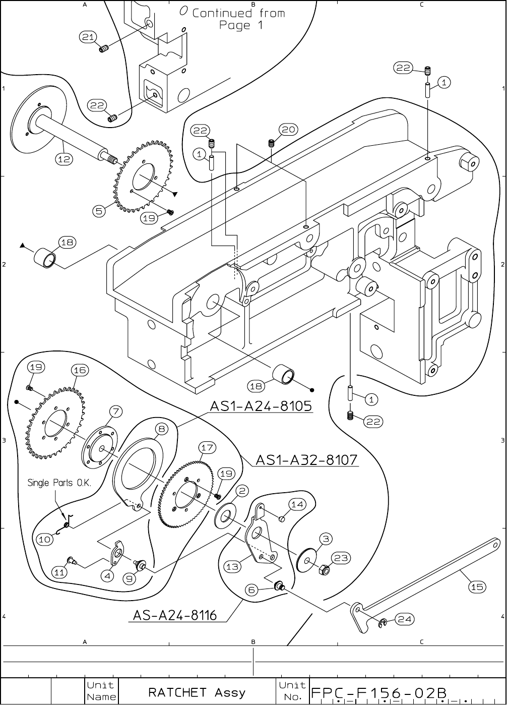
I・pulse F1 Series F1-56 (C type) P 1 No. Code No. Parts Name Q'ty Parts No. LG4-M9A10-002 BODY ASSY 1 AS-A56-8101-C LG4-M6A1M-000 MAIN LEVER ASSY 1 AS-A24-8145 1 LG4-M1A1L-000 THRUST WASHER 1 CTF- 53- 38-02 2 KW1-M4…

9C-1

I・pulse F1 Series
F1-56 (C type)
P 1
No. Code No. Parts Name Q'ty Parts No.
LG4-M9A10-002 BODY ASSY
1
AS-A56-8101-C
LG4-M6A1M-000 MAIN LEVER ASSY
1
AS-A24-8145
1
LG4-M1A1L-000 THRUST WASHER
1
CTF- 53- 38-02
2 KW1-M4578-000 STUD 2 CTF- 54- 44
3
KW1-M221F-100 STOPPER PIN
1
CTF-M12- 313
4
K87-M211B-000 BACK STOPPER AXIS
1
CTF-M12- 315
LG4-M6A19-000 BACK STOPPER RE. SP.
1 CTF- 55- 561
LG4-M6A19-001 BACK STOPPER RE. SP.
1 FTA-A24-8114-98
6 KW1-M451H-000 BACK STOPPER 1 FTA-A24-1114
7
LG4-M9A11-002
BODY 1
FTA-A56-8101-C
8
LG4-M6A12-000
MAIN GUIDE PIN 1
FTA-A24-8102
9
LG4-M1A13-000 LOCATE PIN R
1
FTA-A08-8103-B
10
LG4-M1A14-001 LOCATE PIN F
1
FTA-A08-8104-C
11
LG4-M4A15-000
PLUG HOLDER GUIDE
1
FTA-A12-8105
12
LG4-M1A16-000 PLUG HOLDER
1
FTA-A08-8106
13
LG4-M1A1K-000 LEVER AXIS PIN
1
FTA-A08-8130-B
14
LG4-M6A1R-000
STUD 1 FTA-A24-8144
15
LG4-M6A1N-000 MAIN LEVER
1
FTA-A24-8145
16
LG4-M6A1P-000
ARM 1 FTA-A24-8147
17 K87-M56C1-000
BARB CONNECTOR
1
BF4BU
18
LG4-M1AB2-000 PLUG
1
MA-MC05PM
19
LG4-M6ABA-000 AIR HOSE
1
U4B-180
20 K87-M111Y-000 SCREW,SET 1 3MY-4-F
21 K87-M23B3-000 SCREW,SET 2
3MY-5
22 LG4-M1AD1-000
CIRCULAR RIVET
1
2-8
23
K87-M1115-000 CIRCULAR RIVET
1
2-10
24
LG4-M1AD2-000 CIRCLIP C
1
STW-7
25 K87-M11B9-000
CIRCLIP E
3 E.24
26
27
28
29
30
31
※1...F1-56-117C~
※1
5
9C-2

9C-3