TR7DN-Rev01 - 第49页
- 46 - REF . NO N O T E PA RT NO D E S C R I P T I O N 品 名 Q ty 1 4 0 1-1 9 78 4 YA L I MIT + SEN SO R C ABLE ASM YA LIMIT + センサケーブル組 1 2 4 0 1-1 9 78 5 YA ORG/LIMIT- SENSOR C ABLE ASM YA ORG / LIMIT − センサケーブル組 1 3 4 0 1…

- 45 -
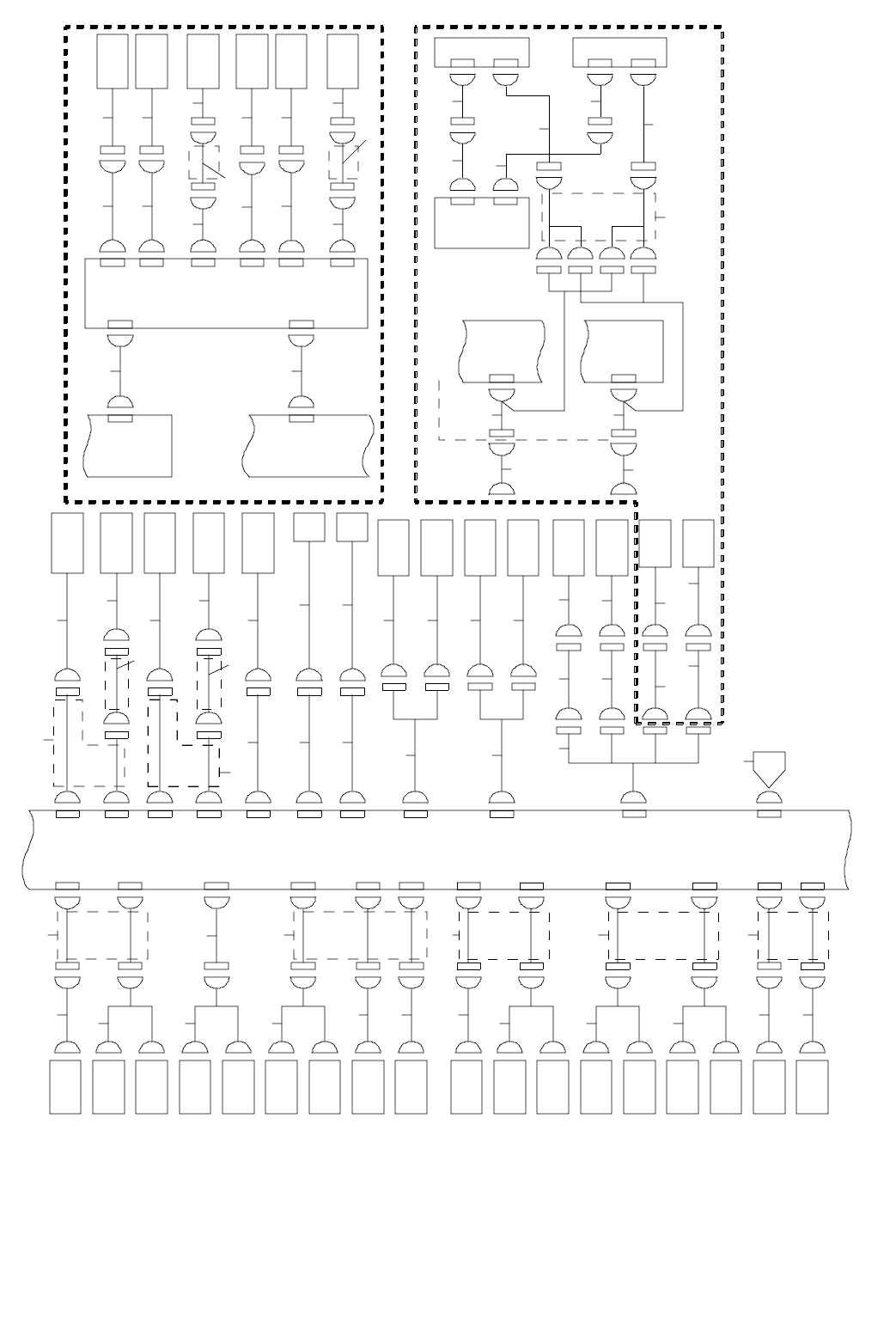
23.SYSTEM DIAGRAM (3)
SYSTEM DIAGRAM(3)
RFID SCN PCB
SLOW MODE PCB
MAIN PCB(6/6)
MAIN PCB(5/6)
MAIN PCB(4/6)
SC N P CB (4 / 4)
SCN PCB(3/4)
3_4C
3_4C
3_4B
3_4C
2_3D
3_2D
3_3A
2_5D
COJISCAN
ANTENNA
ARRAY
14mm 20
COJISCAN
ANTENNA
ARRAY
14mm 20
AN T A 1
AN T B 1
S UNX ,E X- 19 A
SU NX ,E X- 19 A
SU NX ,E X- 19 A
SU NX ,E X- 19 A
SU NX
PM 2- LH 1 0B
SU NX
PM 2- LH 1 0B
SU NX
PM 2- LH 1 0B
SU NX
PM 2- LH 1 0B
ALEPH
OJ-JK02-N47
ALEPH
OJ-JK02-N47
ALEPH
OJ-JK02-N47
ALEPH
OJ-JK02-N47
ALEPH
OJ-JK02-N47
ALEPH
OJ-JK02-N47
ALEPH
OJ-JK02-N47
ALEPH
OJ-JK02-N47
AL EP H
OJ -J K0 1 -N 47
ALEPH
OJ-JK02-N47
AL EP H
OJ -J K0 1 -N 47
AL EP H
OJ -J K0 1 -N 47
ALEPH
OJ-JK02-N47
AL EP H
OJ -J K0 1 -N 47
ANT B2
CN151
CN152
ANT A2
CN160
CN159
CN 15 6
CN 15 4
CN 15 5
CN 15 3
CN422
CN22
S- I/ F
P- I/ F
CN113
CN110
CN112
CN111
CN 12 8
CN 12 7
CN109
CN108
CN23
CN08
CN07
CN02
CN06
CN05
CN04
CN03
CN0 1CN20
SUNX,PM-Y44
SUNX,PM-Y44
SUNX,EX-19A
SUNX,EX-19A
CN164
CN 16 3
CN 16 2
CN161
CN158
CN145
CN157CN 14 4
CN 14 9
CN 148
CN 14 7
CN146
C N14 3
CN038
C N13 5
CN092CN 09 1
CN141
CN142
CN037
CN036
CN 18
CN 19
CN25
CN09
CN37
CN03
CN02
CN47
CN57
CN59
CN23
CN 61CN 180
CN53CN 17 9
CN39CN 17 8
CN38CN 17 7
CN32CN 17 6
CN28CN 17 5
CN50CN 17 4
CN43CN 17 3
CN 51CN 17 2
CN42
CN171
CN33
CN 170
CN29
CN 16 9
RFID OPTION
SLOW MODE OPTION
In si de o f TR 7D N
ZB CABLE BEAR
ZA CABLE BEAR
SLOW
MODE1
( TRA Y H LD A1 )
SLOW
MODE1
( TRA Y H LD A1 )
SLOW
MODE1
( TRA Y H LD A1 )
SLOW
MODE1
( TRA Y H LD A1 )
SLOW
MODE1
( TRA Y H LD A1 )
SLOW
MODE1
( TRA Y H LD A1 )
IS POSI
B SENS
IS POSI
A SENS
Y C RASH
SENS(EMITTER)
Y CRASH
SE NS (R EC EI VE R)
CMP NT
10.5(EMITTER)
CM PN T
23 .5 (R EC EI VE R)
CMP NT
23.5(EMITTER)
CM PN T
10 .5 (R EC EI VE R)
FAN
(YA)
FAN
(YA)
Y CENT S.V
SHT OPEN B S.V
TRAY HLD B S.V
ZB CABLE BEAR
SHT OPEN A S.V
TRAY HLD A S.V
ZA CABLE BEAR
TRAY B SENS-
TRAY RLS B2
TRAY HLD B2
TRAY B SENS+
TRAY RLS B1
TRAY HLD B1
YB LMT- SENS
YB ORG SENS
YB LMT+ SENS
TRAY A SENS-
TRAY RLS A2
TRAY HLD A2
TRAY A SENS+
TRAY RLS A1
TRAY HLD A1
YA LMT- SENS
YA ORG SENS
YA LMT+ SENS
1
2
3
4
5
6
78
9
10
11
12 13
15
14
16 17
18
21
19
20
23
22
25
27
28
29
30
31
32
33
34
35 36
37
38 39
40
41 43
42 44
61
62
63
64
45 46
47
48
49
50
51
53
54
55
56
57
58
60
52
59
65 67
6866
26
24
71
72
73
74
75
70
69

- 46 -
REF.NO NOTE PART NO D E S C R I P T I O N
品 名
Qty
1 401-19784 YA LIMIT+ SENSOR CABLE ASM
YA LIMIT + センサケーブル組
1
2 401-19785 YA ORG/LIMIT- SENSOR CABLE ASM YA ORG / LIMIT − センサケーブル組 1
3 401-19783 YA LMT SENSOR CABLE ASM
YA LMT センサケーブル組
1
4 401-19787 TRAY HLD/RLS A1 SENSOR CABLE 2 ASM
TRAY HLD / RLS A 1 センサケーブル2組
1
5 401-19786 TRAY HLD/RLS A1 SENSOR CABLE 1 ASM
TRAY HLD / RLS A 1 センサケーブル1組
1
6 401-19789 TRAY HLD/RLS A2 SENSOR CABLE A ASM
TRAY HLD / RLS A 2 センサケーブル A 組
1
7 401-17202 TRAY A SENSOR+ CABLE ASM TRAY A SENSOR + ケーブル組 1
8 401-17203 TRAY A SENSOR- CABLE ASM
TRAY A SENSOR − ケーブル組
1
9 401-19788 TRAY A SENSOR CABLE ASM
TRAY A センサケーブル組
1
10 401-19793 YB LIMIT+ SENSOR CABLE ASM
YB LIMIT + センサケーブル組
1
11 401-19792 YB LMT SENSOR CABLE ASM
YB LMT センサケーブル組
1
12 401-19794 YB ORG/LIMIT- SENSOR CABLE ASM YB ORG / LIMIT − センサケーブル組 1
13 401-19796 TRAY HLD/RLS B1 SENSOR CABLE ASM
TRAY HLD / RLS B 1 センサケーブル組
1
14 401-19797 TRAY HLD/RLS B2 SENSOR CABLE ASM
TRAY HLD / RLS B 2 センサケーブル組
1
15 401-19795 TRAY B HLD/RLS SENSOR CABLE ASM
TRAY B HLD / RLS センサケーブル組
1
16 401-17215 TRAY B SENSOR+ CABLE ASM
TRAY B センサ+ ケーブル組
1
17 401-17216 TRAY B SENSOR- CABLE ASM TRAY B センサ− ケーブル組 1
18 401-19798 TRAY B SENSOR CABLE ASM
TRAY B センサケーブル組
1
19 401-22307 TRAY HOLD/SHT A S.V. CABLE ASM
TRAY HOLD / SHT A S.V.ケーブル組
1
20 401-17205 TRAY HOLD A S.V. ASM
TRAY HOLD A S.V.組
1
21 401-17243 SENSOR SHORT CABLE ASM
センサ SHORT ケーブル組
1
22 401-19889 SHT OPEN A S.V. CABLE 2 ASM SHT OPEN A S.V.ケーブル2組 1
23 401-17207 SHT OPEN A S.V. ASM
SHT OPEN A S.V.組
1
24 401-19804 TRAY HOLD/SHT B S.V. CABLE ASM
TRAY HOLD / SHT B S.V.ケーブル組
1
25 401-17218 TRAY HOLD B S.V. ASM
TRAY HOLD B S.V.組
1
26 401-19890 SHT OPEN B S.V. CABLE 2 ASM
SHT OPEN B S.V.ケーブル2組
1
27 401-17220 SHT OPEN B S.V. ASM SHT OPEN B S.V.組 1
28 401-19402 Y CENT S.V. CABLE ASM
Y CENT S.V.ケーブル組
1
29 401-19403 Y CENT S.V. ASM
Y CENT S.V.組
1
30 401-17208 FAN MOTOR(YA MOTOR) CABLE ASM
FAN モータ(YA モータ)ケーブル組
1
31 400-49579 FAN MOTOR(Y MOTOR) ASM
FAN モータ(Y モータ)組
1
32 401-17221 FAN MOTOR(YB MOTOR) CABLE ASM FAN モータ(YB モータ)ケーブル組 1
33 401-17222 FAN MOTOR(YB MOTOR) ASM
FAN モータ(YB モータ)組
1
34 401-17209 CMPNT SENSOR R CABLE ASM
CMPNT センサ R ケーブル組
1
35 401-17237 CMPNT10.5 RECEIVE SENSOR ASM
CMPNT 10.5 受光センサ組
1
36 401-17238 CMPNT23.5 SENS ASM
CMPNT 23.5 センサ組
1
37 401-17210 CMPNT SENSOR L CABLE ASM
CMPNT センサ L ケーブル組
1
38 401-17239 CMPNT23.5 RECEIVE SENSOR ASM CMPNT 23.5 受光センサ組 1
39 401-17240 CMPNT10.5 SENSOR ASM
CMPNT 10.5 センサ組
1
40 401-17613 SENSOR CABLE ASM
センサケーブル組
1
41 401-19893 Y CRASH SENSOR (REC)RELAY CABL ASM
Y CRASH センサ (受光)リレーケーブル組
1
42 401-19883 Y CRASH RECEIVER SENSOR ASM
Y CRASH 受光センサ組
1
43 401-19894 Y CRASH SENSOR (EMI)RELAY CABL ASM Y CRASH センサ (投光)リレーケーブル組 1
44 401-19884 Y CRASH EMITTER SENS ASM
Y CRASH 投光センサ組
1
45 400-45174 SLOW MODE CABLE ASM
スローモードケーブル組
1
46 400-49701 SLOW MODE POWER CABLE ASM
スローモードパワーケーブル組
1
47 401-17246 SLOW MODE(TRAY HLD A1) CABLE ASM
スローモード(トレイ HLD A 1)ケーブル組
1
48 400-45177 SLOW MODE(HR UP) ASM スローモード(HR UP)組 1
49 401-17247 SLOW MODE(TRAY HLD A2) CABLE ASM
スローモード(トレイ HLD A 2)ケーブル組
1
50 400-45179 SLOW MODE(HR DOWN) ASM
スローダウン(HR DOWN)組
1
51 401-17248 SLOW MODE(SHT A) CABLE ASM
スローモード(SHT A)ケーブル組
1
52 401-17257 SLOW MODE(SHT A) CABLE 2 ASM
スローモード(SHT A)ケーブル2組
1
53 400-49706 SLOW MODE(SHT) ASM スローモード(SHT)組 1
54 401-17249 SLOW MODE(TRAY HLD B1) CABLE ASM
スローモード(トレイ HLD B 1)ケーブル組
1
55 400-45183 SLOW MODE(HL DOWN) ASM
スローモード(HL DOWN)組
1
56 401-17250 SLOW MODE(TRAY HLD B2) CABLE ASM
スローモード(トレイ HLD B 2)ケーブル組
1
57 400-45185 SLOW MODE(SHT) ASM
スローモード(SHT)組
1
58 401-17251 SLOW MODE(SHT B) CABLE ASM スローモード(SHT B)ケーブル組 1
59 401-17258 SLOW MODE(SHT B) CABLE 2 ASM
スローモード(SHT B)ケーブル2組
1
60 400-45187 SLOW MODE(TRAY) ASM
スローモード(トレイ)組
1
61 401-17609 IS INPOSI A SENSOR RELAY CABLE ASM
IS INPOSI A センサリレーケーブル
1
62 401-17610 IS INPOSI A SENSOR CABLE ASM
IS INPOSI A センサケーブル組
1
63 401-17611 IS INPOSI B SENSOR RELAY CABLE ASM IS INPOSI B センサリレーケーブル 1
64 401-17612 IS INPOSI B SENSOR CABLE ASM
IS INPOSI B センサケーブル組
1
65 401-17224 MTS P-I/F CABLE ASM
MTS P−I/Fケーブル組
1
66 401-17252 RFID I/F CABLE ASM
RFID I / F ケーブル組
1
67 401-17225 MTS S-I/F CABLE ASM
MTS S−I/Fケーブル組
1
68 400-96123 RFID I/F CABLE ASM RFID I / F ケーブル組 1
69 401-17256 ANTENNA ARRAY A CABLE ASM
アンテナアレイ A ケーブル組
1
70 401-17259 ANTENNA ARRAY RFID I/F CABLE ASM
アンテナアレイ RFID I / F ケーブル組
1
71 401-17253 SCN ANTENNA B CABLE ASM
SCN アンテナ B ケーブル組
1
72 400-75451 MTC/MTR INPUTS CABLE
MTC / MTR 入力ケーブル
1
73 401-17254 SCN ANTENNA A CABLE ASM
SCN アンテナ A ケーブル組
1
74 401-17255 ANTENNA ARRAY B CABLE ASM アンテナアレイ B ケーブル組 1
75 400-75451 MTC/MTR INPUTS CABLE
MTC / MTR 入力ケーブル
1

- 47 -
24.SYSTEM DIAGRAM (4)(FOR CE)
SYSTEM DIAGRAM(4)(CE 用)
RLY7
D1
011
0
22
21
MC5
23 24
RLY3
34
12
34
12
SRLY2
SRLY1
01_ 5B
(CE )
01 _2D
(C E)
0 1_2 D
( CE)
01_2D
(CE)
01_2D
(CE)
44 43
34 33
34 33
34 3 3
MC5
A2 A1
10
10
CN067-A
10
34 3 334 33
23 24
22
21
22 21 22 21
CN 116 -BCN116-A
MC4
RLY6
RLY5
RLY4
SC-03/G DC24V
SC-03/G DC24V
G7SA-3A1B DC24V
G7SA-3A1B DC24V
G7SA-3A1B DC24V
G7 SA-3A1B D C24V
FU JI
FU JI
OMRON
OMRON
OMRON
OMRON
RLY3
MC5
MC4
RLY6
RLY5
RLY4
1
A2 A1
RLY6
RLY4
MC4 MC1
RLY6
RLY5
RLY7
MC2
RLY7
RLY3
RLY3
CN107-A
-
TB 2
+
+
-
TB2
-
-
1_1B
(CE)
CN067-B
CN 115 -B
TB2
-
-
CN 11 5-A
5_4C
(CE)
TB2
+
+
TB2
+
+
TB2
-
+
CN076
5_4B
(CE) CN078
5_4B
(CE)
CN107-B
DOOR A OPEN SW
31
11
32
12
CN074
CN072
CN075
DOOR B OPEN SW
CN073
31
11
32
12
TB2
-
+
YB
YA
K2
K1
bK2
K2
K1
a
K1
TH
SA
b
a
Control
Circuit
42342414BAT23 T22T21PE
A2 41332313T32T31T1 2T11A1
K2
K1
bK2
K2
K1
a
K1
TH
SA
b
a
Con tr ol
Cir cu it
42342414BAT23 T22T2 1PE
A2 41332313T32T3 1T12T1 1A1
1
2
3
4
14
15
12
13
9
5
6
8
7
3
4
11
17
19
16
18
10
23
24
25
26
32
34
33
31
28
30
29
27
36
22
20
35
22
20
21
37
38
39
40
41
42
43
44
45
RLY7 OMRON G7SA-3A1B DC24V