TR7DN-Rev01 - 第51页
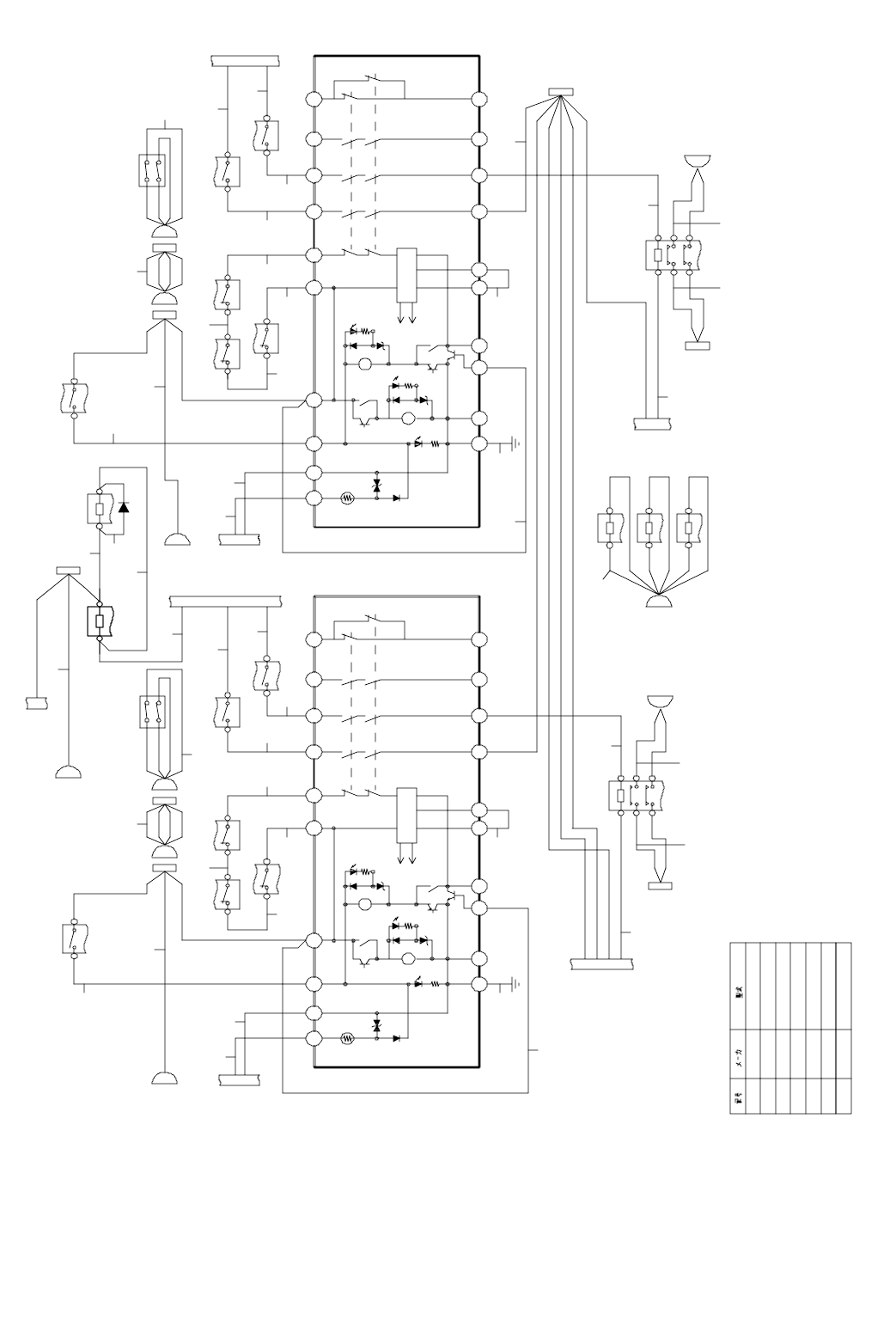
- 48 - REF .NO N OTE PART NO D E S C R I P T I O N 品 名 Q ty 1 4 0 1-1 3 76 5 RL Y3-3 4 CABLE ASM RLY 3−34 ケーブル組 1 2 4 0 1-1 3 76 4 DO OR A OPEN SW CAB LE 1 ASM (EN) ドア A オープン SW ケーブル1組(EN) 1 3 4 0 1-1 7 27 4 SRL Y PO W E…

- 47 -
24.SYSTEM DIAGRAM (4)(FOR CE)
SYSTEM DIAGRAM(4)(CE 用)
RLY7
D1
011
0
22
21
MC5
23 24
RLY3
34
12
34
12
SRLY2
SRLY1
01_ 5B
(CE )
01 _2D
(C E)
0 1_2 D
( CE)
01_2D
(CE)
01_2D
(CE)
44 43
34 33
34 33
34 3 3
MC5
A2 A1
10
10
CN067-A
10
34 3 334 33
23 24
22
21
22 21 22 21
CN 116 -BCN116-A
MC4
RLY6
RLY5
RLY4
SC-03/G DC24V
SC-03/G DC24V
G7SA-3A1B DC24V
G7SA-3A1B DC24V
G7SA-3A1B DC24V
G7 SA-3A1B D C24V
FU JI
FU JI
OMRON
OMRON
OMRON
OMRON
RLY3
MC5
MC4
RLY6
RLY5
RLY4
1
A2 A1
RLY6
RLY4
MC4 MC1
RLY6
RLY5
RLY7
MC2
RLY7
RLY3
RLY3
CN107-A
-
TB 2
+
+
-
TB2
-
-
1_1B
(CE)
CN067-B
CN 115 -B
TB2
-
-
CN 11 5-A
5_4C
(CE)
TB2
+
+
TB2
+
+
TB2
-
+
CN076
5_4B
(CE) CN078
5_4B
(CE)
CN107-B
DOOR A OPEN SW
31
11
32
12
CN074
CN072
CN075
DOOR B OPEN SW
CN073
31
11
32
12
TB2
-
+
YB
YA
K2
K1
bK2
K2
K1
a
K1
TH
SA
b
a
Control
Circuit
42342414BAT23 T22T21PE
A2 41332313T32T31T1 2T11A1
K2
K1
bK2
K2
K1
a
K1
TH
SA
b
a
Con tr ol
Cir cu it
42342414BAT23 T22T2 1PE
A2 41332313T32T3 1T12T1 1A1
1
2
3
4
14
15
12
13
9
5
6
8
7
3
4
11
17
19
16
18
10
23
24
25
26
32
34
33
31
28
30
29
27
36
22
20
35
22
20
21
37
38
39
40
41
42
43
44
45
RLY7 OMRON G7SA-3A1B DC24V

- 48 -
REF.NO NOTE PART NO D E S C R I P T I O N
品 名
Qty
1 401-13765 RLY3-34 CABLE ASM
RLY 3−34 ケーブル組
1
2 401-13764 DOOR A OPEN SW CABLE 1 ASM(EN)
ドア A オープン SW ケーブル1組(EN)
1
3 401-17274 SRLY POWER CABLE(+) ASM
SRLY パワーケーブル(+)組
2
4 401-17275 SRLY POWER CABLE(-) ASM
SRLY パワーケーブル(−)組
2
5 401-13766 EMERGENCY SW CABLE(CE) 1 ASM
エマージェンシ SW ケーブル(CE)1組
1
6 401-13799 RLY7-0 CABLE ASM
RLY 7−0 ケーブル組
1
7 401-17269 RELAY7 DIODE CABLE ASM
リレー7ダイオードケーブル組
1
8 401-13800 RLY7-1 CABLE ASM
RLY 7−1 ケーブル組
1
9 401-17261 DOOR A OPEN SW CABLE 2 ASM(EN)
ドア A オープン SW ケーブル2組(EN)
1
10 400-49621 DOOR M OPEN SW ASM
ドア M オープン SW 組
1
11 401-13767 RLY3-1 CABLE ASM
RLY 3−1 ケーブル組
1
12 401-13770 MC1-22 CABLE ASM
MC 1−22 ケーブル組
1
13 401-13771 SRLY1-T32 CABLE ASM
SRLY 1− T 32 ケーブル組
1
14 401-13769 MC4-22 CABLE ASM
MC 4−22 ケーブル組
1
15 401-21812 RLY3-24 CABLE ASM
RLY 3−24 ケーブル組
1
16 401-13772 RLY4-34 CABLE ASM
RLY 4−34 ケーブル組
1
17 401-13773 RLY4-33 CABLE ASM
RLY 4−33 ケーブル組
1
18 401-13774 RLY6-34 CABLE ASM
RLY 6−34 ケーブル組
1
19 401-13775 RLY6-33 CABLE ASM
RLY 6−33 ケーブル組
1
20 400-45220 SRLY-FG CABLE ASM
SRLY − FG ケーブル組
2
21 401-13776 SRLY1-T23 CABLE ASM
SRLY 1− T 23 ケーブル組
1
22 401-17282 SRLY-AB CABLE ASM
SRLY − AB ケーブル組
2
23 401-21810 RLY7-34 CABLE ASM
RLY 7−34 ケーブル組
1
24 401-13782 DOOR B OPEN SW CABLE 1 ASM(EN)
ドア B オープン SW ケーブル1組(EN)
1
25 401-17266 DOOR B OPEN SW CABLE 2 ASM(EN)
ドア B オープン SW ケーブル2組(EN)
1
26 400-49626 DOOR S OPEN SW ASM
ドア S オープン SW 組
1
27 401-13786 MC2-12 CABLE ASM
MC 2−12 ケーブル組
1
28 401-13787 SRLY2-T32 CABLE ASM
SRLY 2− T 32 ケーブル組
1
29 401-13785 MC5-22 CABLE ASM
MC 5−22 ケーブル組
1
30 401-21811 RLY7-24 CABLE ASM
RLY 7−24 ケーブル組
1
31 401-13788 RLY5-34 CABLE ASM
RLY 5−34 ケーブル組
1
32 401-13789 RLY5-33 CABLE ASM
RLY 5−33 ケーブル組
1
33 401-13790 RLY6-34 CABLE ASM
RLY 6−34 ケーブル組
1
34 401-13791 RLY6-33 CABLE ASM
RLY 6−33 ケーブル組
1
35 401-13792 SRLY2-T23 CABLE ASM
SRLY 2− T 23 ケーブル組
1
36 401-13777 SRLY1-14 CABLE ASM
SRLY 1−14 ケーブル組
1
37 401-13780 MC4-A2 CABLE ASM
MC 4− A 2 ケーブル組
1
38 401-13778 MC4 INPUT CABLE ASM
MC 4入力ケーブル組
1
39 401-13781 MC4-A1 CABLE ASM
MC 4− A 1 ケーブル組
1
40 401-13779 MC4 OUTPUT CABLE ASM
MC 4出力ケーブル組
1
41 401-13797 RL456 CONTACT CABLE ASM
RL 456コンタクトケーブル組
1
42 401-13795 MC5-A2 CABLE ASM
MC 5− A 2 ケーブル組
1
43 401-13793 MC5 INPUT CABLE ASM
MC 5入力ケーブル組
1
44 401-13796 MC5-A1 CABLE ASM
MC 5− A 1 ケーブル組
1
45 401-13794 MC5 OUTPUT CABLE ASM
MC 5出力ケーブル組
1

Revision Date
8110-00 2014.5
8110-01 2014.7
●仕様、 外観等はお断 り な く 変更する こ と があ り ま す。