P-0215-001.pdf - 第123页

MODEL TIM-X100F/R 01 12-001 121 Key No . P AR T No. P AR T NAME Q’ty REMARKS NOTE P-8 70 1 630 076 7759 GUIDE,LINEAR 4 750P--210-701 70 2 630 047 4596 BOL T ,HEX-SCT(BUTTON HEAD) 8 750P--210-702 70 3 630 070 1838 SEAL 4 …

100%1 / 222
MODEL TIM-X100F/R
0302-002
120
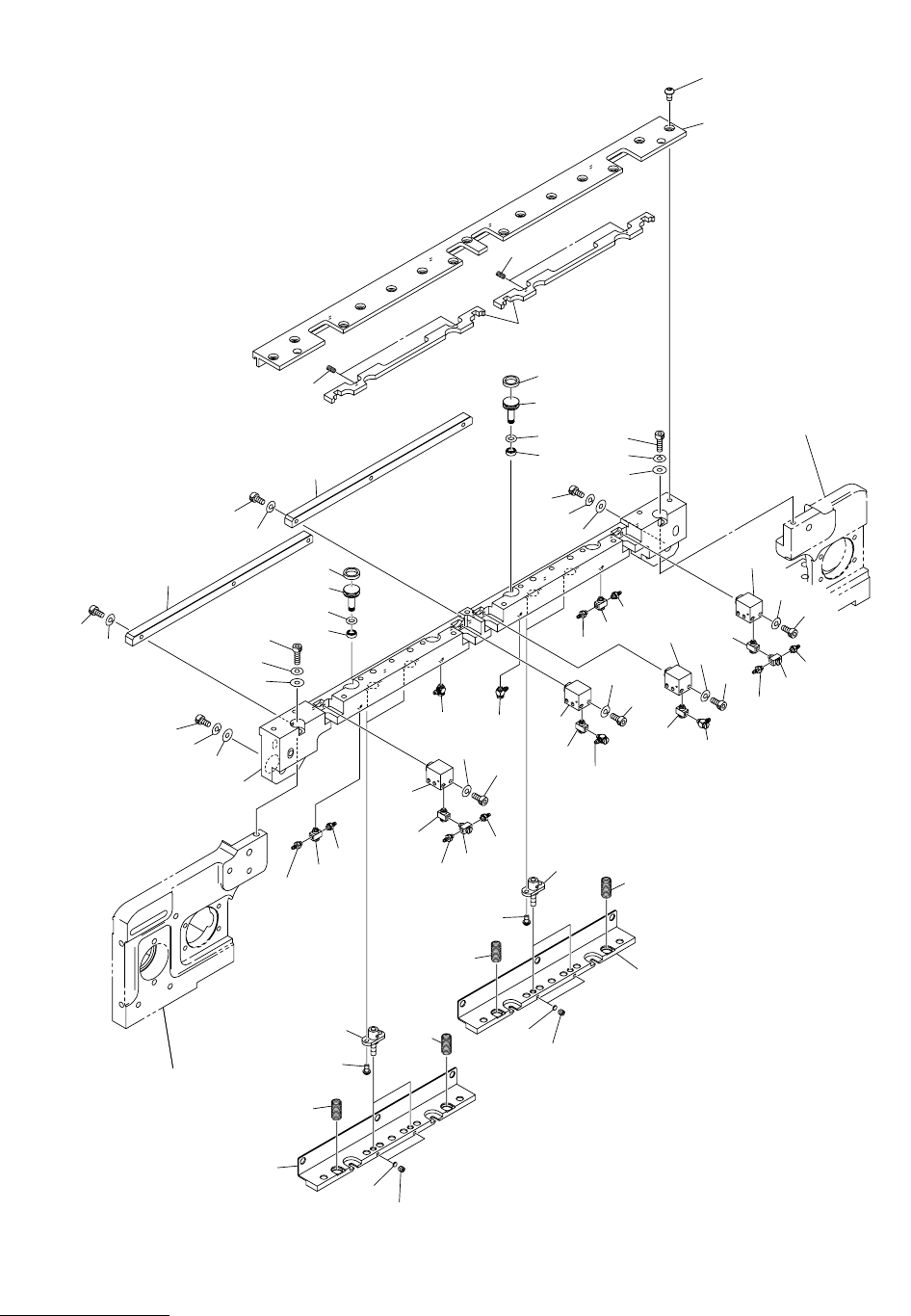
バックアップ部 BACK-UP SECTION
Fig. P-8 可動側シュート Movable Chute
Fig.P-8
TIM-X100-002
711
724
723
725
743
742
715
742
731
732
733
743
712
707
720
722
721
742
722
744
718
719
718
706
714
706
702
701
709
720
721
720
709
721
707
708
707
736
731
732
733
737
738
721
718
719
718
720
706
703
713
704
705
717
716
714
706
702
701
717
716
708
707
723
710
703
713
704
705
736
737
738
742
744
742
744
742
744
See Fig.P-6
Key No.510
See Fig.P-6
Key No.512
MODEL TIM-X100F/R
0112-001
121
Key No. PART No. PART NAME Q’ty REMARKS
NOTE
P-8
701 630 076 7759 GUIDE,LINEAR 4 750P--210-701
702 630 047 4596 BOLT,HEX-SCT(BUTTON HEAD) 8 750P--210-702
703 630 070 1838 SEAL 4 750P--210-703
704 630 003 3212 SEAL 4 750P--210-704
705 630 070 1845 SEAL 4 750P--210-705
706 630 002 3459 SPRING,COMP 4 750P--210-706
707 630 048 4656 PIPE FITTINGS 4 750P--210-707
708 630 076 9029 PIPE FITTINGS 2 750P--210-708
709 630 046 5556 PIPE FITTINGS 2 750P--210-709
710 630 076 8824 BOLT,HEX-SCT(BUTTON HEAD) 15 750P--210-710
711 630 108 7153 BLOCK 1 750P--210-711
712 630 097 7882 BLOCK 1 750P--210-712
713 630 078 8143 SHAFT 4 750P--210-713
714 630 095 8652 PLATE 2 750P--210-714
715 630 097 7912 BLOCK 1 750P--210-715
716 630 061 1434 SHEET 4 750P--210-716
717 630 008 1053 SET SCREW 4 750P--210-717
718 630 048 4656 PIPE FITTINGS 4 750P--210-718
719 630 076 9029 PIPE FITTINGS 2 750P--210-719
720 630 094 3795 PIPE FITTINGS 4 750P--210-720
721 630 094 1883 CYLINDER 4 750P--210-721
722 630 046 5556 PIPE FITTINGS 2 750P--210-722
723 630 002 1103 SPRING,COMP 4 750P--210-723
724 630 094 4785 PLATE 2 750P--210-724
725 630 097 7929 BLOCK 1 750P--210-725
731 411 141 4305 WASHER V 6X12.5X1.6 2 750P--210-731
732 411 141 3001 WASHER SPR 6 2 750P--210-732
733 630 000 7886 BOLT,HEX-SCT 2 750P--210-733
736 411 141 4107 WASHER V 5X10X1 2 750P--210-736
737 411 141 6705 WASHER SPR 5 2 750P--210-737
738 630 000 7800 BOLT,HEX-SCT 2 750P--210-738
739 630 000 7565 BOLT,HEX-SCT 8 750P--210-739
742 411 141 2806 WASHER SPR 3 14 750P--210-742
743 630 000 7510 BOLT,HEX-SCT 6 750P--210-743
744 630 000 7565 BOLT,HEX-SCT 8 750P--210-744
MODEL TIM-X100F/R
0302-002
122
バックアップ部 BACK-UP SECTION
Fig. P-9 基板ストッパ部 P.C.B Stopper
816
841
842
843
806
Fig.P-9
TIM-X100
832
833
833
806
838
839
840
818
817
841
842
834
805
834
819
832
833
813
807
805
835
836
803
843
842
841
806
812
840
839
806
815
841
842
843
832
833
838
828
827
826
835
836
843
819
828
827
826
832
843
843
806
816
832
833
841
806
815
832
833
841
842
843
See Fig.P-5
Key No.418