P-0215-001.pdf - 第62页
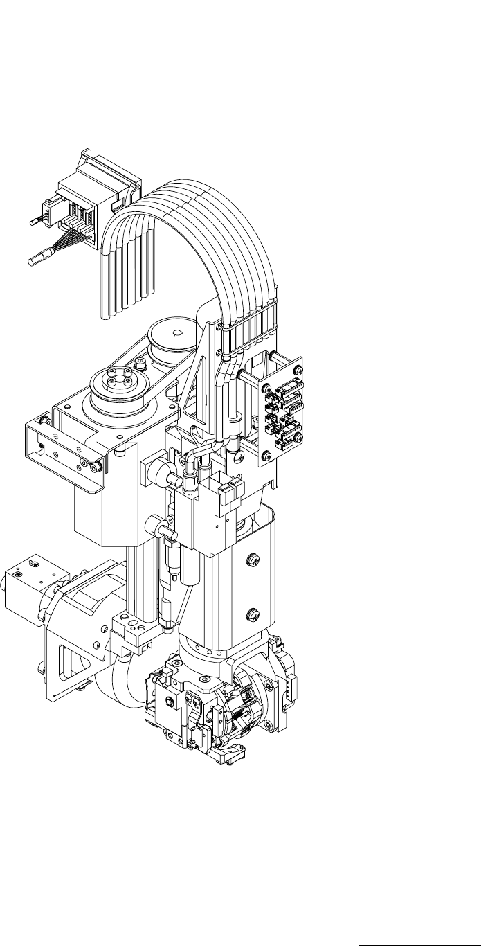
MODEL TIM-X100F/R 01 12-001 60 ヘッド部 L HEAD SECTION L Fig. MB-1 ノズル上下部 Nozzle Leveller 3 1 7 2 5 8 9 4 Fig.MB-1 TIM-X100 3

MODEL TIM-X100F/R
0302-002
59
Fig.MB
TIM-X100-002
Fig. MB ヘッド部 L HEAD SECTION L

MODEL TIM-X100F/R
0112-001
60
ヘッド部 L HEAD SECTION L
Fig. MB-1 ノズル上下部 Nozzle Leveller
3
1
7
2
5
8
9
4
Fig.MB-1
TIM-X100
3

MODEL TIM-X100F/R
0112-001
61
Key No. PART No. PART NAME Q’ty REMARKS
NOTE
MB-1
1 630 099 5503 GUIDE,LINEAR 6 750MB-210-001
2 630 111 7850 HOLDER 6 750MB-210-002
3 630 112 4421 BOLT,HEX-SCT 12 750MB-210-003
4 630 111 7867 SPRING,FLAT 6 750MB-210-004
5 630 095 4630 SHAFT 6 750MB-210-005
7 630 106 1191 SPRING,COMP 6 750MB-210-007
8 630 094 1128 SPACER 6 750MB-210-008
9 630 093 9460 CAM FOLLOWER 6 750MB-210-009