CM402-L 20070802 - 第119页
Ref No. Remarks R 1 Q'ty 6-I 基板 コ ン ベア L Board Conveyor L イラスト No. Part No. 品 名 品番 数量 R 2 パー ツ リ スト Kit No. キ ット 品番 Kit Name キ ット 名称 KXFX036LA00 Part Name 備 考 セクション No . PARTS LIST Section No. R 3 PULLEY 8 1 KXFB02Q…

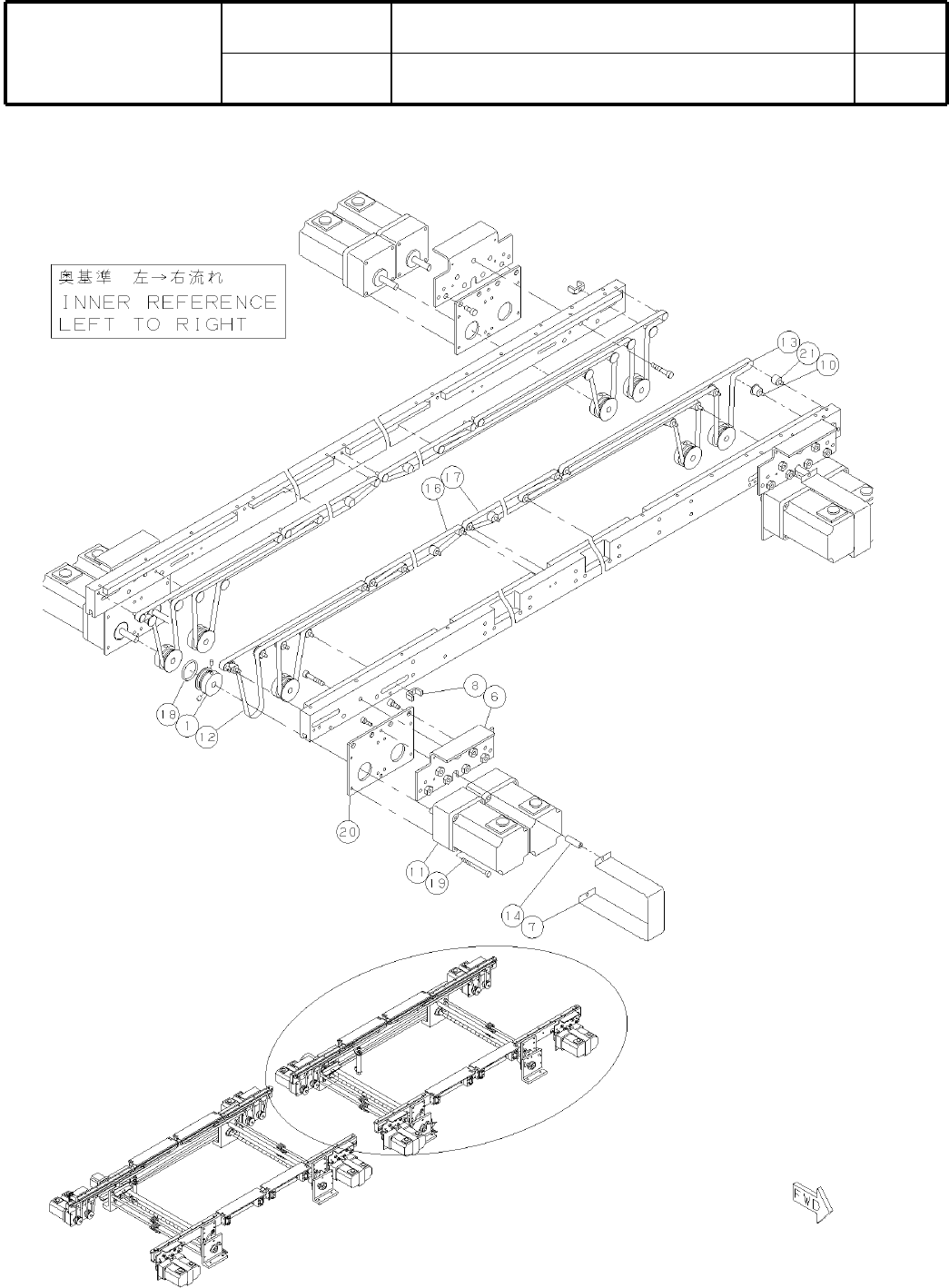
6-I
基板
コンベア
L
Board Conveyor L
パーツレイアウト
Kit No.
キット
品番
Kit Name
キット
名称
KXFX036LA00
セクション
No
.
PARTS LAYOUT
Section No.
-
-
M95
( KKXFX036LA00-10-9 )

Ref
No.
Remarks
R
1
Q'ty
6-I
基板
コンベア
L
Board Conveyor L
イラスト
No.
Part No.
品 名品番 数量
R
2
パーツリスト
Kit No.
キット
品番
Kit Name
キット名称
KXFX036LA00
Part Name
備 考
セクション
No
.
PARTS LIST
Section No.
R
3
PULLEY
8
1 KXFB02QLB00
BRACKET
4
6 KXFB02QQB01
BRACKET
2
7 KXFB0EMSA00
NUT
8
8 KXFB02U4A00
CAM-FOLLOWER
16
10 N510002167AA U-AS5-49
MOTOR
8
11 KXF0DWW9A00 K0354-F2M -2(DDA)
BELT
2
12 KXF0DKCAA00
A
XVT-952(DA 0DKCA)
BELT
2
13 KXF0DKDAA00
A
XVT-952(DA 0DKDA)
SPACER
2
14 N510017101AA CB-425E
BELT
2
16 KXF0DKEAA00
A
XVT-952(DA 0DKEA)
BELT
2
17 KXF0DKFAA00
A
XVT-952(DA 0DKFA)
O-RING
8
18 N510027860AA CO0025B
BOLT
32
19 N510017368AA
Hexagon socket head cap screw M4X45-10.9 A2J (Trivalent)
PLATE
4
20 N210006519AA
PULLEY
24
21 N510010794AA MB054000
M96
-
-
( KKXFX036LA00-10-9 )

6-J
基板
コンベア
L
Board Conveyor L
パーツレイアウト
Kit No.
キット
品番
Kit Name
キット
名称
KXFX036LA00
セクション
No
.
PARTS LAYOUT
Section No.
-
-
M97
( KKXFX036LA00-10-10 )