CM402-L 20070802 - 第430页
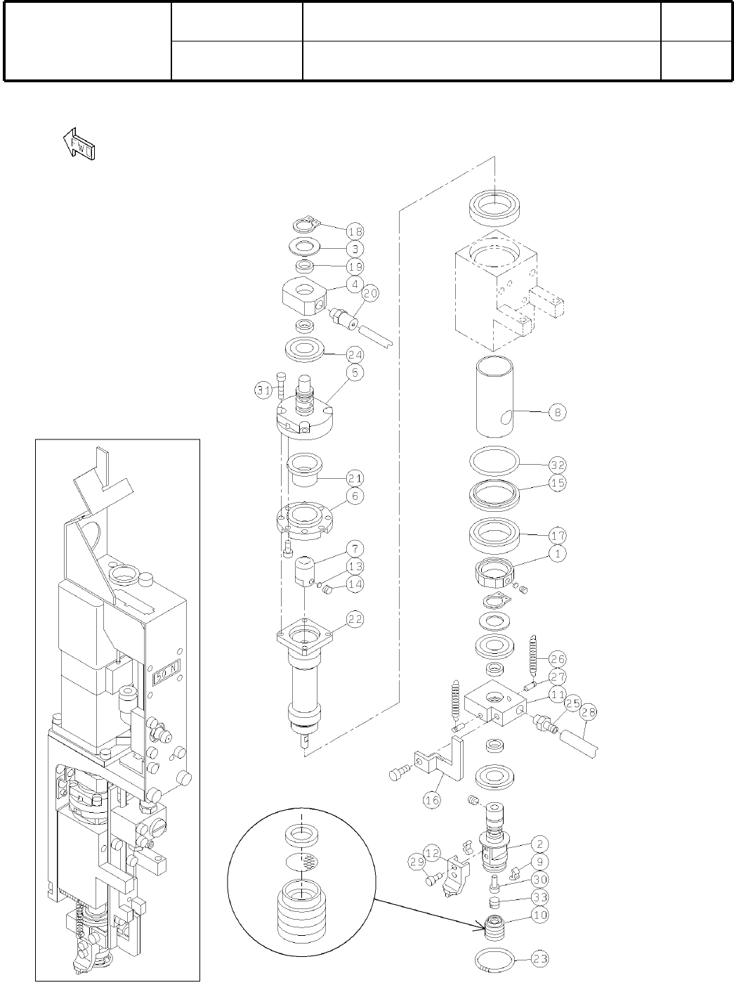
46-B 移載 ヘ ッド ( 多機能 ヘ ッド ) Transfer Head (Multi-Functional Heads) パー ツレイ アウト Kit No. キ ット 品番 Kit Name キ ット 名称 KXFX03KNA00 セクション No . PARTS LAYOUT Section No. - - S203 ( KKXFX03KNA00-04-2 )

Ref
No.
Remarks
R
1
Q'ty
46-A
移載
ヘッド
(
多機能
ヘッド
)
Transfer Head (Multi-Functional Heads)
イラスト
No.
Part No.
品 名品番 数量
R
2
パーツリスト
Kit No.
キット
品番
Kit Name
キット名称
KXFX03KNA00
Part Name
備 考
セクション
No
.
PARTS LIST
Section No.
R
3
PLATE
1
1 KXFB02J4A00
HOUSING
1
2 KXFB02J5A02
COUPLING
1
3 KXFB029FA03
HOUSING
1
4 KXFB029MB02
BLOCK
1
5 KXFB029QA01
BLOCK
1
6 KXFB02JAA00
PLUG
1
7 KXFB01ANA00
BOLT
2
8 KXFB02JDA01
BRACKET
1
9 N210050180AB
BRACKET
1
10 KXFB02JFB00
PLATE
1
11 KXFB04LCA00
STOPPER
2
12 KXFB02JGA00
MOTOR
1
13 KXF0DGEAA00
S
P50BA2002BXS31(DDA)
PIN
2
14 KXF09WMAA00 MS4-8
GASKET
1
15 KXF09ANAA00 CR984W
GROMMET
1
16 KXF0CUVAA00 G-68
PH-SENSOR
1
17 KXF0DL8AA01 PM-Y44(DA KXF0DL8AA01)
FILTER
2
18 KXF0CPKAA00 EBKX-A7001
O-RING
1
19 KXF09APAA00 SO-012-13
JOINT
1
20 KXF08TJAA00 M-5ALHU-6
JOINT
1
21 KXF0A27AA00 KQL04-M6
GREASE-NIPPLE
1
22 KXF0CSNAA00 GPA6A
BOLT
2
23 N510017320AA
Hexagon socket head cap screw M3X22-10.9 A2J (Trivalent)
PIN
2
24 KXF0CXSAA00 1017003-30008
BOLT
2
25 N510017513AA
SSS 003 Hexagon socket button head screw M3X6-10.9 A2J (Trivalent)
SPACER
1
26 KXF09ETAA00 ASF-4100
SPACER
1
27 KXF0DS2AA00 CF-406
JOINT
1
28 KXF02T8AA00 M-5H-6
MEIBAN
1
29 KXF0E0PFA00 NP(DA KXF0E0PFA00)
S202
-
-
( KKXFX03KNA00-04-1 )

46-B
移載
ヘッド
(
多機能
ヘッド
)
Transfer Head (Multi-Functional Heads)
パーツレイアウト
Kit No.
キット
品番
Kit Name
キット
名称
KXFX03KNA00
セクション
No
.
PARTS LAYOUT
Section No.
-
-
S203
( KKXFX03KNA00-04-2 )

Ref
No.
Remarks
R
1
Q'ty
46-B
移載
ヘッド
(
多機能
ヘッド
)
Transfer Head (Multi-Functional Heads)
イラスト
No.
Part No.
品 名品番 数量
R
2
パーツリスト
Kit No.
キット
品番
Kit Name
キット名称
KXFX03KNA00
Part Name
備 考
セクション
No
.
PARTS LIST
Section No.
R
3
NUT
1
1 KXFB029CA00
HOLDER
1
2 N210030755AA
WASHER
2
3 KXFB029EB01
RING
1
4 KXFB029GA04
HOLDER
1
5 KXFB0566A00
CYLINDER
1
6 KXFB0567A02
PISTON
1
7 KXFB0568A01
COLLAR
1
8 KXFB029NA03
CLAMP
3
9 KXFB00L1A02
FILTER-HOLDER
2
10 KXFX03EMA00
RING
1
11 KXFB029PA02
ARM
1
12 KXFB00HMA02
PIECE
2
13 KXFB029SA00
SCREW
1
14 KXFB02BTA00
RING
1
15 KXFB02JBA00
DOG
1
16 N210050179AA
BEARING
2
17 KXF0AL1AA00 6803ZZ
C-RING
2
18 KXF0A74AA00 STW-9
PACKING
8
19 KXF05YHAA00 MYA-6
JOINT
1
20 KXF02T7AA00 M-5H-4
DIAPHRAGM
1
21 KXF0DZHVA00 DM2-13-13-T2.NN501(DDA)
BALL-SPLINE
1
22 N510015534AA TL6CSMS+66LPM(11590322X021)
SPRING
2
23 KXF05ASAA00 6110
BEARING
3
24 KXF083LAA00 NTB9202E01
JOINT
1
25 KXF02T4AA00 M-5AU-6
SPRING
4
26 KXF0E07FA00 SP(DA KXF0E07FA00)
FASTENER
2
27 KXF0DKMAA00 BX2.5-8(DA 0DKMA)
TUBE
1
28 KXF0DS4AA00 Silicon tube 8607 D6XD3(120mm)
BOLT
6
29 XVE26B6FTC
Hexagon socket head cap screw M2.6X6-12.9 SOB
BOLT
1
30 XVE2B5FTC Hexagon socket head cap screw M2X5-12.9 SOB
BOLT
4
31 XVE26B12FTC
Hexagon socket head cap screw M2.6X12-12.9 SOB
O-RING
1
32 KXF0DJ1AA00 1022 1 type A
SCREW
1
33 KXFB06HWA00
S204
-
-
( KKXFX03KNA00-04-2 )