5OM-1513-001_w - 第54页

气路图 ( 线路板制动器、吸取头上下 ) 0908-001-(1090000201) F 6 L1500 A B A B PCB Stopper Left Pickup Head U/D R2 R1 B A PD PE PS PV PD PE PS PV Pipe Fitting F 6.0 Exhaust air Pipe Fitting F 6.0 1700mm Pipe Fitting F 6.0 1700mm Right Pic…

100%1 / 141
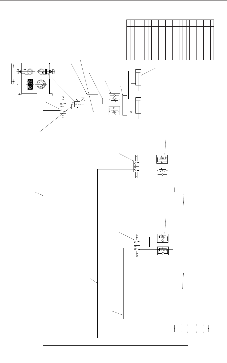
气路图 ( 传送带、线路板吸盘部 )
0908-001-(1090000201)
F6
L2600
F6
L900
Flat Cable
Cable Bearer
F6
L1800
F4 L250
L Conveyor PCB Stopper
R Conveyor PCB Stopper
PCB Chuck
F4
L4000
F4
L4000
Y55
Y54
Y51
Y50
Y51
Y50
SET
31
31
34
35
36
32
37
32
33
33
No. Name Q'ty
31 Solenoid Valve 2
32 Speed Controller 4
33 Cylinder 2
34 Solenoid Valve 1
35 Regulator 1
36 Speed Controller 2
37 Cylinder 1
1-4
5OM-1513
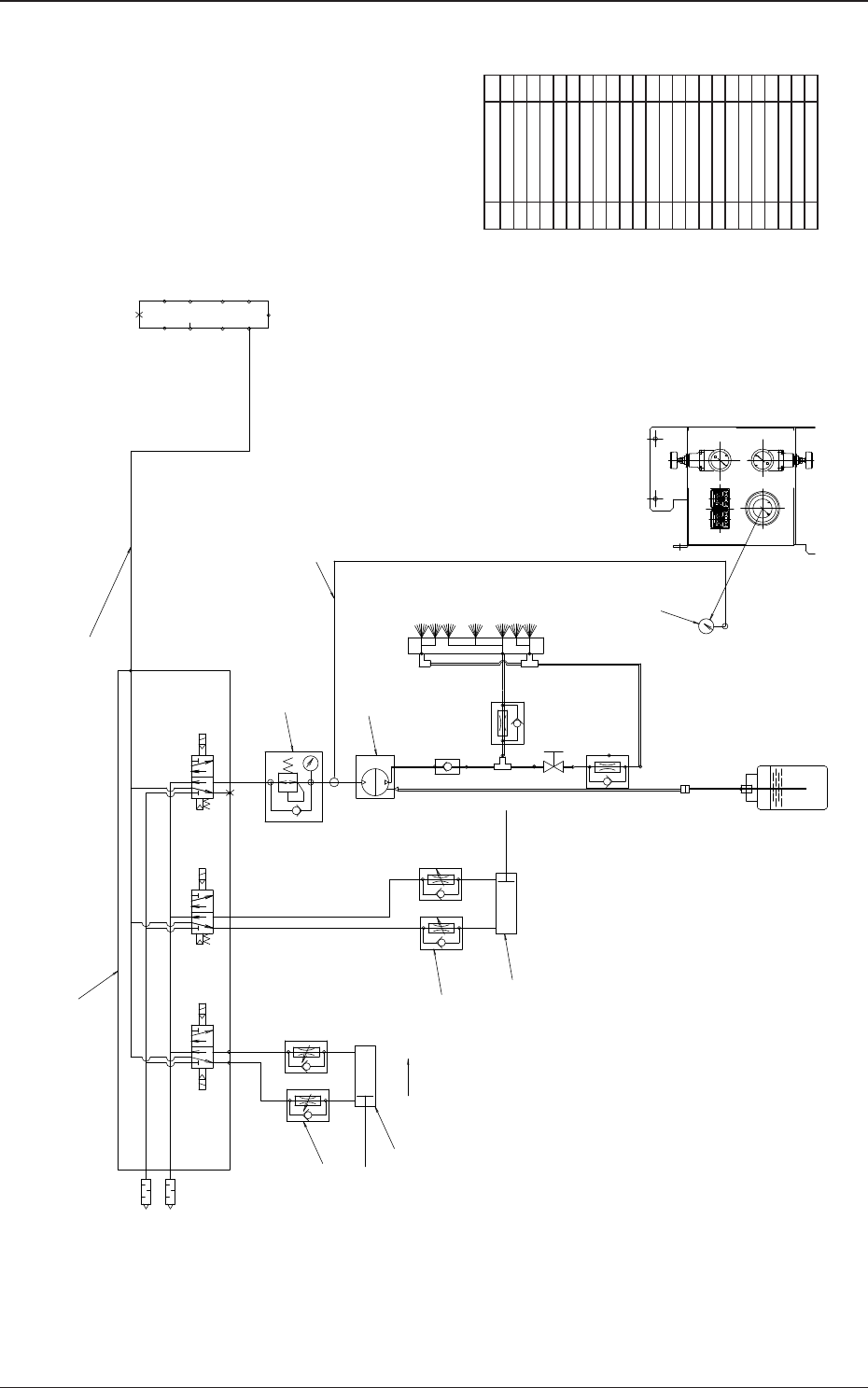
气路图 ( 线路板制动器、吸取头上下 )
0908-001-(1090000201)
F6
L1500
A
B
A
B
PCB Stopper
Left Pickup Head U/D
R2
R1
B
A
PD
PE
PS
PV
PD
PE
PS
PV
Pipe FittingF6.0
Exhaust air
Pipe FittingF6.0
1700mm
Pipe FittingF6.0
1700mm
Right Pickup Head U/D
PCB Stopper
41
42
44
45
46
45
46
44
48
48
47
47
43
No. Name Q'ty
41 Solenoid Valve Unit 1
42 Speed Controller 1
43 Cylinder 1
44 Regulator 2
45 Speed Controller 4
46 Cylinder 2
47 Vacuum Valve 2
1-5
5OM-1513
气路图 ( 清洁单元 )
0908-001-(1090000201)
F4
Change-over Shutter
F6
F6
F6
F6
F6
1/8
1/8 1/8
1/8
Chuck Suction
Y059
Y05A
F6
Downward
Movement
Cleaning Nozzle
Up/Down Movement
F6
F6
Cleaning Suction
F6
1/8
F6
F4
SC2
F6
F6 L1600
Solvent Tank installed
Y57
Y56
F4 L1700
SET
G
G
51
52
54
56
59
57
58
55
53
on the Base
No. Name Q'ty
51 Solenoid Valve Unit 1
52 Speed Controller 2
53 Cylinder 1
54 Speed Controller 4
55 Cylinder 2
56 Regulator 1
57 Vacuum Valve 1
58 Speed Controller 2
59 Pressur Gauge 1
1-6
5OM-1513