5OM-1513-001_w - 第103页
0908-001-(M900WBB--2016) 线路板识别 X 轴电路图 E AC AC A35 L206 L306 B351 + L OUT - A35-CN3 ORG 4 COM 7 COM 8 DOWN 3 SEN+ 2 SEN+ CN3 1 X351 SIGB SIGA 10A 10A 10A 24A3 24A3 24A3 GND 8 +V 7 Signal Wire B 6 A35-N2 N2 GND 5 +V 4 Sign…

0908-001-(M900WBB--2015)
线路板识别 Y 轴电路图
E
AC
AC
A33
L206
L106
B331
+
L
OUT
-
A33-CN3
ORG
4
COM
7
COM
8
DOWN
3
SEN+
2
SEN+
CN3
1
A33-N2
N2
N1
A33-N1
A27-N2
(Squeegee Driving Axis)
A35-N1
(PEC Recognition X-Axis)
A33-CN6
CN6
B
/B
A
/A
6
5
3
2
1
NC
NC
4
A33-CN4
CN4
3
2
1
ERR+
EMG-
EMG+
ERR-
4
10A
24A7
+LS
5
-LS
6
M33
:6
:5
:4
:3
:2
:1
Red
Yellow
Black
Orange
Blue
White
M33
M
+
L
OUT
-
B334
1 +V
2 GND
7 +V
3
4 +V
8
Signal Wire B
5
GND
6
GND
1 +V
2 GND
7 +V
3
4 +V
8
Signal Wire B
5
GND
6
GND
Signal Wire A
Signal Wire A
+V
COM A1
GND
GND
+V
COM B1
+V
GND
FG
+V
COM A1
GND
GND
+V
COM B1
+V
GND
FG
PEC Recognition Y-Axis Motor
PEC Recognition Y-Axis
Rotational Origin
Connector
Case
Connector
Case
PEC Recognition Y-Axis
Origin
3-23
5OM-1513

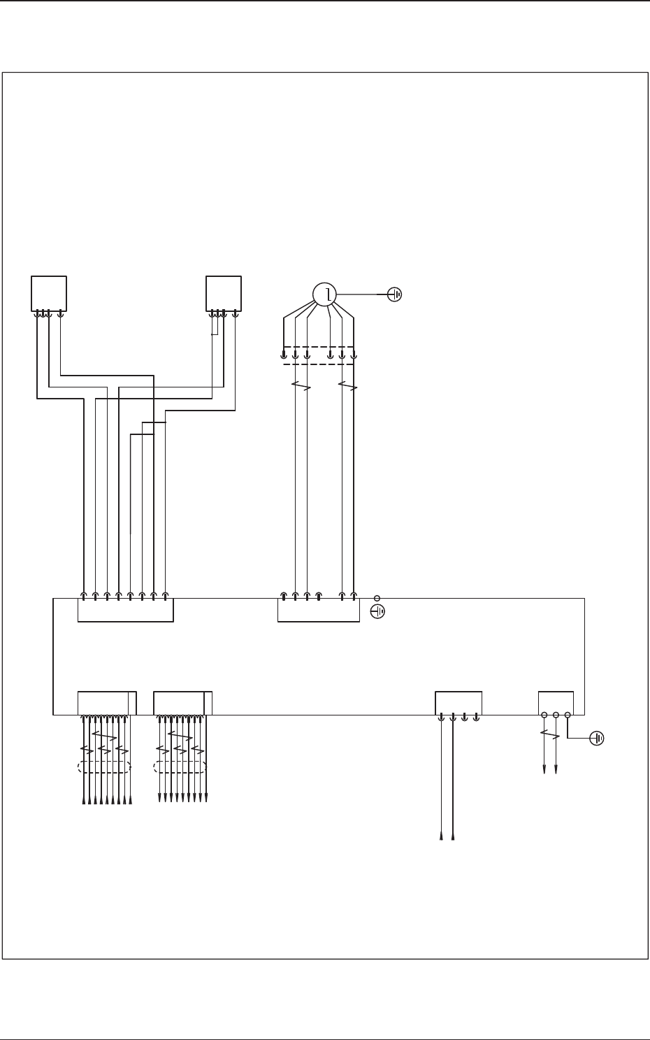
0908-001-(M900WBB--2016)
线路板识别 X 轴电路图
E
AC
AC
A35
L206
L306
B351
+
L
OUT
-
A35-CN3
ORG
4
COM
7
COM
8
DOWN
3
SEN+
2
SEN+
CN3
1
X351
SIGB
SIGA
10A
10A
10A
24A3
24A3
24A3
GND8
+V7
Signal Wire B6
A35-N2
N2
GND5
+V4
Signal Wire A3
GND2
+V1
1 +V
2 GND
3 Signal Wire A
4 +V
5 GND
N1
A35-N1
6 Signal Wire B
7 +V
8 GND
24A3
24A3
24A3
10A
10A
10A
SIGA
SIGB
A33-N2
(PEC Recognition Y-Axis)
A23-N1
(PCB Up / Down Axis)
FG
FG
A35-CN4
CN4
3
2
1
ERR+
EMG-
EMG+
ERR-
4
10A
24A7
+LS
5
-LS
6
+
L
OUT
-
B353
+
L
OUT
-
B354
A35-CN6
CN6
B
/B
A
/A
6
5
3
2
1
NC
NC
4
:6
:5
:4
:3
:2
Red
Yellow
Black
Orange
Blue:1
:2
:4
X350
:1
X1350
M
:3
M35
M35
:1 White
X1351
Connector
Case
:B2
:B3
:B1
:A4
:A2
:A1
:A3
:B4
:B2
:B3
:B1
:A4
:A2
:A1
:A3
:B4
PEC Recognition X-Axis
Origin
PEC Recognition X-Axis
(-) Limit
PEC Recognition X-Axis
Rotational Origin
PEC Recognition X-Axis Motor
Connector
Case
3-24
5OM-1513

0908-001-(M900WBB--2017)
线路板搬送轴电路图 1
A37
5
6
3
4
2
1
5
6
3
4
2
1
5
6
3
4
2
1
5
6
3
4
2
1
CN2
CN3
CN4
CN5
CN7
CN8
CN9
CN10
3
4
5
2
1
NC
3
4
5
2
1
A
NC
B
A
B
3
4
5
2
1
A
NC
B
A
B
3
4
5
2
1
A
NC
B
A
B
1
2
4
3
7
8
6
5
N1
1
2
4
3
7
8
6
5
N2
ALM-
EMG-
ALM+
EMG+ 1
2
3
4
CN1
GND
GND
+V
COM B2
+V
COM A2
GND
+V
STOP
SEN+
DOWN
OT-
OT+
SEN-
STOP
SEN+
DOWN
OT-
OT+
SEN-
STOP
SEN+
DOWN
OT-
OT+
SEN-
STOP
SEN+
DOWN
OT-
OT+
SEN-
M37
1
2
3
4
CN6
GND
DC20~55V
A37-CN2
A37-CN4
A37-CN5
A37-CN7
A37-CN8
A37-CN9
A37-CN10
A37-CN6
A37-N1
A37-N2
A37-CN1
B371
+
L
OUT
-
A37-CN3
B371
+
L
OUT
-
M
:3
:3
:1
:6
:5
:4
Whith
Yellow
Blue
Red
Orange
Black
A
B
A
B
M37
M37
M
:2
:3
:1
:6
:5
:4
M37
M41
M
:4
:2
:1
:3
M41
M43
10A
24A7
A25-N2
(Table Widh Axis)
GND
GND
+V
COM B2
+V
COM A2
GND
+V
A45-N1
(PCB Transfer Axis
Driver 2)
+V
GND
Signal Wire A
+V
GND
+V
GND
Signal Wire B
+V
GND
Signal Wire A
+V
GND
+V
GND
Signal Wire B
48F1
10F1
FG
FG
M
Whith
Blue
Yellow
Red
Whith
Blue
Yellow
Red
48F1
10F1
X430
:4
:2
:1
:3
:2
:1
:3
M43
:4
X371
:2
:1
:3
X371
:2
:1
:2
:2
L Converyor
Width Axis Origin
L Converyor Width Axis
R Converyor
Width Axis Origin
R Converyor Width Axis
R Converyor
PCB Transfer 1
R Converyor
PCB Transfer 2
Emergency Stop
Whith
Yellow
Blue
Red
Orange
Black
3-25
5OM-1513