5OM-1513-001_w - 第107页
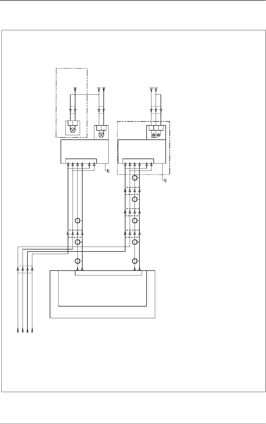
0908-001-(M900WF A--2001) 刮板头 / 线路板识别部 I/O (UB32) RX /RX TX X0701 X0702 CN1A/1B /TX FG(Connector Case) 7 3 9 5 CN2A/2B 5 9 3 7 IN OUT CN10 /TX TX /RX RX 1 2 3 CN4 CN3 2 1 CN1 1 CN12 CN13 CN14 CN15 CN16 CN17 CN18 CN19 CN2…

0908-001-(M900WC---2001)
Box 计算机电路图
Box Computer
U50
L104
L204
TMDS DATA2-
1
U50-DVI
2
TMDS DATA2+
3
TMDS DATA2 SHIELD
6
7
DDC CLOCK
DDC DATA
TMDS DATA1-
9
10
TMDS DATA1+
11
TMDS DATA1 SHIELD
14
+5V POWER
GND
15
16
HOT PLUG DETECT
17
TMDS DATA0-
18
19
TMDS DATA0+
TMDS DATA0 SHIELD
TMDS CLOCK SHIELD
22
23
TMDS CLOCK+
24
TMDS CLOCK-
DVI-D
Touch Screen
H00
USB1
U50-USB1
+5V
USB
-DATA
+DATA
GND
H00-DVI
H00-USB
N
L
+5VIN
USB-
USB+
GND
1
2
3
6
7
9
10
11
14
15
16
17
18
19
22
23
24
1
2
3
4
TMDS DATA2-
TMDS DATA2+
TMDS DATA2 SHIELD
DDC CLOCK
DDC DATA
TMDS DATA1-
TMDS DATA1+
TMDS DATA1 SHIELD
+5V
GND
HOT PLUG DETECT
TMDS DATA0-
TMDS DATA0+
TMDS DATA0 SHIELD
TMDS CLOCK SHIELD
TMDS CLOCK+
TMDS CLOCK-
24A3
10A
SG
+24V
2
:A
B01
:B
:C
:D
4
3
5
6
:E
14
15
10A
24A3
X1A53
A53
:A
:B
:C
:D
B02
:E
:2
:1
7
FG
L
V
+EXC
INPUT
INPUT
-EXC
HIGH1
LOW1
INPUT
LOW2
INPUT
HIGH2
FG
RX- 6
NC 5
8
NC 4
RX+ 3
7
TX- 2
TX+ 1
NC
NC
4
3
2
1
FG
USB2
U50-USB2
N80
N80-USB1
1
2
3
4
FG
4
3
2
1
FG
1
2
3
4
FG
USB
N81
N81-LAN1
1
2
3
4
LAN1
5
6
7
8
FG
1
2
3
4
5
6
7
8
FG
LAN1
U50-LAN1
DVI-I
3
2
5
RXD
TXD
SG
X530 X1530
U50-COM1
+5VDC
4
3
2
5
1
6
:2
:1
:6
:3
Connector Case
:5
:4
Case Case
X2530
:2
:1
:6
X531
X532
FG
+V1
2 GND
3 COM A
4 +V
U53-CN1
5
6
7
8
GND
COM B
+V
GND
Satellite Transmission +
4
CN1
5
Satellite Transmission -
2
Center Transmission +
3
Center Transmission -
Connector Case
U52-CN1
TX+:3
TX-:5
RX+:7
RX-:9
FG:
U52(HLSC)
40
CN6
CN1
GND
CH1
(A-LINK)
U53(RS485)
Connector Case
+V
COM A1
COM B1
CH1
(AE-LINK)
+V1
2 GND
3 COM A
4 +V
U53-CN2
5
6
7
8
GND
COM B
+V
GND
CN2
GND
Connector Case
+V
COM A2
+V
GND
COM B2
+V
GND
FG
CH2
(AE-LINK)
+VIN1
U53-CN3
CN3
2 GND
24A7
10A
COM1
FG FG
+5VIN
USB-
USB+
GND
FG
X2A53
:2
:1
H00-PW
2
3
1
GND
+V
GND
+V
4
CN2
5
2
3
Connector Case
U52-CN2
TX+:3
TX-:5
RX+:7
RX-:9
FG:
Connector
Case
CH1
(A-LINK)
FG
RX- 6
NC 5
8
NC 4
RX+ 3
7
TX- 2
TX+ 1
NC
NC
N82
N82-LAN2
1
2
3
4
LAN2
5
6
7
8
FG
1
2
3
4
5
6
7
8
FG
LAN2
U50-LAN2
Front Load Cell B01 (Option)
Red
Black
White
Green
Shielded
Load Cell Amplifier
(Option)
Rear Load Cell B02 (Option)
FA:Squeegee Head Section
X0701
(Squeegee Head Section/
PEC Recognition Section)
A19-N1
(Table X-Axis/
Table θ-Axis)
A25-N1
(Table Width Axis)
X0304
(Front and Rear Interface
Section)
Connector
Case
Red
Black
White
Green
Shielded
Satellite Transmission +
Satellite Transmission -
Center Transmission +
Center Transmission -
Receive
Data
Transmitted
Data
GND
NC
NC
3-27
5OM-1513

0908-001-(M900WFA--2001)
刮板头 / 线路板识别部 I/O
(UB32)
RX
/RX
TX
X0701 X0702
CN1A/1B
/TX
FG(Connector
Case)
7 39 5
CN2A/2B
5 93 7
IN OUT
CN10
/TX
TX
/RX
RX
1 2 3
CN4CN3
21
CN11
CN12
CN13
CN14
CN15
CN16
CN17
CN18
CN19
CN20
CN21
CN22
CN23
CN25
1
2
3
3
2
1
3
2
1
3
2
1
3
2
1
3
2
1
1
2
3
1
2
3
1
2
3
1
2
3
1
2
3
3
2
1
3
2
1
3
2
1
3
2
1
3
2
1
2
1
CN45
CN43
CN42
CN41
CN40
CN39
CN38
CN37
CN36
CN35
CN34
CN33
CN32
CN31
CN30
CN24
1
2
1
2
1
2
1
2
1
2
1
2
1
2
1
2
1
2
1
2
1
2
1
2
1
2
1
2
1
2
CN44
4
X0723
X0722
X0721
X0720
X0719
X0718
X0716
X0715
X0714
X0713
X0712
X0711
X0710
X0732
X0733
X0735
X0736
X0737
X0738
X0739
X0703
X0704
738
739
:3
:4
:5
:2
Connector Case
X0717
X0725
X0740
X0741
X0742
(Squeegee Head Section/
PEC Recognition Section)
I/O P.C.B
U07
719
718
B6A
:3
:2
:1
B68
:3
:2
:1
:5
X1068
:3
:2
:1
24A3
10A
10A
24A5
X0730
X0731
X0734
X0743
X0744
X0745
740
:3
:1
Y79
:1
:2
X0724
+
-
OUT
B68
B69
B69
OUT
-
+
Changeover
OUT
-
L
+
718
X106F
:3
:2
:1
+
-
OUT
B6F
X2068
:4
:8
720
Y78
:1
:2
X1078
:3
:1
:2
Y78
:5
X107A
E7A :2
E7A :1 E7B :1
741
:2
E7B :2
:7
:2
:1
:3
X106A
B61
B60
:1
:2
:3
:3
:2
:1
711
710
Blue
Brown
B60
B61
-
:3
:2
:1
OUT
B62
B62
712
B64
Blue
Black
Brown
X2064
:3
:2
:1
-
OUT
-
OUT
-
:3
:2
:1
OUT
B63
B63
713
X1060
:2
:1
:4
:6
714
OUT
-
+
Pink
B64
:3
:2
:1
:4
BGS/FGS
Y73
:1
:2
X1072
732
733
Y70
Y71
:1
:2
Y70
730
731
:1
:2
X1070
:3
:7
:5
Y73
E72 :2,:3
E72 :1
B6F
:3
:2
:1
:3
:5
:7
:8
X1064
:3
:2
:1
Y71
:4
:6
:8
:1
:2
:1
:2
:4
:6
Y79
:4
:6
:7
:9
:A3
:A2
:B1
:A1
:B2
:B3
X2060
:2
:1
:4
:6
:3
:5
:7
:8
717
B67
:3
:2
:1
:9
:8
:7
+
-
OUT
B67
716
B66
:3
:2
:1
:6
:5
:4
+
-
OUT
B66
715
B65
:3
:2
:1
:3
:2
:1
+
-
OUT
B65
X2065 X1065
:9
:8
:7
:6
:5
:4
:3
:2
:1
742
Y7C
:1
:2
:1
:2
X107C
Y7C
Front Squeegee U/D Upper Limit
BOX Computer
U52-CN1
U52
PCB Check
PCB Warpage Preventive Clamp
Upward Movement Check
Paste Height Detection
Power for Input
Power for Output
Front Squeegee U/D
Downward Movement
Lighting for Stencil
Recognition
PCB Warpage Preventive Clamp
Clamping Side (Forward Side)
Lighting for PEC Recognition
Front Squeegee U/D Intermediate
Rear Squeegee U/D Upper Limit
Rear Squeegee U/D Intermediate
(Option)
Rear Squeegee U/D
Downward Movement
Stencil Clamping Release Check
Lighting for Printing
Condition Inspection
(Option)
Lower Limit
Left Backup Pin Pickup Head U/D
Upper Limit
Left Backup Pin Pickup Head U/D
Lower Limit
Right Backup Pin Pickup Head U/D
Upper Limit
Right Backup Pin Pickup Head U/D
Downward Movement
Right Backup Pin Pickup Head U/D
Downward Movement
Left Backup Pin Pickup Head U/D
Blue
Brown
Blue
Brown
Blue
Brown
Blue
Black
Brown
Pink
Blue
Black
Brown
Blue
Black
Brown
Blue
Black
Brown
Blue
Black
Brown
Blue
Black
Brown
FG(Connector
Case)
Squeegee U/D Intermediate
Position Stopper Forward Side
3-28
5OM-1513

0908-001-(M900WG---2001)
识别照相机电路图
13
12
VID_IN0
GND
B04
+12V
GND
VIDEO_OUT
GND
+12V
GND
1
2
4
3
11
10
+
-
E7A
VID_IN1
GND
23
24
B04
Image Board
U51
:1
:2
E7A
E7B
:2
:1
E7B
-
+
:2
:1
:4
:3
X1B04
XU01
:4
:3
:2
:1
X1G03
E72
:3
:1
E72
-
-
10
11
GND
+12V
X2B03
:3
:4
:1
:2
B03
3
4
2
1
GND
VIDEO_OUT
GND
+12V
B03
:2
:1
:4
:3
X1B03
10C
12C
+
:2
BOX Computer
U50
X1072 :2
X1072 :1
X107A :2
X107A :1
X107A :3
X3B03
:3
:4
:1
:2
10C
12C
PEC Recognition
Camera
Lighting for PEC Recognition
Lighting for Printing Condition Inspection (Option)
Stencil Recognition Camera
3-29
5OM-1513