5OM-1513-001_w - 第51页
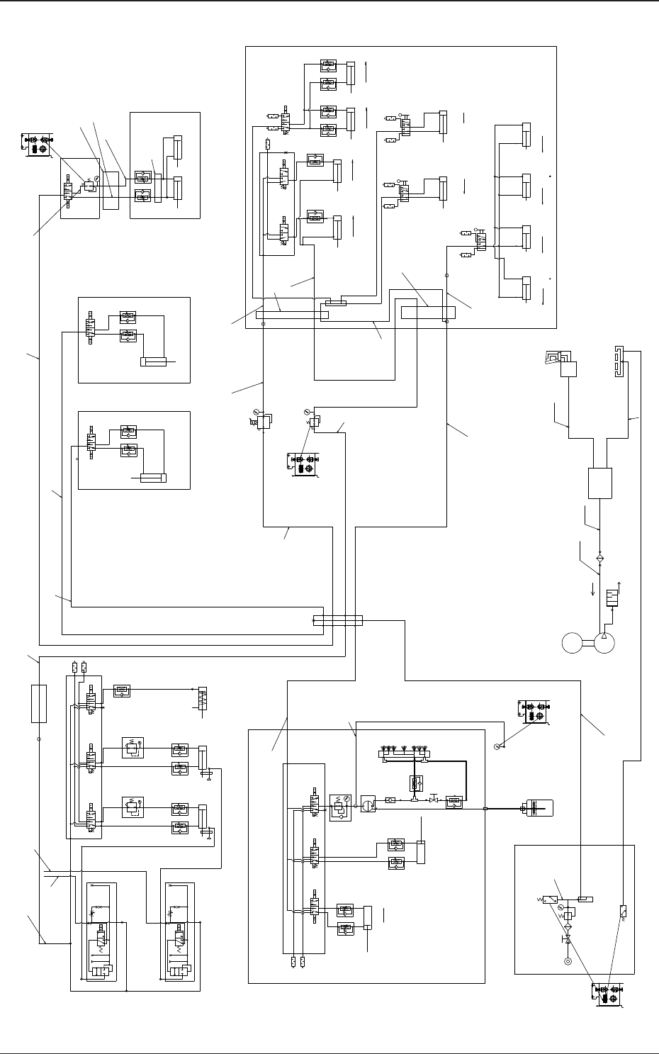
气路图 ( 气路组合、吹气 ) 0908-001-(1090000201) No. Name Q'ty 1 Combinations Unit 1 2 Pressure Switch 1 3 Air Pressure Detection 1 4 Blower 1 5 Pipe Joint 1 6 Filter 1 | 50 Duct M | 19 Duct Direction of Exhaust Direction of S…

气路图 ( 整体 )
0908-001-(1090000201)
Cleaning Section
F4
Change-over Shutter
F6
F6
F6
F6
F6
1/8
1/8 1/8
1/8
Setting
0.45MPa
(4.6 k g f/cm )
2
(3.6 k g f/cm )
F4
F6
P
R
A
|50 Duct
M
F4
F4
F4
F4
F6
F6
F6
Y071
Y070
Upward
Movement
Stencil Top Holder
(Rear Right Side)
Stencil Top Holder
(Right Side)
Stencil Top Holder
(Left Side)
Stencil Top Holder
(Left Side)
|19 Duct
Lock Lock
Direction of Exhaust
Direction of Suction
LockLock
Vacuum Suction Section
Stencil Holder
Section
|35 Duct
|50 Duct
Blower Unit Changeover Section
F6
F10
F4
F4
F4
F4
F4
F4
Rear Squeegee
Up/Down Movement
Front Squeegee
Up/Down Movement
F6
PCB Vacuum Jig
Chuck Suction
F6
F6
F6
F4
L2500
F4
L2700
Rear Squeegee Clamping
Front Squeegee Clamping
Setting
0.35MPa
(3.6 k g f/cm )
2
R1
P
P
A
EXH
OUT
SUP
LockLock
Upward
Movement
Y090
Y091
F6
Downward
Movement
Cleaning Nozzle
Up/Down Movement
F6
F6
Cleaning Suction
F6
F4
F4
F4
F4F4
F4
F4
Squeegee Intermediate
Stopper
Squeegee Intermediate
Stopper
Upward
Movement
Upward
Movement
1/8
F6
F4
SC2
F6
F6
L1100
F6 L1600
F6
L2300
F6
L1500
F6
L2000
F6 L1700
F6
L2600
F6
L900
F6
L1500
Flat Cable
Cable Bearer
F4
L2600
Cable Bearer
Cable Bearer
F10
L1500
F4
L800
F6
L1800
Y57
Y56
F4 L250
L Conveyor PCB Stopper
R Conveyor PCB Stopper
PCB Chuck
A
B
A
B
PCB Stopper
Left Pickup Head U/D
R2
R1
B
A
PD
PE
PS
PV
PD
PE
PS
PV
Pipe FittingF6.0
Pipe FittingF6.0
1700mm
Pipe FittingF6.0
1700mm
Right Pickup Head U/D
PCB Stopper
F4
L4000
F4
L4000
Y55
Y54
Y51
Y50
Y51
Y50
F4 L1700
SET
OUT
PRESSURE
SET
OUT
PRESSURE
G
G
SET
OUT
PRESSURE
SET
OUT
PRESSURE
G
G
SET
OUT
PRESSURE
SET
OUT
PRESSURE
G
G
SET
OUT
PRESSURE
SET
OUT
PRESSURE
G
G
Solvent Tank installed
on the Base
1-1
5OM-1513

气路图 ( 气路组合、吹气 )
0908-001-(1090000201)
No. Name Q'ty
1 Combinations Unit 1
2 Pressure Switch 1
3 Air Pressure Detection 1
4 Blower 1
5 Pipe Joint 1
6 Filter 1
|50 Duct
M
|19 Duct
Direction of Exhaust
Direction of Suction
|35 Duct
|50 Duct
Blower Unit Changeover Section
PCB Vacuum Jig
Cleaning Section
Setting 0.35MPa
(3.6 k g f / cm )
2
F10
L1500
F4
L800
SET
OUT
PRESSURE
SET
OUT
PRESSURE
G
G
1
3
2
4
6
5
2
(3.6 k g f / cm )
Setting 0.45MPa
1-2
5OM-1513

F4
P
R
A
F4
F4
F4
F4
F6
F6
Y071
Y070
Upward
Movement
Stencil Top Holder
(Rear Right Side)
Stencil Top Holder
(Right Side)
Stencil Top Holder
(Left Side)
Stencil Top Holder
(Left Side)
Lock
Lock
LockLock
F4
F4
F4
F4
F4
F4
Rear Squeegee
Up/Down Movement
Front Squeegee
Up/Down Movement
F6
F4
L2500
F4
L2700
Rear Squeegee ClampingFront Squeegee Clamping
R1
P
P
A
EXH
OUT
SUP
Lock
Lock
Upward
Movement
F4
F4
F4
F4F4
F4
F4
Squeegee Intermediate
Stopper
Squeegee Intermediate
Stopper
Upward
Movement
Upward
Movement
F6
L1100
F6
L2300
F6
L1500
F6
L2000
F6 L1700
F4
L2600
Cable Bearer
Cable Bearer
SET
G
G
11
12
13
29
13
30
17
17
2626
14
16
25
29
27
15
18
18
19
28
23
24
20 20
19
21
22
气路图 ( 丝网架、刮板头 )
0908-001-(1090000201)
No. Name Q'ty
11 Regulator 1
12 Electroneumatic Regulator 1
13 Union Y 2
14 Street Elbow 1
15 Pipe Joint 1
16 Solenoid Valve Unit 1
17 Speed Controller 2
18 Mechanical Valve 2
19 Silencer 4
20 Cylinder 2
21 Mechanical Valve 1
22 Silencer 2
23 Cylinder 1
24 Cylinder 3
25 Solenoid Valve 1
26 Speed Controller 4
27 Silencer 2
28 Cylinder 2
29 Union Y 4
30 Cylinder 2
1-3
5OM-1513