5OM-1513-001_w - 第88页
省配线系统图 0908-001-(M900W A---2002) Address Setting 0 Address Setting 1 Address Setting 2 Address Setting 3 Address Setting 4 Address Setting 5 Address Setting 6 Address Setting 7 Address Setting 8 Address Setting 9 Address…

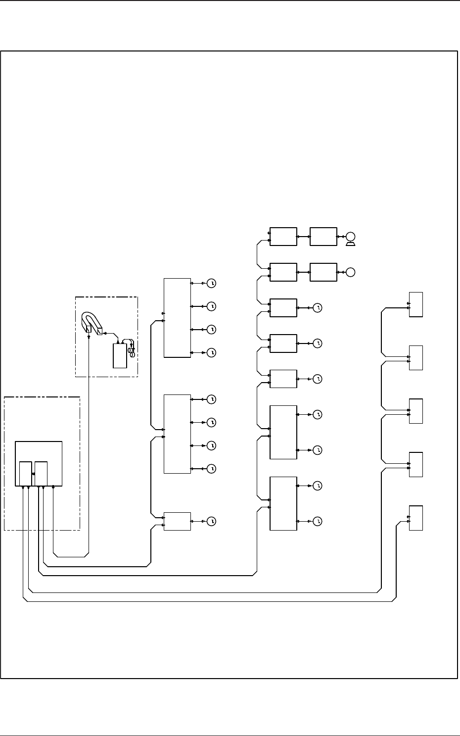
综合模块图
0908-001-(M900WA---2001)
DVI-I
LAN2
LAN1
USB2
USB1
Operation Panel Section
LCD
Control Box Section
3~
M
Blower Motor
CN1
CN2
M
R Conveyor
L Conveyor
PCB Chuck & Table Section
3~
M
M
M
PG
1~
M
PEC Recognition Section
M
Squeegee Head
Section
M
M31
B03
Load Cell
Amplifier
M27
M
Stencil Y Axis
M29
Squeegee Driving Axis
M
M
N80
N81
N82
LAN2
LAN1
USB
Signal from
Input Machine
Signal from
Output Machine
CN2
Y90
Stencil Recognition Camera
(Option)
CN1
COM1
M M
M
3~
M
PG
M M
M M
M
24B1
24B1
24B3
48F1
48F3
48F5
48F7
24A1
24A3
24A5
24A3
12C
24A3,A5
24A3,A5
24A1
24A3,A5,A7
24E
24A3,24E
3
3
3
3
3
2
3
3 3
2
3 3
2
3
3
2 2 2
3
2
2
3
2
3F AC200V
Z02
NOISE
FILTER
FILTER
NOISE
Z01
Q200
F101-301
V01
Q201
+24V(A)
G01
F01
F02
K06
F03
K08
K201
H00
U50
U52
U53
U51
+12V(C)
G03
+24V(E)
G04 24E
Q202
K202
+24V(B)
G02
F04
K06
+48V(F)
G05
F06
F07
K09
K09
Q205
K18
Q206
K19
Q203
K203A K203B
Q204
F110,F210,F310
K204
F10
F200
K2E
Box Computer
DC Load
Pulse Motor Driver
M
M06
M01
M
M07
M
M03
M
M04
M
M05
F11
F05
K08
Lightening Surge Protector
RS485
PCI Bus
HLSC
Recog-
nition
Touch Panel
Main Power Supply
Control Power Supply
A45
A37
Driver
A25
A19
A29
Driver
A33
A35
Driver
Driver
Driver
Driver
A27
Driver
Driver
Controller
U23
A23
Servo
amplifir
U17
A17
M41M37
Conveyor
Width
PCB
Transfer 1
M43 M37
Conveyor
Width
PCB
Transfer 2
Table Q-Axis
PCB Backup
U/D Axis
Table Z-Axis Rail Width
Axis
Table X-Axis
M21
M23M17 M25
M19
M02
PEC Recognition X Axis PEC Recognition Camera
PEC Recognition
Y Axis
M35
M33
Cleaning Section
M43
PCB
Transfer 2
M41
PCB
Transfer 1
Chute PCB
Transfer 1
M49 M51
Chute PCB
Transfer 2
Electroneumatic
Regulator
Relay Board
U54
Emergency Stop Front Rear
Safety Cover Front Rear Cleaning Section
B04
Load Power
Contactor Relay
Q201 to Q206 CB Contact Monitor
Servo-Motor
Main Power
Circuit
Contactor
Operation
Swich
U05
16in16out
U03
Front and Rear
I/F Sections
U09
16in16out
U07
16in16out
U02
16in16out
Controller
Servo
amplifir
Stencil
Recognition
X Axis
(Option)
3-8
5OM-1513

省配线系统图
0908-001-(M900WA---2002)
Address Setting
0
Address Setting
1
Address Setting
2
Address Setting
3
Address Setting
4
Address Setting
5
Address Setting
6
Address Setting
7
Address Setting
8
Address Setting
9
Address Setting
12~15
Address Setting
16~19
Address Setting
7
Address Setting
3
Address Setting
5
Squeegee Head Section
M
M27
M M
M
M41
M
M43
M
M49
M
L
Convey
or
R
Convey
or
M M M
M37 M37 M41 M43
R Conveyor
PCB
Transfer 1
M
M51
M
Chute Width
Changeover
M25
Table
Z-Axis
M17
3~
M
M33 M35
M
Table X-Axis
M19
M
M21
M
M29
M
M31
PCB
Up/Down
Axis
M23
3~
M
COM1
Control Box
A27
Driver
Driver
Driver
U05
16in16out
A53
(Option)
PCB Transfer
Section io
PCB Chuck Section io
U03
8in8out
Front and Rear
I/Fs Section io
U02
16in16out
X0201 X0202X0305 X0901
U53-CN1
Load Cell Amplifer
U52
N1 N2 N1 N2
A45
Driver
N1 N2
N1 N2
A37
Driver
N1 N2
HLSC
U52-CN1
40
U53
RS485
U53-CN2
CN7 CN8 CN9
CN10
A25
Driver
N1 N2
CN7 CN8 CN9
CN10
CN4
U17
Pulse
Controller
N1 N2
U23
Pulse
Controller
N1 N2
A17
Driver
X0501 X0502
16in16out
X0701
U07
Squeegee Head
Section io
PEC Recognition Section io
16in16out
Box Computer
U50
A33
A35
A19
Driver
N1 N2
A29
Driver
N1 N2
U09
X0304
A23
Driver
U52-CN2
R Conveyor
PCB
Transfer 2
L Conveyor
PCB
Transfer 1
L Conveyor
PCB
Transfer 2
Chute
PCB
Transfer 1
Chute
PCB
Transfer 2
Table Q-Axis
Stencil
Recognition
Y-Axis
Stencil
Recognition
X-Axis
Squeegee
Driving Shaft
PEC
Recognition
Y-Axis
PEC
Recognition
X-Axis
Address Setting
2
Operation Panel
Section io
Relay Circuit Section io
Address Setting
9
Printing Pressure
Control Section io
Cleaning Section io
3-9
5OM-1513

0908-001-(M900WBB--2001)
电源电路图
(5A)
(5A)
(5A)
Z01
PEL3L2L1
Absorber
6
NOISE FILTER1
4
5
1 2 3
L100
L200
L300
L201
L301
Lightning
Surge
L101
Q200
L302A
L202A
L102A
F101
F301
F201
BA
L302L202L102
L102 L202 L302
V01
L302L202L102
BA
(15A)
K202
Q202
L305
L205
L105
5 6
43
1
2
L306
L206
L106
(100W)
(2A)
(3.15A)
43
10B
24B3
24B1
F05
F04
24B2
24B
G02L
N
FG -V
+V
(B)
K08
6 5
24B4
K06
(1800W)
(5A)
43
10F1
48F3
F07
48F
G05L1
FG
-
+
(F)
48F4
(5A)
48F1
F06
48F2
1 2
Q201
K201
L203
L103
43
1 2
L204
G04
(E)
(10W)
24E
10E
G04-CN2G04-CN1 CN1 CN2
1
2
3
4
1
5
3
G03
(C)
(10W)
G03-CN1
-V
AC(L)
CN1 CN2
1
2
3
4
-V
+V
+V
1
5
3
AC(N)
FG
12C
10C
G03-CN2
:1
:3
:5
:6
24A
24A3
24A4
F03
K08
1 2
(3.15A)
(2A)
(150W)
10A
24A5
(A)
+V
-VFG
N
L G01
(1.6A)
24A2 K06
3 4
F02
F01
L104
DC24V
DC12V
DC24V
L204
L104
AC(L)
AC(N)
FG
-V
-V
+V
+V
24A1
DC24V
DC48V
(8A)
L2
L3 10F
Q205
Q206
21
K18
34
65
48F61
48F62
48F5
10F5
21
K19
34
65
48F81
48F82
48F7
10F7
K09
10B
CNO2
11 12
TOGPF
:1
:2
G05
-CNO2
65
10C
:2
12C
:4
48F5
10F5
48F7
10F7
4
6
2
5
3
1
(6.3...10A)
K204
Q204
E
W
V
U
L310
L210
L110
L311
L211
L111
6
4
2
6
4
21
3
5
M01
3
M
:L1
:L2
:L3
:
M01
:
Q203
3
5
1
K203A
L308
L208
L108
5 6
43
1 2
6
4
2
L108
L308
L309
L209
L109
(15A)
L108
L308
L309
L209
L109
K203B
5 6
43
1 2
L309A
L209A
L109A
L302
L202
L102
Z02
3
NOISE FILTER1
1
2
4 5 6
5
1
(30A)
(30A)
(30A)
3
L310A
L210A
L110A
F110
F210
F310
PMD Power
Control Power Supply (FAN)
DC24V
Load Power (A25 Power)
DC24V
Transfer Multiple Axis PMD A37 Power
DC48V
Transfer Multiple Axis PMD A45 Power
DC48V
Front and Rear I/Fs Power
DC24V
Power Supply for Camera
DC12V
X1G03
N03-CN1
Power Supply for Box Computer
Wiring-Saving Control Power
DC24V
Wire-Saving Load Power Supply
DC24V
Safety Circuit Power
DC24V
AC Motor Power
PMD A19 Power Supply
DC48V
PMD A29 Power Supply
DC48V
U02-X0216
Blower Motor
Table Z-axis
Main Power
Table Z-axis
Control Power
PCB U/D Axis
Main Power
PCB U/D Axis
Control Power
3-10
5OM-1513