5OM-1513-001_w - 第91页
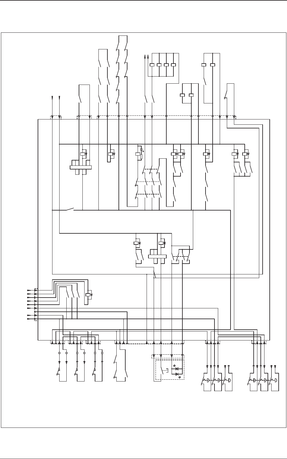
0908-001-(M900WBB--2003) 继电器电路图 2 24B1 10B O1 O2 K10 4 3 O2 O1 186 (+) (-) (+) (-) O2 O1 (+) (-) Safety Door (Rear) Electromagnetic Lock 6 5 187 E1 E2 E2 E1 E2 E1 S13 S14 :10 :9 S12 :10 :9 S13 :10 :9 S14 Safety Door (Cle…

0908-001-(M900WBB--2002)
继电器电路图 1
5
3 2
K23
13
12
6364
5354
K201
Power to BOX Computer, etc.
A2A1
1
4
3
2
8
34
987654321
11
10
9
8
7
6
5
2
1
2
1
9
8
7
6
4
3
2
1
4
3
2
1
4
3
2
1
4
3
2
1
4
3
2
1
4
3
2
1
c:100uF 50V
r:22Ω1W
1
1
4 3
K14
5 6
K15
4 3
K30
K202
Load Power
Monitor 2
K15
8 1
Load Power
Monitor 1
Table Z-axis/
PCB U/D Axis
Power Circuit
PMD Power
K02
K14
5 634
K16K03
4 3 18
K14
323154 536463
43 44 3334 21 22
1211
K13K12
64 635453
K11
22 111221
K11 K12
K13
0 1
Safety Relay 3
Safety Relay 2
10
K12
K13
53 54
4344
K12
34 33
K11
K13
43 44
Safety Relay 1
K11
0 1
5 6
Air Pressure
Monitor
CB Alarm
Monitor
Power ON Delay
K01
4
6
K02T
2
3
21
22
24
K03
8 116 13
18
K30
K16
5 6
34
K15
K03
5 6
CB Alarm Monitor
Z-axis Servo Motor/
PCB U/D Axis
Alarm Monitor
18
K16
13
4
11
9
6
8
Full Load
Power Monitor
Load Power ON
K22
1 16
K22
K01T
2
3
21
22
24
K02
8 1
1
16
8
13
34
65
K02
K01
K01
Q202Q201
2221
A2A1
S10
200V AC
Control Power Supply CB
A2A1
B
A
GreenRed
K202
K08
1
K06
S01
Emergency Stop
(Operation Panel)
C1R1
D6
D7
D8
D3
D9
D4
D5
D1
D2
D10
Relay Board
U54
H01
1112
2122
200V AC
Load Power Supply CB
6261
K203A
PMD Power
Table Z-axis Power
PCB U/D Axis Power
K09
A2A1
Transfer Multiple Axis
PMD Power
K07
K07
2221
1114
Q203
Table Z-axis/
PCB U/D Axis
Power CB
1211 2221
K19K08
Q205Q206
2-axis PMD Power CB
2221
K18
2221
K09
Transfer Multiple
Axis PMD Power
2-axis PMD Power
K18
A2A1
K19
A2A1
2-axis PMD Power
2-axis PMD Power
K315
Air Pressure Monitor
43
11141114
NCNO NCNO
K07
0 16463
K08
Load Power ON
4
3
2
1
Emergency Stop
(Rear Side)
S11
1112
2122
6261
K203B
Table Z-axis Power
PCB U/D Axis Power
2-axis PMD Power
K07
Load Power Input Load Power Input
2-axis PMD Power CB
Q204
Blower Motor CB
1413
32
K3170
32
K3230
Table Z-axis AlarmPCB U/D Axis Alarm
32
Safety Door
(Front Side)
Safety Door
(Rear Side)
Safety Door
(Cleaning Section)
31
S12
5
1
2
3
4
3132
5
6
3132
6
5
1
2
3
4
6
32 31
S13
5
6
32 31
S14
5
6
K117B
Regenerative Resistance Alarm
1114
43
Power OFF Relay
X1006
X0220:2
X0218:2
X0219:2
X0218:1
X010
X009
X006
X007
X005
X003
X002
X004
X001
Load Power OFF
Air Pressure Drop
Monitor
Power ON Delay
Power Supply
10A
24A1
(DC24V)
24 V DC Control Power Supply
Power ON
100
101
102 103 104
110 112
122
126
128
129
130
131
132
133
134
125
124
160
161
162
163
168
169
170
171
114
105
117
108
115
120
X0221:2
X0222:2
X0232:2
X0232:1
X008
172
173
174
175
135
113
106
107
111
116
150151
152
140
S12
S10
S11
S12
141
142
S13
S13
143
144
S14
S14
145
153
3-11
5OM-1513

0908-001-(M900WBB--2003)
继电器电路图 2
24B1
10B
O1
O2
K10
4 3
O2
O1
186
(+)
(-)
(+)
(-)
O2
O1
(+)
(-)
Safety Door (Rear)
Electromagnetic Lock
65
187
E1
E2
E2
E1
E2
E1
S13
S14
:10
:9
S12
:10
:9
S13
:10
:9
S14
Safety Door (Cleaning)
Electromagnetic Lock
S12
K1 K2
K4K3
JP
4
3
b
a
b
a
Control
CircuitTimer
OFF Delay
K4
K3
K2
K1
54
44
34
24
14
A
B
T22
T21
PET11
T12
T31
T32
13
23
33
43
53
A2A1
K320
1 2 3 4 5 6
6261
K203A
Table Z-axis /
PCB U/D Axis
Main Power
A2A1
K203B
A2A1
203
K203A
2221
204
K203B
2221
205
K310
1112
206
42411211
S14 S14
Safety Door (Closed) (Rear)
198
196
11124142
S12 S12
Safety Door (Closed) (Front)
195
24A1
2122
S13
5152
S13
Safety Door (Closed) (Cleaning)
2221
S14 S14
5251
Safety Door (Closed) (Rear)
10A
K310
10
202
199
K310
44 43
K17B
15
24A5
K3171
14 10
S12
:1
197
11124142
S13 S13
Safety Door (Closed) (Cleaning)
S13
:2
S14
:1
S14
:2
S12
:2
S12
:3
201
21225152
S12 S12
Safety Door (Closed) (Front)
S12
:8
S13
:3
S13
:8
S14
:3
S14
:8
183
K23B
26
K3231
13 9
200
Safety Door (Front)
Electromagnetic Lock
125
124
180
181
182
Closed Door
Check Monitor
M17
Brake Release
24A7 184
185
24A7
M23
Brake Release
3-12
5OM-1513

0908-001-(M900WBB--2004)
继电器电路图 3
24B1
10B
(2A)
F10
M05
M05 M05
M04M04
M04
M03
M03 M03
192
M
M
M
24B3
10B
(1A)
F11
193
K301
26
24A5
10A
K300
15
24A1
10A
K315
18
P<
S15
Black
Brown
Blue
:1
S15
:2
S15
:3
S15
191
R17B
White
K117B
18
189
White
:2
X117B
:1
X117B
Red Black
:1:2
:1:2
:1:2
X03
Yellow
:1
X04
Yellow
:1
Red Black
Red Black
M07M07
M07
M06 M06
M
M
Red Black
:1:2
:1:2
Yellow
:1
Yellow
Red Black
M06
X06
X07
:1
Fan inside the Control Panel
Fan on the Control Panel
Left Side
Fan on the Control Panel
Right Side
Internal Fan 1
Power Monitor (24B3 Cable Line)
Power Monitor (24A5 Cable Line)
Air Pressure Monitor
Air Pressure Detection
Internal Fan 2
Regenerative Resistance Monitor
3-13
5OM-1513