5OM-1513-001_w - 第92页
0908-001-(M900WBB--2004) 继电器电路图 3 24B1 10B (2A) F10 M05 M05 M05 M04 M04 M04 M03 M03 M03 192 M M M 24B3 10B (1A) F1 1 193 K301 2 6 24A5 10A K300 1 5 24A1 10A K315 1 8 P< S15 Black Brown Blue :1 S15 :2 S15 :3 S15 191 R1…

0908-001-(M900WBB--2003)
继电器电路图 2
24B1
10B
O1
O2
K10
4 3
O2
O1
186
(+)
(-)
(+)
(-)
O2
O1
(+)
(-)
Safety Door (Rear)
Electromagnetic Lock
65
187
E1
E2
E2
E1
E2
E1
S13
S14
:10
:9
S12
:10
:9
S13
:10
:9
S14
Safety Door (Cleaning)
Electromagnetic Lock
S12
K1 K2
K4K3
JP
4
3
b
a
b
a
Control
CircuitTimer
OFF Delay
K4
K3
K2
K1
54
44
34
24
14
A
B
T22
T21
PET11
T12
T31
T32
13
23
33
43
53
A2A1
K320
1 2 3 4 5 6
6261
K203A
Table Z-axis /
PCB U/D Axis
Main Power
A2A1
K203B
A2A1
203
K203A
2221
204
K203B
2221
205
K310
1112
206
42411211
S14 S14
Safety Door (Closed) (Rear)
198
196
11124142
S12 S12
Safety Door (Closed) (Front)
195
24A1
2122
S13
5152
S13
Safety Door (Closed) (Cleaning)
2221
S14 S14
5251
Safety Door (Closed) (Rear)
10A
K310
10
202
199
K310
44 43
K17B
15
24A5
K3171
14 10
S12
:1
197
11124142
S13 S13
Safety Door (Closed) (Cleaning)
S13
:2
S14
:1
S14
:2
S12
:2
S12
:3
201
21225152
S12 S12
Safety Door (Closed) (Front)
S12
:8
S13
:3
S13
:8
S14
:3
S14
:8
183
K23B
26
K3231
13 9
200
Safety Door (Front)
Electromagnetic Lock
125
124
180
181
182
Closed Door
Check Monitor
M17
Brake Release
24A7 184
185
24A7
M23
Brake Release
3-12
5OM-1513

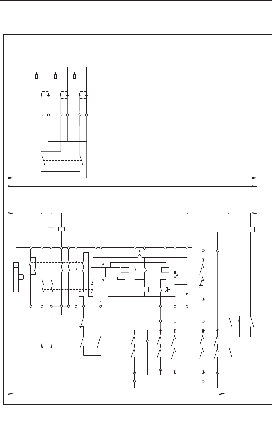
0908-001-(M900WBB--2004)
继电器电路图 3
24B1
10B
(2A)
F10
M05
M05 M05
M04M04
M04
M03
M03 M03
192
M
M
M
24B3
10B
(1A)
F11
193
K301
26
24A5
10A
K300
15
24A1
10A
K315
18
P<
S15
Black
Brown
Blue
:1
S15
:2
S15
:3
S15
191
R17B
White
K117B
18
189
White
:2
X117B
:1
X117B
Red Black
:1:2
:1:2
:1:2
X03
Yellow
:1
X04
Yellow
:1
Red Black
Red Black
M07M07
M07
M06 M06
M
M
Red Black
:1:2
:1:2
Yellow
:1
Yellow
Red Black
M06
X06
X07
:1
Fan inside the Control Panel
Fan on the Control Panel
Left Side
Fan on the Control Panel
Right Side
Internal Fan 1
Power Monitor (24B3 Cable Line)
Power Monitor (24A5 Cable Line)
Air Pressure Monitor
Air Pressure Detection
Internal Fan 2
Regenerative Resistance Monitor
3-13
5OM-1513

0908-001-(M900WBB--2005)
继电器电路图 4
24A3
10A
(GND)
-
OUT
L
+
B3131
K3131
1
(DC24V)
X13131
:B1
:A2
5
:A1
-
OUT
L
+
B3132
-
OUT
L
+
B3133
-
OUT
L
+
B3121
-
OUT
L
+
B3122
-
OUT
L
+
B3123
:B2
K3132
26
:B3
K3133
37
K3123
48
K3122
37
K3121
48
:A4
:A3
3131
3132
3133
3121
3122
3123
X23131
:B1
:A2
:A1
:B2
:B3
X23121
:A4
:A3
:B1
:A2
:A1
:B2
:B3
:A4
:A3
X13121
:B1
:A2
:A1
:B2
:B3
:A4
:A3
X3131
:B1
:A2
:A1
:B2
:B3
X3121
:A4
:A3
:B1
:A2
:A1
:B2
:B3
:A4
:A3
Stencil Recognition X-Axis
- Limit 1
Stencil Recognition X-Axis
- Limit 2
Stencil Recognition X-Axis
- Limit 3
Stencil Recognition X-Axis
+ Limit 1
Stencil Recognition X-Axis
+ Limit 2
Stencil Recognition X-Axis
+ Limit 3
3-14
5OM-1513