PTS-NATULT2-04..pdf - 第73页

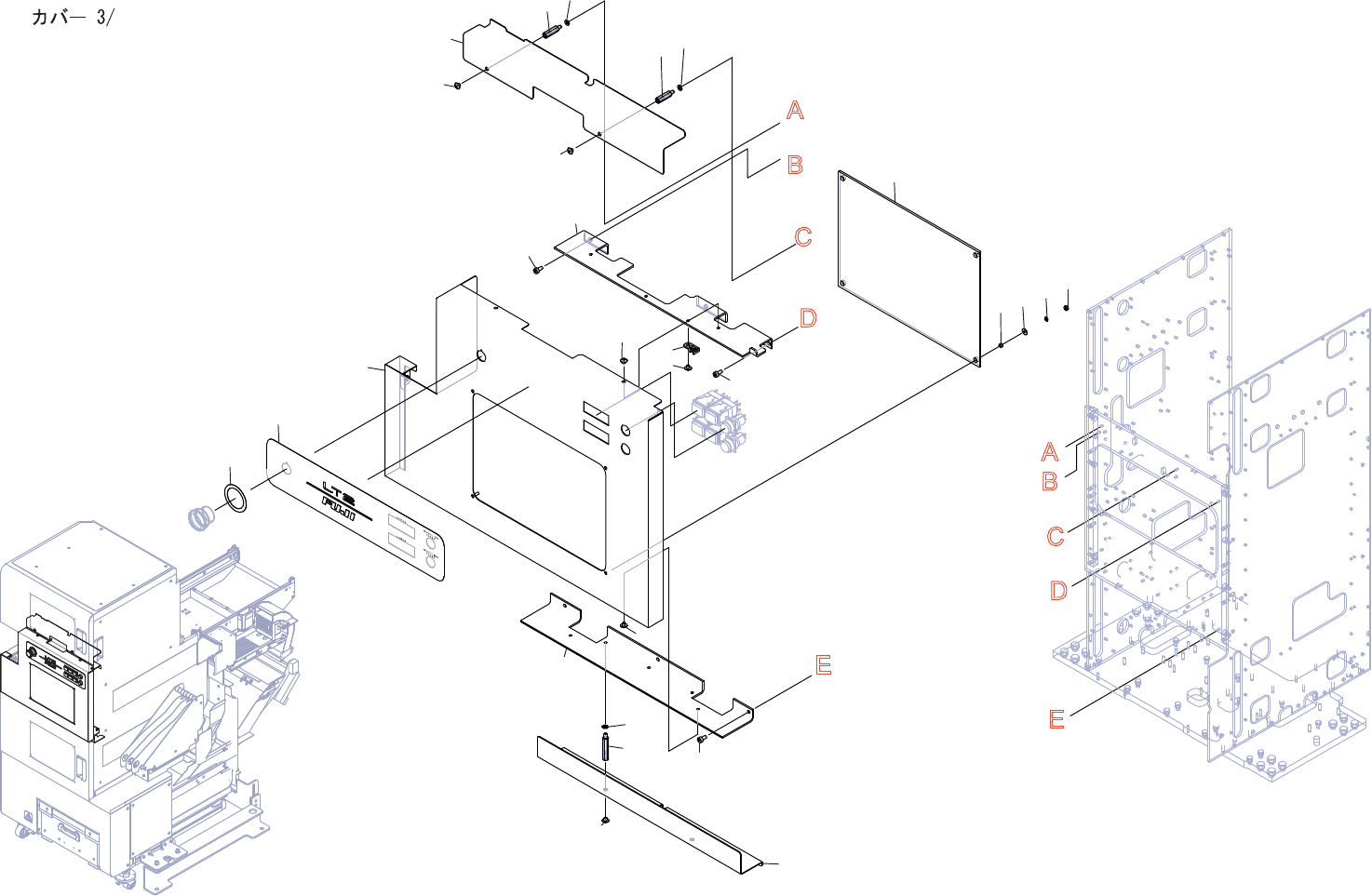
COVER 3/ カバ ー 3/ 2AGTTH000510 No. Drg.No. & Cod e No. QT Y Description Ra ting Re marks 番号 図番 & コード番号 個数 品名 規格 備考 1 2MGTT H008905 1 PA NEL, OPERATIO N パネル 操作 2 K5172H 4 SC REW , C/R TRUSS 小ネジ 十穴 トラス M04X0 04(3 カ…

100%1 / 99
A
B
C
D
E
A
B
C
D
E
8
3
5
12
13
13
14
14
15
15
1
21
22
16
17
18
19
20
2
5
6
7
2
4
5
9
10
11
COVER 3/
2AGTTH000506
72
PTS-NATULT2-04
/
3
/
6
"
0
Q
)
j
:
SJ
^
A
B
<
5
?
C
2
W
D
A
E
0
y
u
u
4
@
'
D
E
Qf
@
©
@
@
COVER 3/
カバー 3/
2AGTTH000510
No.
Drg.No. & Code No.
QTY
Description
Rating
Remarks
番号
図番
&
コード番号
個数
品名
規格
備考
1
2MGTTH008905
1
PANEL, OPERATION
パネル 操作
2
K5172H
4
SCREW, C/R TRUSS
小ネジ 十穴トラス
M04X004(3
シロ
)
3
2MGTTH009002
1
BKT, COVER
BKT カバ
4
2MGTTH009101
1
BKT, COVER
BKT カバ
5
H5426K
6
BOLT, HEX SOCKET
ボルト 六角
M04X008(3
シロ
)
6
S2025A
2
SHEET
シート
CTAM1
7
K5172H
2
SCREW, C/R TRUSS
小ネジ 十穴トラス
M04X004(3
シロ
)
8
2MGTTH023501
1
GUARD
ガード
9
S68709
2
SPACER
スペー
BSU-434
10
W1106D
2
WASHER, LOCK
ワッシャ スプリン
4M/M(3
シロ
)
11
K5172H
2
SCREW, C/R TRUSS
小ネジ 十穴トラス
M04X004(3
シロ
)
12
2MGTTH010301
1
GUARD
ガード
13
S67120
2
SPACER
スペー
BSU-423
14
W1106D
2
WASHER, LOCK
ワッシャ スプリン
4M/M(3
シロ
)
15
K5172H
2
SCREW, C/R TRUSS
小ネジ 十穴トラス
M04X004(3
シロ
)
16
2MGTTH008700
1
COVER, ACRYLIC
カバー アクリル
17
PM03TK1
4
COLLAR
カラー
18
N10793
4
NUT, HEX
ナット 六角
M03 P=0.5(3
カシロ
)
19
W1106C
4
WASHER, LOCK
ワッシャ スプリン
3M/M(3
シロ
)
20
W1054G
4
WASHER, FLAT
ワッシャ 平
3M/MX1.0X9(3
カシロ
)
21
2MGTTH009201
1
SEAL
シール
22
RX01621
1
NAMEPLATE
銘板
73
PTS-NATULT2-04
2
15
19
20
18
19
21
22
22
22
22
24
17
23
12
13
14
16
2
4
4
8
9
10
10
1
5
6
6
7
7
10
11
11
COVER 4/
2AGTTH000506
74
PTS-NATULT2-04
A
4
/
0
0
0
r
*
0
o
s
o
C
o
^
s
O
0
1
\
0
,
0
O
°
o
^
0
.
e
o
<
<
s
.
o
0
0