RX-7,RX-7R_InstructionManual_Rev18_C - 第788页
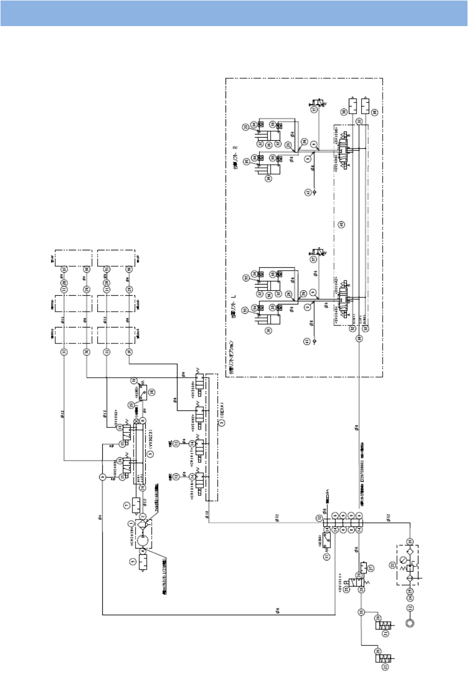
第 6 章 附录 6- 5. 空气流动概 要图 16 6- 5. 空气流动概要图 • 整机示意图

第
6
章
附录
6-4.
词汇表
15
6
贴片停留时间
系指为切实地进行贴片动作,在贴片位置(下降位置)停留的时间。
识别重试次数
设定发生元件识别错误时重新识别的次数。重复了指定次数后仍发生识别错误时,将废弃该元件,
开始吸取下一个元件的动作。设定范围为
0
~
9
之间,如果设定为
0
,则每次发生错误时即废弃。
反射照明
从元件拍照面一侧照射的照明。照相机识别到的图像为元件的实际图像。可用反射照明识别的元件
请选择反射照明。特别是芯片元件等外形有凹凸的元件,反射照明的识别率和精度更高。
在传送动作中元件吸取
为了缩短周期时间,在将基板搬入到贴片位置前,使用吸嘴进行元件的吸取。
元件摄像机
为了正确贴片,对吸取的元件进行确认的摄像机。该元件摄像机安装在
XY
上移动的贴片头上。使用
此摄像机在贴片头移动过程中识别元件。
元件识别时使用反射照明。对轮廓上有凹凸的芯片元件,使用反射照明的识别率和精度更高。
元件数据
与使用元件相关的数据。
元件供给位置数据
元件供给位置的排列数据。使用带式供料器供给时,表示元件供料器的排列。
强行结束元件更换
在元件更换作业过程中强行结束元件更换的方法。本操作仅在用户级别为[
Supervisor
]或
[
Maintenance
]时可进行。
无元件动作设定功能
发生无元件时,可选择本机的运转模式。分为两种模式,一是在发生无元件的同时停止本机的即时
停止模式,二是在发生无元件后,将该基板可贴片的元件全部贴片后再停止本机的模式。

第
6
章
附录
6-5.
空气流动概要图
16
6-5.
空气流动概要图
•
整机示意图

第
6
章
附录
6-5.
空气流动概要图
17
6
•
传送部周边多支管
•
高速贴片头部