文档中心
/
RX-7,RX-7R_InstructionManual_Rev18_C
RX-7,RX-7R_InstructionManual_Rev18_C - 第791页
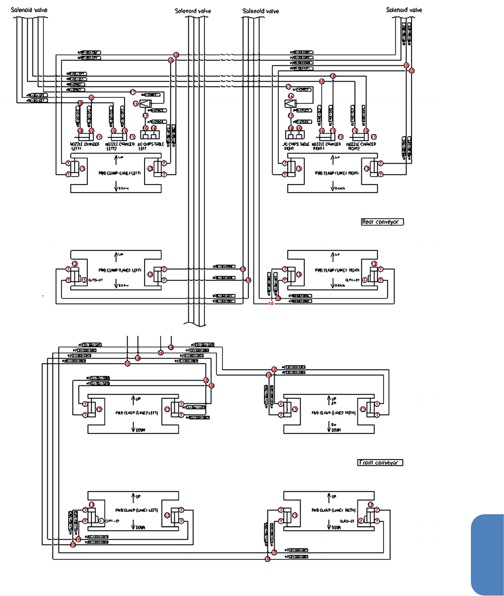
第 6 章 附录 6- 5. 空气流动概 要图 19 6 • 传送部周边
目录
100%
显示:宽度
宽度
1 / 795
回到旧版
旧版
?
第
6
章
附录
6-
5.
空气流动概
要图
18
•
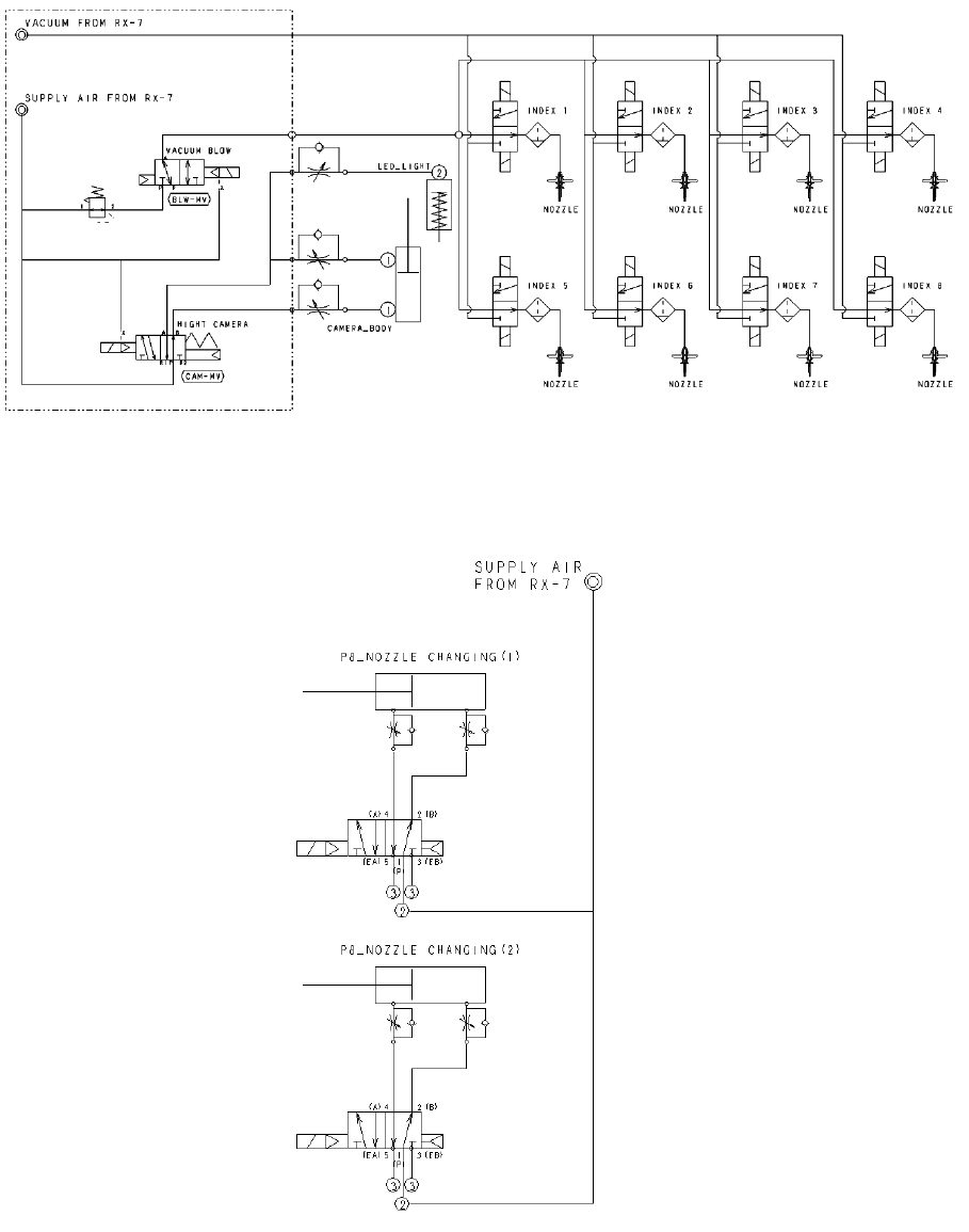
通用贴片头部
•
•
ATC
(通用贴片头)
第
6
章
附录
6-
5.
空气流动概
要图
19
6
•
传送部周边
Notes
该页面需要启用 JavaScript 才能进行交互式预览。