机器设置与安装.pdf - 第200页
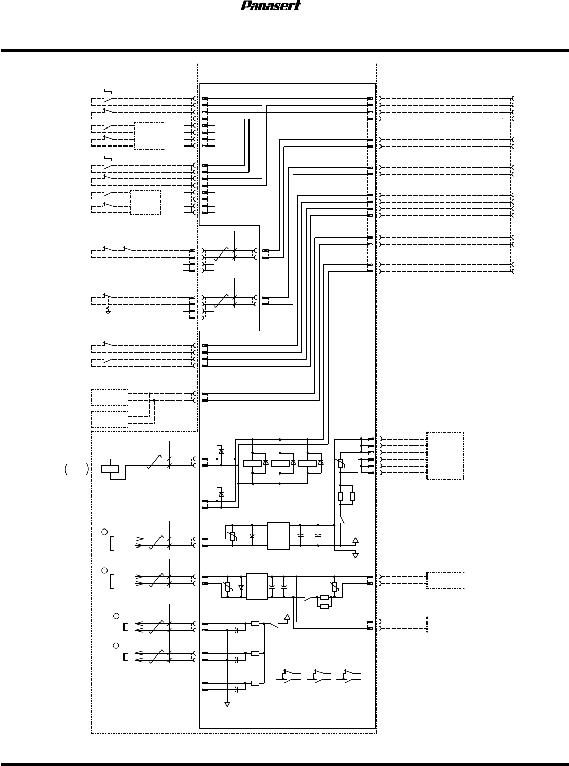
MSR 服务手册 6.5 配电 盘电路图 6 . 5 - 5 D 1 4 S C C - 8 2 - 1 9 0 - A 0 1 2 3 -XJ2SIG 4 7 8 5 6 15 16 13 14 9 10 11 12 5557-16R 10 11 9 10 11 1 2 3 1 2 3 -XJ1SIG1 -XJ1SIG1 7 8 7 8 5 6 5 6 13 14 13 14 15 16 15 16 9 4 4 12 12 1 2 2…

MSR
服务手册
6.5 配电盘电路图
D14SCC-82-190-A0 6.5-4
2.7K
0.33Wy2
1
2
3
-XMSWF
4
5
6
7
5569-08A1
1
2
3
-XMSWF
4
5
6
7
5557-08R
8
8
Front section
Maintenance
switch
Optical module
IN
Fb
Fa
Maintenance switch (front)
1
2
3
-XMSWR
4
5
6
7
5569-08A1
1
2
3
-XMSWR
4
5
6
7
5557-08R
8
8
Rear section
Maintenance
switch
Optical module
IN
Rb
Ra
Maintenance switch (rear)
1
2
-XUINT
1
2
-XUINT
1490P1
1490R
3
3
4
4
A
W
G
2
0
BU
BU
1
2
UINT
1
2
UINT
B2PVH
VHR2N
(Right) (Left)
Rear section upper cover
1
2
-XUES
1490P1
3
4
1
2
-XUES
1490R
3
4
A
W
G
2
0
BU
BU
1
2
UES
VHR2N
1
2
UES
B2PVH
ES rear control panel
1
2
-XHSVPO
5569-04A1
3
4
1
2
-XHSVPO
5557-04R
3
4
Handle lock switch
Head servo switch
P326M/D
VT
400W
P326M/D
CT
400W
1
2
-XUSV
1
2
-XUSV
5557-02R
5569-02A1
1
2
KA5U
B2PVH
V8U
KA2U
(24V1)
ERA15
-06
5
6
G4W1112PUS
TV8DC24V
KA3U
V6U
ERA15
1
16
G6A474P
DC24V
-06
1
2
24VEU1
VHR2N
A
W
G
1
8
BU
BU
1
2
24VEU1
B2PVH
U
RV1U V3U
PSG
CB
B
CG
C1U
+
C2U
47mF
0.1mF
3DZ41
ERZV05D
BNX002-01
470
Z1U
50V 50V
0VEU1
+24VEU1
GS3U
From
1
2
24VEU2
VHR2N
A
W
G
1
8
BU
BU
0VEU2
+24VEU2
GS4U
From
1
2
24VEU2
B2PVH
RV2U V4U
PSG
CB
B
CG
C3U
+
C4U
47mF
0.1mF
ERZV05D
BNX002-01
470
3DZ41
50V 50V
Z2U
1
2
RC1
XHP2
A
W
G
2
2
BU
BU
1
2
RC1
B2BXHA
+
-
GS1U
To
R1U
1/2W
1
2
RC2
XHP2
BU
BU
+
-GS2U
To
1
2
RC2
B2BXHA
R2U
1
2
RC3
B2BXHA
R3U
C5U
50V
C6U
50V
C7U
50V
0VEU1
KA3U
3
7
+24VEU1
1
2
-XUDC24V1
5569-06A1
3
4
1
2
-XUDC24V1
5557-06R
3
4
5 5
6 6
+24VEU1
0VEU1
KA4U
(NOT.D)
ERA15
-06
5
6
(24V2)
V7UV5U
G4W1112PUS
TV8DC24V
1
2
1
2
-XUDC24V2
-XUDC24V2
1
2
1
2
-XUDC24V3
-XUDC24V3
U
RV3U
1
4
KA4U
(24V1)
RV4U
KA2U
(24V2)
41
5569-02A1
5557-02R
5569-02A1
5557-02R
1
2
3
1
2
3
-XJ2SIG
-XJ2SIG
4 4
7
8
7
8
5
6
5
6
15
16
15
16
13
14
13
14
9
10
11
1212
11
9
5557-16R
5569-16A1
UI/F board
Upper section (power source unit 2)
10
11
1
2
3
-XJ1SIG1
7
8
5
6
13
14
15
16
9
4
12
5557-16R
MSWF
MSWF
MSWR
MSWR
RUINT
RUINT
UES
UES
+24V
HLSW
HSVSW
HLSW
0V
SVON
NOT.D
0V
Sensor
Optical module
P922
0V
0V
0V
+24V
+24V
+24V
LED brightness
control BOX
Maintenance
light
+24V
0V
+24V
0V
ERZV05D470
ERZV05D
470
SVON
0V
U
U
10
R4U
5W
0.33Wy2
R5U
0.01mF
0.01mF
0.01mF
1/2W
2.7K
1/2W
2.7K
5W
R6U
R7U
(NOT.D)
KA3U
4
8
6
KA3U
13
9
11
KA3U
14
10
12
0
KA1U
1
G7L2ABUBDC24V
1
2
KA1U
A
W
G
2
0
BU
BU
VHR2N
1
2
KA1U
B2PVH
ERA15-06
V2U
ERA15-06
*1 : The control circuit of the power source unit 1 is shown in the bold single
dot chain line.
(FB-2845)
M30467-36-250
Signal tower
VT.CT
AXIS
(C- 7 )
36-107
(C- 7 )
36-107
(D- 6 )
36-107
(E- 6 )
36-107
C 详细图
维修 SW(前)
维修 SW(后)
前部
维修 SW
光模块
IN
前部
维修 SW
光模块
IN
后部顶盖
(右) (左)
ES 后部操作盘
手柄锁 SW
头伺服 SW
UIF/基板
※1:1
断续线粗线内表
示配
电装置
1
控制线路
维修灯
LED
亮度
控制 BOX
传感器
光模块
P922
室内信号灯

MSR
服务手册
6.5 配电盘电路图
6.5-5 D14SCC-82-190-A0
1
2
3
-XJ2SIG
4
7
8
5
6
15
16
13
14
9
10
11
12
5557-16R
10
11
9
10
11
1
2
3
1
2
3
-XJ1SIG1
-XJ1SIG1
7
8
7
8
5
6
5
6
13
14
13
14
15
16
15
16
9
4
4
12
12
1
2
24VEM
VHR5N
BU
BU
0VEM
+24VEM
GS1M
From
1
3
24VSF
VHR3N
BU
BU
0VSF
+24VSF
GS2M
From
1
2
24VEM
B5PVH
1
3
24VSF
B3PVH
A
W
G
1
8
A
W
G
1
8
0
KA2M
1
G7L2ABUBDC24V
KA2M
VHR2N
A
W
G
2
0
BU
BU
1
2
1
2
KA2M
B2PVH
0
KA1M
1
G7L2ABUBDC24V
KA1M
A
W
G
2
0
BU
BU
1
2
VHR2N
1
2
KA1M
B2PVH
A1
KM2M
A2
DIL00AMG01DC24V
A1
KM1M
A2
DIL1AMG/01SDILM
KM2M
A
W
G
2
0
BU
BU
1
2
KM1M
A
W
G
2
0
BU
BU
1
2
VHR4N
VHR4N
1
2
KM2M
B4PVH
1
2
KM1M
B4PVH
3
3
4
4
22 21
BU
BU
3 3
4
4
DC24V
2122
BU
BU
CB
B
ERZV05D
BNX002-01
470
PSG
3DZ41
RV2M
V27M
CG
C4M
+
47mF
C5M
0.1mF
50V 50V
Z2M
RV3M
ERZV07D
431
R7M
1/2W
2.2M
C6M
2KV
1000PF
CB
B
ERZV05D
PSG
3DZ41
RV1M
V26M
CG
C2M
+
47mF
C3M
0.1mF
50V 50V
Z1M
BNX005-01
470
1
2
3
1
2
3
-XMDC24V2
-XMDC24V2
4
4
5
5
6
6
0VEM
+24VEM
5569-08A1
5557-08R
ERA15
V2M
-06
0VSF
ERA15
V1M
-06
V25M
3DZ41
V24M
34 33
KA11M
+24VSF
KA16M
44 43
(NOT.D)
C
D
KM(C- 4 )
1
2
3
1
2
3
-XMSV
-XMSV
44
KA8M
(SVON1)
84
KA13M
(SVSF1)
48
5557-04R 5569-04A1
5557-16R 5569-16A1
0VSF
KA16M
(NOT.D)
3334
A
B
MSWF(D- 1 )
E
MSWR(C- 2 )
H
RUINT(C- 2 )
F
G
UES(C- 1 )
+24VSF
MSWF
MSWF
MSWR
MSWR
RUINT
RUINT
UES
UES
+24V
HLSW
HSVSW
HLSW
0V
SVON
NOT.D
0V
P326M/D
X
750W
P326M/D
Y
1KW
P326M/D
XYT
100W
P326M/D
H
13KW
0V
SVSFON
HSVON
0V
0VSF
+24VSF
Sensor
Optical module
BHU
0V
0V
0V
0V
+24V
+24V
1
2
1
2
RC
RC
B2BXHA
XHP2
C1M
0.01mF
50V
R6M
1/2W 2.7K
BU
A
W
G
2
2
BU
+
-
To
GS1M
1
2
3
1
2
3
-XMETC
-XMETC
4 4
5 5
6 6
7 7
8 8
5569-08A1
5557-08R
0VSF
0VEM
KA8M
10 14
KA15M
913
KA5M
84
(SVON1)
(ES)
(FIL)
Optical
module
IN/OUT
ES
ES
SVON
SVON
FIL
FIL
0V
HM
3DZ41
(KMON1)
U
U
U
7
7
8
8
+24V
+24V
KA8M
(SVON1)
913
1
2
3
1
2
3
-XOPC
-XOPC
44
55
66
77
8
8
99
1010
5569-10A1
5557-10R
0VSF
+24VSF
V8M
ERA15
-06
KA8M
1
16
(SV0N1)
G6A474P
DC12V
KA10M
(ESS)
84
KA7M
1
16
(SFC)
V16M
ERA15
-06
KA16M
1
2
G7S4A2B
DC24V
G6A274P
DC24V
(NOT.D)
0VSF
ES
+12V
0V
(+12V)
0V
(24V)
+24V
SV
ON/OFF
P.OFF
NOT.D
P8000 controller
MZI/F board
*1 : The control circuit of the power source unit 1 is shown in the bold single dot chain line.
(FB-2870)
M30467-36-160
1
2
3
1
2
3
-XZDC24V
-XZDC24V
4
4
5
5
5569-06A1
5557-06R
Sensor
Optical module
0V
0V
0V
+24V
+24V
6
6
+24V
1
2
3
-XMDC24V1
4
Pulse driver
unit
1
2
3
-XMDC24V1
4
5557-04R
5569-04A1
V7M
ERA15
-06
0V
0V
+24V
+24V
3
3
4
4
5
5
0VEM
+24VEM
BU
BU
2
2
(E- 2 )
36-107
(D- 2 )
36-107
(E- 2 )
36-107
P.ON
H
AXIS
X, Y, XYT
AXIS
AC100V
NOT.D
H SIG
AXIS
i j
D 详细图
MZI/F 基板
※1:1 断续线粗线内表示配电装置 1 控制线路
传感器
光模块
BHU
脉冲
驱动器
装置
传感器
光模块

MSR
服务手册
6.5 配电盘电路图
D14SCC-82-190-A0 6.5-6
1
2
3
1
2
3
-
X
M
A
C
1
V
1
-
X
M
A
C
1
V
1
4
4
3
1
9
1
-
1
5
P
3
1
9
1
-
1
5
R
1
AWG18
B
K
1
2
3
A
C
1
1
2
3
A
C
2
1
2
3
A
C
3
1
2
3
A
C
4
5
2
1
9
-
0
3
A
5
2
1
9
-
0
3
A
5
2
1
9
-
0
3
A
5
2
1
9
-
0
3
A
1
2
3
A
C
I
N
5
2
1
9
-
0
3
A
1
2
3
A
C
I
N
3
1
9
1
-
0
3
R
1
1
2
3
A
C
1
1
2
3
A
C
2
1
2
3
A
C
3
1
2
3
A
C
4
3
1
9
1
-
0
3
R
1
3
1
9
1
-
0
3
R
1
3
1
9
1
-
0
3
R
1
3
1
9
1
-
0
3
R
1
A
C
d
i
v
a
r
i
c
a
t
e
P
C
B
1
M
B
K
B
K
5
5
6
6
7
7
8
8
9
9
1
0
1
0
1
1
1
1
1
2
1
2
B
K
B
K
B
K
B
K
B
K
B
K
B
K
B
K
B
K
N
O
T
.
D
P
r
i
n
t
e
r
A
C
m
o
d
u
l
e
T
r
a
n
s
f
e
r
d
r
i
v
e
r
1
T
r
a
n
s
f
e
r
d
r
i
v
e
r
2
1
2
3
-
X
M
A
C
1
V
2
4
5
6
Q
F
3
M
O
N
/
O
F
F
1
2
3
-
X
M
A
C
1
V
2
4
5
6
AWG18
B
K
B
K
B
K
B
K
B
K
B
K
L
o
a
d
e
r
U
n
l
o
a
d
e
r
3
1
9
1
-
0
6
P
3
1
9
1
-
0
6
R
1
AWG18
B
K
B
K
2
4
6
8
K
A
1
M
(
N
O
T
.
D
)
X
1
0
2
Y
1
0
2
AWG18
B
K
B
K
X
1
0
1
Y
1
0
1
-
X
T
R
A
N
S
2
3
1
9
1
-
0
4
P
1
2
3
1
2
3
-
X
T
R
A
N
S
2
3
1
9
1
-
0
4
R
1
4
4
AWG18
B
K
B
K
B
K
V
1
1
3
AWG16
B
K
A
1
A
2
B
1
-
X
T
R
A
N
S
1
1
-
9
1
7
8
0
7
-
2
B
2
-
X
T
R
A
N
S
1
1
-
9
1
7
8
0
9
-
2
A
1
A
2
B
1
B
2
V
1
0
1
W
1
0
1
AWG10
B
K
B
K
-
X
A
C
2
0
0
V
1
-
X
A
C
2
0
0
V
1
C
P
3
1
V
/
1
5
D
N
Q
F
4
M
(
1
5
A
)
E
G
3
2
F
/
1
0
A
3
0
m
A
T
U
V
Q
F
3
M
(
1
0
A
)
1
K
V
A
Y
B
K
3
1
6
0
4
0
-
2
9
1
7
8
0
4
-
2
9
1
7
8
0
5
-
2
3
1
6
0
4
1
-
2
M
a
i
n
b
o
d
y
s
e
c
t
i
o
n
(
P
o
w
e
r
s
o
u
r
c
e
u
n
i
t
1
)
X
1
0
0
Y
1
0
0
M
3
0
4
4
3
-
3
8
-
2
0
0
(
F
B
-
2
7
8
8
)
1
3
1
3
1
4
1
4
1
5
1
5
B
K
B
K
B
K
1
2
3
A
C
5
5
2
1
9
-
0
3
A
1
2
3
A
C
5
3
1
9
1
-
0
3
R
1
2
0
0
V
/
1
0
0
V
T
M
X
W
V
*
1
:
T
h
e
p
o
w
e
r
s
u
p
p
l
y
c
i
r
c
u
i
t
o
f
t
h
e
p
o
w
e
r
s
o
u
r
c
e
u
n
i
t
1
i
s
s
h
o
w
n
i
n
t
h
e
b
o
l
d
s
i
n
g
l
e
d
o
t
c
h
a
i
n
l
i
n
e
.
R
e
c
o
g
n
i
t
i
o
n
m
o
n
i
t
o
r
l
k
E 详细图
主体部[配电装置 1]
打印机
AC 模块
搬送驱动器 1
搬送驱动器 2
识别监视器
上料机
卸料机
※1:1 断续线粗线内表示配电装置 1 电源电路