机器设置与安装.pdf - 第201页

MSR 服务手册 6.5 配电 盘电路图 D14SCC-82-1 90-A0 6.5-6 1 2 3 1 2 3 - X M A C 1 V 1 - X M A C 1 V 1 4 4 3 1 9 1 - 1 5 P 3 1 9 1 - 1 5 R 1 AWG18 B K 1 2 3 A C 1 1 2 3 A C 2 1 2 3 A C 3 1 2 3 A C 4 5 2 1 9 - 0 3 A 5 2 1 9 - 0 3 A 5 2…

100%1 / 234
MSR
服务手册
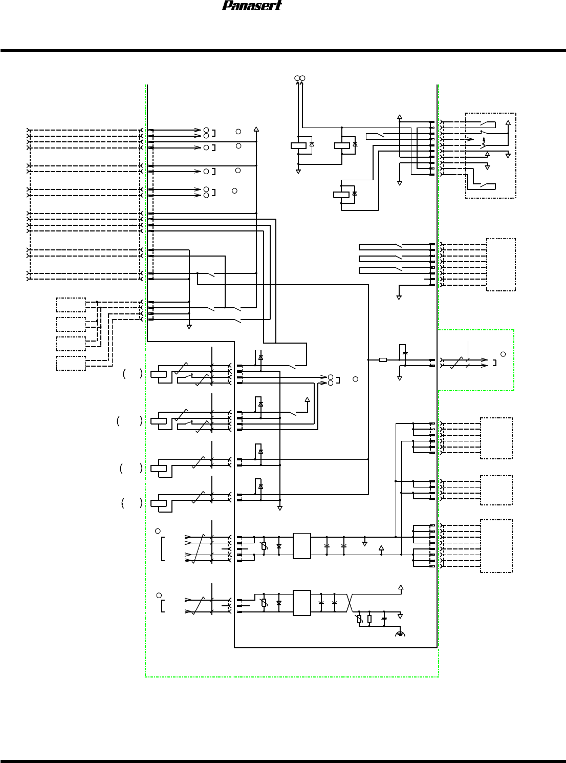
6.5 配电盘电路图
6.5-5 D14SCC-82-190-A0
1
2
3
-XJ2SIG
4
7
8
5
6
15
16
13
14
9
10
11
12
5557-16R
10
11
9
10
11
1
2
3
1
2
3
-XJ1SIG1
-XJ1SIG1
7
8
7
8
5
6
5
6
13
14
13
14
15
16
15
16
9
4
4
12
12
1
2
24VEM
VHR5N
BU
BU
0VEM
+24VEM
GS1M
From
1
3
24VSF
VHR3N
BU
BU
0VSF
+24VSF
GS2M
From
1
2
24VEM
B5PVH
1
3
24VSF
B3PVH
A
W
G
1
8
A
W
G
1
8
0
KA2M
1
G7L2ABUBDC24V
KA2M
VHR2N
A
W
G
2
0
BU
BU
1
2
1
2
KA2M
B2PVH
0
KA1M
1
G7L2ABUBDC24V
KA1M
A
W
G
2
0
BU
BU
1
2
VHR2N
1
2
KA1M
B2PVH
A1
KM2M
A2
DIL00AMG01DC24V
A1
KM1M
A2
DIL1AMG/01SDILM
KM2M
A
W
G
2
0
BU
BU
1
2
KM1M
A
W
G
2
0
BU
BU
1
2
VHR4N
VHR4N
1
2
KM2M
B4PVH
1
2
KM1M
B4PVH
3
3
4
4
22 21
BU
BU
3 3
4
4
DC24V
2122
BU
BU
CB
B
ERZV05D
BNX002-01
470
PSG
3DZ41
RV2M
V27M
CG
C4M
+
47mF
C5M
0.1mF
50V 50V
Z2M
RV3M
ERZV07D
431
R7M
1/2W
2.2M
C6M
2KV
1000PF
CB
B
ERZV05D
PSG
3DZ41
RV1M
V26M
CG
C2M
+
47mF
C3M
0.1mF
50V 50V
Z1M
BNX005-01
470
1
2
3
1
2
3
-XMDC24V2
-XMDC24V2
4
4
5
5
6
6
0VEM
+24VEM
5569-08A1
5557-08R
ERA15
V2M
-06
0VSF
ERA15
V1M
-06
V25M
3DZ41
V24M
34 33
KA11M
+24VSF
KA16M
44 43
(NOT.D)
C
D
KM(C- 4 )
1
2
3
1
2
3
-XMSV
-XMSV
44
KA8M
(SVON1)
84
KA13M
(SVSF1)
48
5557-04R 5569-04A1
5557-16R 5569-16A1
0VSF
KA16M
(NOT.D)
3334
A
B
MSWF(D- 1 )
E
MSWR(C- 2 )
H
RUINT(C- 2 )
F
G
UES(C- 1 )
+24VSF
MSWF
MSWF
MSWR
MSWR
RUINT
RUINT
UES
UES
+24V
HLSW
HSVSW
HLSW
0V
SVON
NOT.D
0V
P326M/D
X
750W
P326M/D
Y
1KW
P326M/D
XYT
100W
P326M/D
H
13KW
0V
SVSFON
HSVON
0V
0VSF
+24VSF
Sensor
Optical module
BHU
0V
0V
0V
0V
+24V
+24V
1
2
1
2
RC
RC
B2BXHA
XHP2
C1M
0.01mF
50V
R6M
1/2W 2.7K
BU
A
W
G
2
2
BU
+
-
To
GS1M
1
2
3
1
2
3
-XMETC
-XMETC
4 4
5 5
6 6
7 7
8 8
5569-08A1
5557-08R
0VSF
0VEM
KA8M
10 14
KA15M
913
KA5M
84
(SVON1)
(ES)
(FIL)
Optical
module
IN/OUT
ES
ES
SVON
SVON
FIL
FIL
0V
HM
3DZ41
(KMON1)
U
U
U
7
7
8
8
+24V
+24V
KA8M
(SVON1)
913
1
2
3
1
2
3
-XOPC
-XOPC
44
55
66
77
8
8
99
1010
5569-10A1
5557-10R
0VSF
+24VSF
V8M
ERA15
-06
KA8M
1
16
(SV0N1)
G6A474P
DC12V
KA10M
(ESS)
84
KA7M
1
16
(SFC)
V16M
ERA15
-06
KA16M
1
2
G7S4A2B
DC24V
G6A274P
DC24V
(NOT.D)
0VSF
ES
+12V
0V
(+12V)
0V
(24V)
+24V
SV
ON/OFF
P.OFF
NOT.D
P8000 controller
MZI/F board
*1 : The control circuit of the power source unit 1 is shown in the bold single dot chain line.
(FB-2870)
M30467-36-160
1
2
3
1
2
3
-XZDC24V
-XZDC24V
4
4
5
5
5569-06A1
5557-06R
Sensor
Optical module
0V
0V
0V
+24V
+24V
6
6
+24V
1
2
3
-XMDC24V1
4
Pulse driver
unit
1
2
3
-XMDC24V1
4
5557-04R
5569-04A1
V7M
ERA15
-06
0V
0V
+24V
+24V
3
3
4
4
5
5
0VEM
+24VEM
BU
BU
2
2
(E- 2 )
36-107
(D- 2 )
36-107
(E- 2 )
36-107
P.ON
H
AXIS
X, Y, XYT
AXIS
AC100V
NOT.D
H SIG
AXIS
i j
D 详细图
MZI/F 基板
11 断续线粗线内表示配电装置 1 控制线路
传感器
光模块
BHU
脉冲
驱动器
装置
传感器
光模块
MSR
服务手册
6.5 配电盘电路图
D14SCC-82-190-A0 6.5-6
1
2
3
1
2
3
-
X
M
A
C
1
V
1
-
X
M
A
C
1
V
1
4
4
3
1
9
1
-
1
5
P
3
1
9
1
-
1
5
R
1
AWG18
B
K
1
2
3
A
C
1
1
2
3
A
C
2
1
2
3
A
C
3
1
2
3
A
C
4
5
2
1
9
-
0
3
A
5
2
1
9
-
0
3
A
5
2
1
9
-
0
3
A
5
2
1
9
-
0
3
A
1
2
3
A
C
I
N
5
2
1
9
-
0
3
A
1
2
3
A
C
I
N
3
1
9
1
-
0
3
R
1
1
2
3
A
C
1
1
2
3
A
C
2
1
2
3
A
C
3
1
2
3
A
C
4
3
1
9
1
-
0
3
R
1
3
1
9
1
-
0
3
R
1
3
1
9
1
-
0
3
R
1
3
1
9
1
-
0
3
R
1
A
C
d
i
v
a
r
i
c
a
t
e
P
C
B
1
M
B
K
B
K
5
5
6
6
7
7
8
8
9
9
1
0
1
0
1
1
1
1
1
2
1
2
B
K
B
K
B
K
B
K
B
K
B
K
B
K
B
K
B
K
N
O
T
.
D
P
r
i
n
t
e
r
A
C
m
o
d
u
l
e
T
r
a
n
s
f
e
r
d
r
i
v
e
r
1
T
r
a
n
s
f
e
r
d
r
i
v
e
r
2
1
2
3
-
X
M
A
C
1
V
2
4
5
6
Q
F
3
M
O
N
/
O
F
F
1
2
3
-
X
M
A
C
1
V
2
4
5
6
AWG18
B
K
B
K
B
K
B
K
B
K
B
K
L
o
a
d
e
r
U
n
l
o
a
d
e
r
3
1
9
1
-
0
6
P
3
1
9
1
-
0
6
R
1
AWG18
B
K
B
K
2
4
6
8
K
A
1
M
(
N
O
T
.
D
)
X
1
0
2
Y
1
0
2
AWG18
B
K
B
K
X
1
0
1
Y
1
0
1
-
X
T
R
A
N
S
2
3
1
9
1
-
0
4
P
1
2
3
1
2
3
-
X
T
R
A
N
S
2
3
1
9
1
-
0
4
R
1
4
4
AWG18
B
K
B
K
B
K
V
1
1
3
AWG16
B
K
A
1
A
2
B
1
-
X
T
R
A
N
S
1
1
-
9
1
7
8
0
7
-
2
B
2
-
X
T
R
A
N
S
1
1
-
9
1
7
8
0
9
-
2
A
1
A
2
B
1
B
2
V
1
0
1
W
1
0
1
AWG10
B
K
B
K
-
X
A
C
2
0
0
V
1
-
X
A
C
2
0
0
V
1
C
P
3
1
V
/
1
5
D
N
Q
F
4
M
(
1
5
A
)
E
G
3
2
F
/
1
0
A
3
0
m
A
T
U
V
Q
F
3
M
(
1
0
A
)
1
K
V
A
Y
B
K
3
1
6
0
4
0
-
2
9
1
7
8
0
4
-
2
9
1
7
8
0
5
-
2
3
1
6
0
4
1
-
2
M
a
i
n
b
o
d
y
s
e
c
t
i
o
n
(
P
o
w
e
r
s
o
u
r
c
e
u
n
i
t
1
)
X
1
0
0
Y
1
0
0
M
3
0
4
4
3
-
3
8
-
2
0
0
(
F
B
-
2
7
8
8
)
1
3
1
3
1
4
1
4
1
5
1
5
B
K
B
K
B
K
1
2
3
A
C
5
5
2
1
9
-
0
3
A
1
2
3
A
C
5
3
1
9
1
-
0
3
R
1
2
0
0
V
/
1
0
0
V
T
M
X
W
V
*
1
:
T
h
e
p
o
w
e
r
s
u
p
p
l
y
c
i
r
c
u
i
t
o
f
t
h
e
p
o
w
e
r
s
o
u
r
c
e
u
n
i
t
1
i
s
s
h
o
w
n
i
n
t
h
e
b
o
l
d
s
i
n
g
l
e
d
o
t
c
h
a
i
n
l
i
n
e
.
R
e
c
o
g
n
i
t
i
o
n
m
o
n
i
t
o
r
l
k
E 详细图
主体部[配电装置 1]
打印机
AC 模块
搬送驱动器 1
搬送驱动器 2
识别监视器
上料机
卸料机
11 断续线粗线内表示配电装置 1 电源电路
MSR
服务手册
6.5 配电盘电路图
6.5-7 D14SCC-82-190-A0
9
1
7
8
0
4
-
2
(
N
O
T
.
D
)
U
1
0
4
9
1
7
8
0
4
-
2
AWG10
B
K
B
K
B
K
H
N
O
T
.
D
P
3
2
6
M
/
D
H
AWG16
B
K
P
o
w
A
1
A
2
B
1
-
X
M
A
C
2
V
2
B
2
AWG16
B
K
B
K
B
K
B
K
A
1
A
2
B
1
-
X
M
A
C
2
V
2
B
2
N
O
T
.
D
W
1
0
2
V
1
0
2
U
1
0
2
W
1
0
4
V
1
0
3
S
I
G
1
-
9
1
7
8
0
9
-
2
1
-
9
1
7
8
0
7
-
2
3
1
6
0
4
0
-
2
9
1
7
8
0
4
-
2
1
3
K
w
A
1
A
2
B
1
-
X
M
A
C
2
V
6
B
2
AWG10
B
K
B
K
B
K
B
K
A
1
A
2
B
1
-
X
M
A
C
2
V
6
B
2
S
F
.
D
W
1
0
7
V
1
0
7
U
1
0
7
1
-
9
1
7
8
0
9
-
2
1
-
9
1
7
8
0
7
-
2
3
1
6
0
4
1
-
2
9
1
7
8
0
5
-
2
P
o
w
P
3
2
6
M
/
D
AWG16
3
1
6
0
4
0
-
2
9
1
7
8
0
4
-
2
A
1
A
2
B
1
-
X
M
A
C
2
V
4
B
2
1
-
9
1
7
8
0
9
-
2
9
1
7
8
0
4
-
2
AWG16
B
K
B
K
B
K
V
1
0
8
U
1
0
8
A
1
A
2
B
1
-
X
M
A
C
2
V
4
B
2
1
-
9
1
7
8
0
7
-
2
3
1
6
0
4
0
-
2
S
F
.
D
S
I
G
X
7
5
0
w
Y
1
K
w
P
3
2
6
M
/
D
X
Y
T
1
0
0
w
P
o
w
S
I
G
A
1
A
2
B
1
-
X
M
A
C
2
V
1
B
2
1
-
9
1
7
8
0
9
-
2
9
1
7
8
0
4
-
2
AWG16
B
K
B
K
B
K
A
1
A
2
B
1
-
X
M
A
C
2
V
1
B
2
1
-
9
1
7
8
0
7
-
2
3
1
6
0
4
0
-
2
Q
F
5
M
O
N
/
O
F
F
P
8
0
0
0
c
o
n
t
r
o
l
l
e
r
A
1
A
2
B
1
-
X
M
A
C
2
V
7
B
2
A
1
A
2
B
1
-
X
M
A
C
2
V
7
B
2
Q
F
5
M
O
N
/
O
F
F
1
-
9
1
7
8
0
9
-
2
1
-
9
1
7
8
0
7
-
2
3
1
6
0
4
0
-
2
9
1
7
8
0
4
-
2
AWG16
B
K
B
K
B
K
B
K
W
1
0
3
V
1
0
3
U
1
0
3
W
a
s
t
e
r
e
c
e
p
t
a
c
l
e
A
1
A
2
B
1
-
X
M
A
C
2
V
9
B
2
A
1
A
2
B
1
-
X
M
A
C
2
V
9
B
2
Q
F
2
M
O
N
/
O
F
F
1
-
9
1
7
8
0
9
-
2
1
-
9
1
7
8
0
7
-
2
3
1
6
0
4
1
-
2
9
1
7
8
0
5
-
2
t
o
I
N
A
1
A
2
B
1
A
1
A
2
B
1
t
o
I
N
B
2
B
2
M
a
i
n
s
w
i
t
c
h
w
i
t
h
b
r
e
a
k
e
r
U
F
a
c
t
o
r
y
p
o
w
e
r
s
u
p
p
l
y
Z
N
o
i
s
e
f
i
l
t
e
r
V
1
0
0
W
1
0
0
B
K
U
1
0
1
V
1
0
1
W
1
0
1
AWG10
B
K
B
K
B
K
1
2
3
4
K
M
1
M
(
H
N
O
T
.
D
)
6
5
2
4
K
A
2
M
8
6
AWG16
B
K
B
K
B
K
W
1
0
3
V
1
0
3
U
1
0
3
U
1
0
1
V
1
0
1
W
1
0
1
AWG10
B
K
B
K
B
K
AWG10
B
K
B
K
AWG10
B
K
B
K
B
K
1
2
3
4
K
M
2
M
(
S
F
.
D
)
6
5
U
1
0
6
V
1
0
6
W
1
0
6
A
1
A
2
B
1
t
o
I
N
B
2
t
o
I
N
A
1
A
2
B
1
B
2
V
1
0
5
W
1
0
5
-
X
A
C
2
0
0
V
1
-
X
A
C
2
0
0
V
1
-
X
A
C
2
0
0
V
2
-
X
A
C
2
0
0
V
2
U
1
0
5
U
1
0
0
B
K
AWG10
B
K
B
K
A
W
G
1
0
BK
BK
C
P
3
2
V
/
1
0
D
N
Q
F
6
M
(
1
0
A
)
C
P
3
3
V
/
1
0
D
N
Q
F
5
M
(
1
0
A
)
E
G
3
3
F
/
3
0
A
3
0
m
A
T
U
V
Q
F
1
M
(
3
0
A
)
E
G
3
3
F
/
3
0
A
3
0
m
A
T
U
V
Q
F
2
M
(
3
0
A
)
P
E
A
1
A
2
B
1
-
X
M
A
C
2
V
3
B
2
1
-
9
1
7
8
0
9
-
2
9
1
7
8
0
5
-
2
A
1
A
2
B
1
-
X
M
A
C
2
V
3
B
2
1
-
9
1
7
8
0
7
-
2
3
1
6
0
4
1
-
2
W
1
0
6
V
1
0
6
U
1
0
6
3
1
6
0
4
0
-
2
U
1
0
3
W
1
0
3
3
1
6
0
4
0
-
2
AWG10
AWG16
B
K
B
K
B
K
B
K
AWG16
AWG16
2
-
9
1
7
8
0
7
-
2
3
1
6
0
4
1
-
2
3
1
6
0
4
0
-
2
2
-
9
1
7
8
0
9
-
2
9
1
7
8
0
5
-
2
9
1
7
8
0
4
-
2
2
-
9
1
7
8
0
7
-
2
3
1
6
0
4
1
-
2
3
1
6
0
4
0
-
2
2
-
9
1
7
8
0
9
-
2
9
1
7
8
0
5
-
2
9
1
7
8
0
4
-
2
*
1
:
T
h
e
p
o
w
e
r
s
u
p
p
l
y
c
i
r
c
u
i
t
o
f
t
h
e
p
o
w
e
r
s
o
u
r
c
e
u
n
i
t
1
i
s
s
h
o
w
n
i
n
t
h
e
b
o
l
d
s
i
n
g
l
e
d
o
t
c
h
a
i
n
l
i
n
e
.
r
q
p
n
m
o
l
k
3
-
p
h
a
s
e
A
C
2
0
0
V
F 详细图
附断路器
SW
噪声过滤器
11 断续线粗线内表示配电装置 1 电源电路
工场电源
三相 AC200V