P-255-006e - 第203页
MODEL GXH-1JS 1012-006 201 Key No. P AR T No. P AR T NAME Q’ty REMARKS New Code NOTE 351 6301336046 BRACKET 1 829BS-010-077 21 1F9321 352 6301237435 BRACKET 2 829BS-010-078 21 1F8026 353 630151 1658 P .C.B,MOUNT 1 U92 82…

MODEL GXH-1JS
0701-002
200
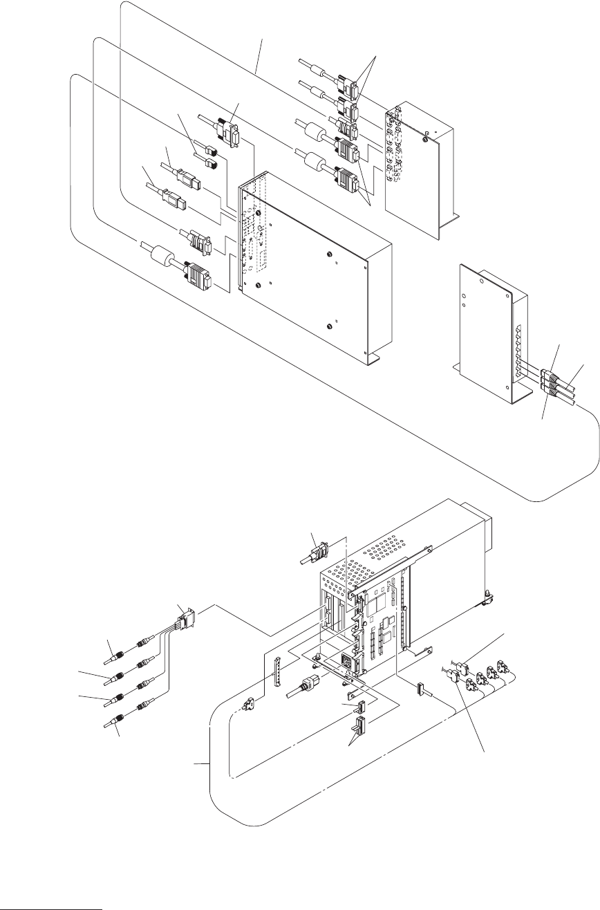
電装ボックス
R ELECTRICAL BOX R
Fig. BS-4
認識ボード
Recognition Borad
351
374
377
382
357
358
375
378
383
353
356
360
354
352
373
381
382
377
374
375
378
383
352
382
377
374
362
373
376
381
376
362
371
.
378
..
383

MODEL GXH-1JS
1012-006
201
Key No. PART No. PART NAME Q’ty REMARKS New Code
NOTE
351 6301336046 BRACKET 1 829BS-010-077 211F9321
352 6301237435 BRACKET 2 829BS-010-078 211F8026
353 6301511658 P.C.B,MOUNT 1 U92 829BS-010-167 4B1
11572
354 6301270340 P.C.B,MOUNT 1 U94 829BS-010-168 4B1
11484
356 6301533933 EQUIPMENT 1 U91 829BS-010-169 4U260325
357 6301455907 P.C.B,MOUNT 1 U95 829BS-010-173 4B1
11556
358 6300699616 ACCESSORY,P.C.B 6 829BS-010-176 23L10045
360
6301622903 UNIT,I/O 1 829BS-010-177 4U250239
362
6301235493 MECH PARTS(RUBBER DAMPER) 4 829BS-010-175 226J1834
371
6300007756 BOLT,HEX-SCT 2 M5X12 221A0030
373
4110418908 SCR PAN 3X6 8 M3X6 PAN 221E0497
374 4111131400 SCR PAN 4X6 10 M4X6 PAN 221E0509
375 4111410505 NUT HEX 5 4 M5 221F0085
376
4110864408 WASHER SPR 3 8 SW3 F 221H0280
377
4110081706 WASHER SPR 4 10 SW4 F 221H0283
378
4111416705 WASHER SPR 5 6 SW5 221H0289
381
4111191909 WASHER V 3X7X0.5 16 FW3 F 221H0311
382 4111192104 WASHER V 4X9X0.8 10 FW4 F 221H0314
383
4111414107 WASHER V 5X10X1 6 FW5 221H0320
BS-4

MODEL GXH-1JS
0804-004
202
電装ボックス
R ELECTRICAL BOX R
Fig. BS-5
ケーブル
Cable
487
486
489
See Fig BT-2
KeyNo.170
See Fig BU-2
KeyNo.170
488
465
458
455
471
457
456
466
469
468
470
U73
U71
U72
U95
U91
U92
U94
X7304
X7308
X7309
X7201
X7202
X7203
X7305
X7306
X7103
X7107
X7108
X7105
X7102
X7101
X7106
X9504
X9101
X9401
X9202
X19401
X29401
X9505
X9510
X9511
X9502
X13601
X6101
X13601
X6101
481
482
483
482
483
X49201
X39201
X29201
X19201
X9201