yv100xg_e - 第16页
PA G E 14 YV100Xg (KGB) Con fi dential & Proprietary KGB-000-CN05 FES20 feeder structure

PAGE
13
YV100Xg (KGB)
Confi dential & Proprietary
KGB-000-CN05
Fix50 feeder structure

PAGE
14
YV100Xg (KGB)
Confi dential & Proprietary
KGB-000-CN05
FES20 feeder structure

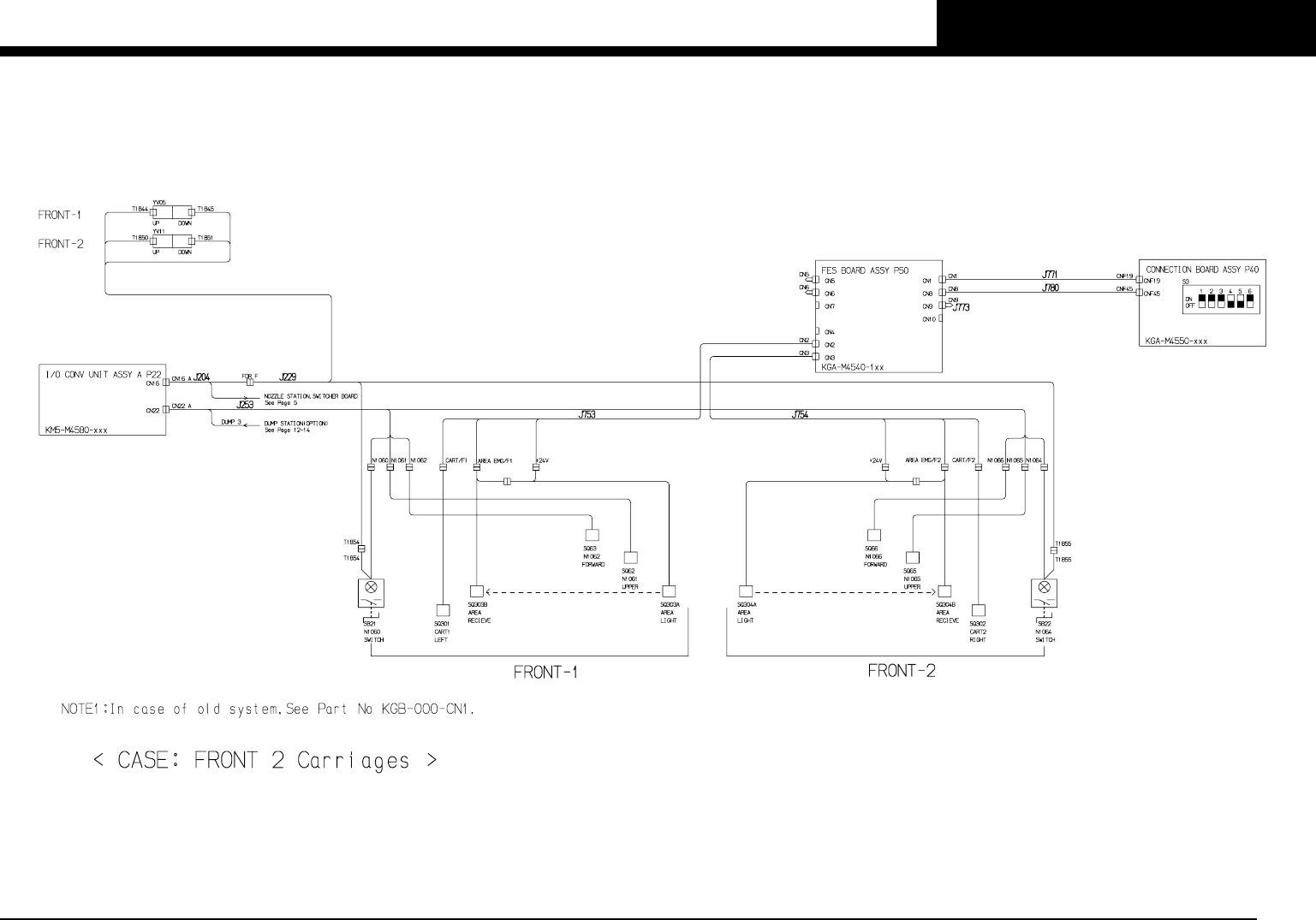
PAGE
15
YV100Xg (KGB)
Confi dential & Proprietary
KGB-000-CN05
FES20 safety circuit (non stop) -1-