yv100xg_e - 第22页
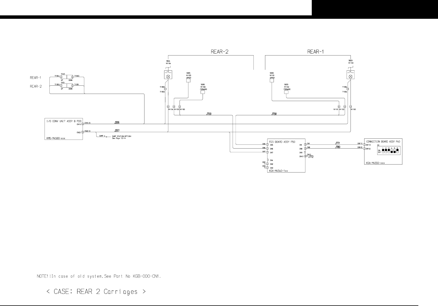
PA G E 20 YV100Xg (KGB) Con fi dential & Proprietary KGB-000-CN05 FES20 safety circuit (normal) -3-

PAGE
19
YV100Xg (KGB)
Confi dential & Proprietary
KGB-000-CN05
FES20 safety circuit (normal) -2-

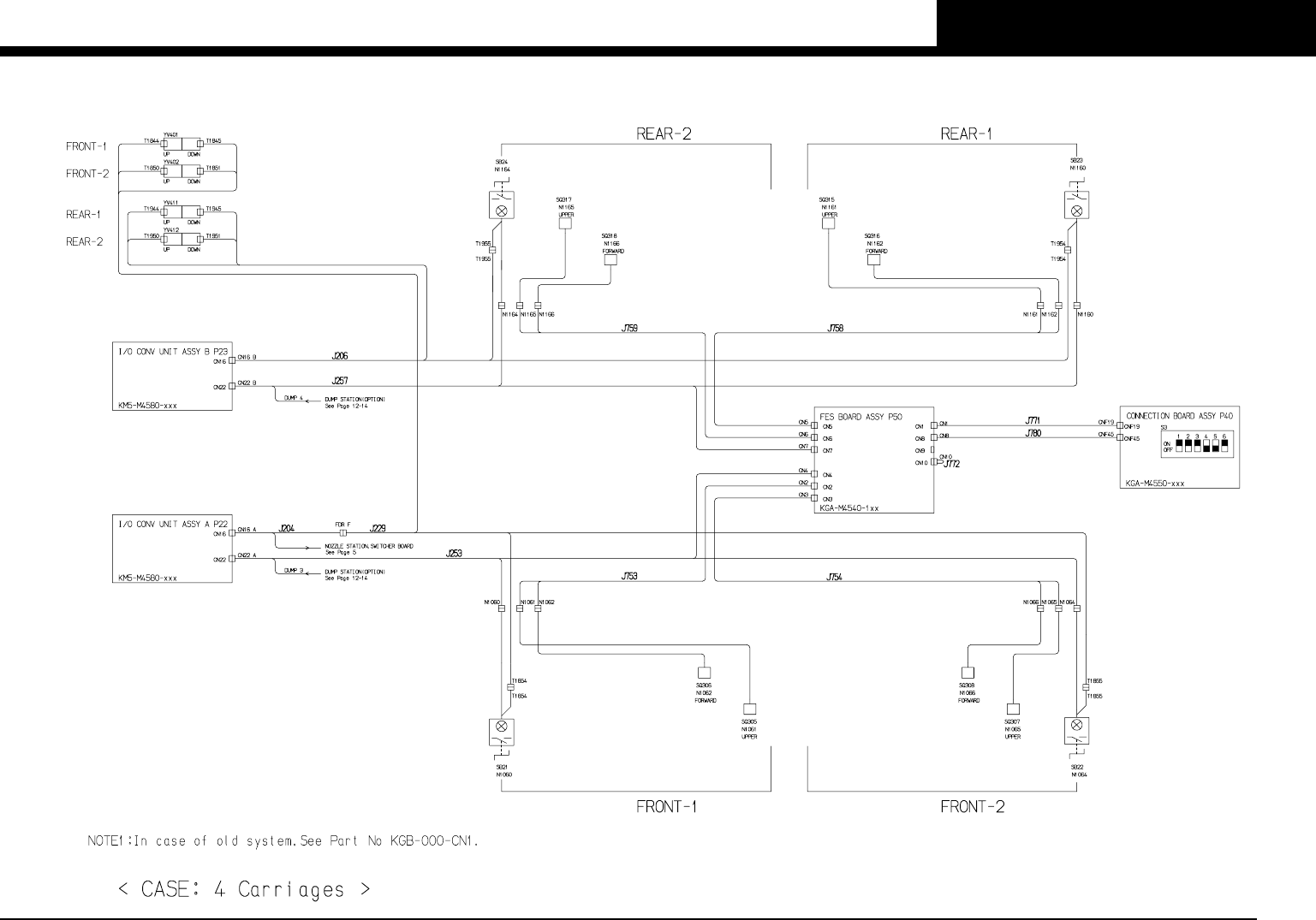
PAGE
20
YV100Xg (KGB)
Confi dential & Proprietary
KGB-000-CN05
FES20 safety circuit (normal) -3-

PAGE
21
YV100Xg (KGB)
Confi dential & Proprietary
KGB-000-CN05
Cli FIX20 feeder structure