yv100xg_e - 第4页
PA G E 2 YV100Xg (KGB) Con fi dential & Proprietary KGB-000-CN05 Control box

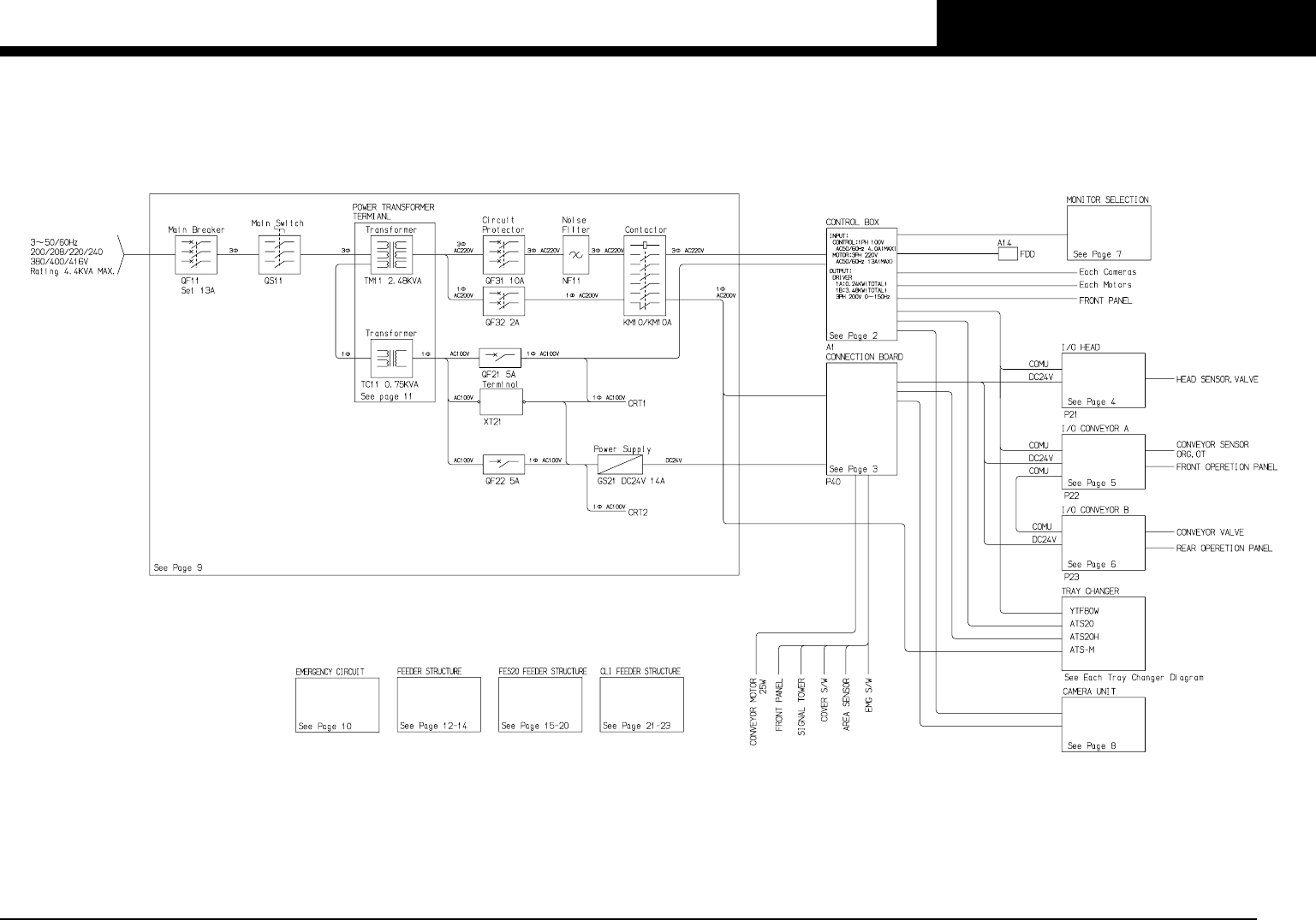
PAGE
1
YV100Xg (KGB)
Confi dential & Proprietary
KGB-000-CN05
Over view

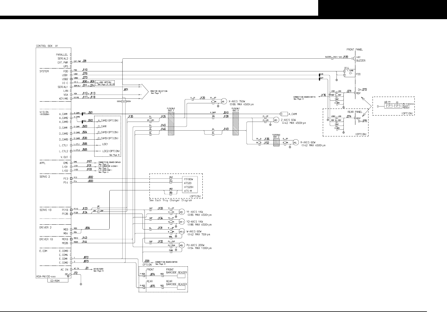
PAGE
2
YV100Xg (KGB)
Confi dential & Proprietary
KGB-000-CN05
Control box

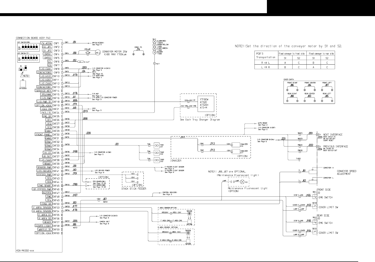
PAGE
3
YV100Xg (KGB)
Confi dential & Proprietary
KGB-000-CN05
Connection board