yv100xg_e - 第7页
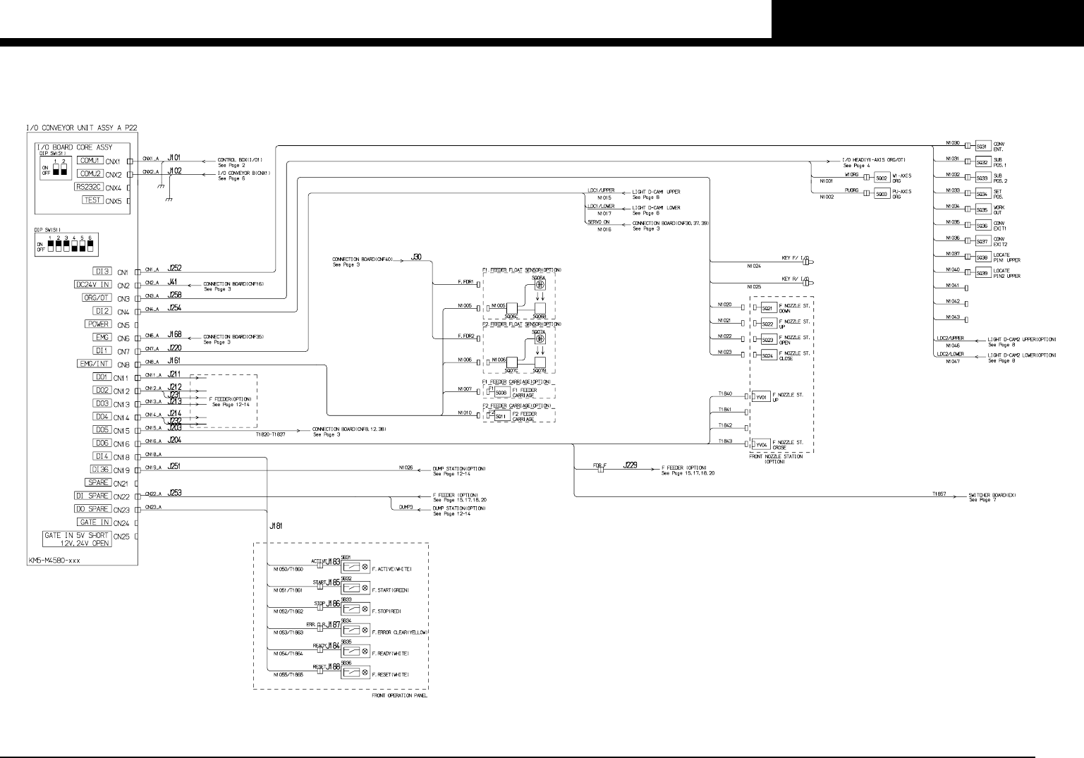
PA G E 5 YV100Xg (KGB) Con fi dential & Proprietary KGB-000-CN05 I/O conveyor-A-

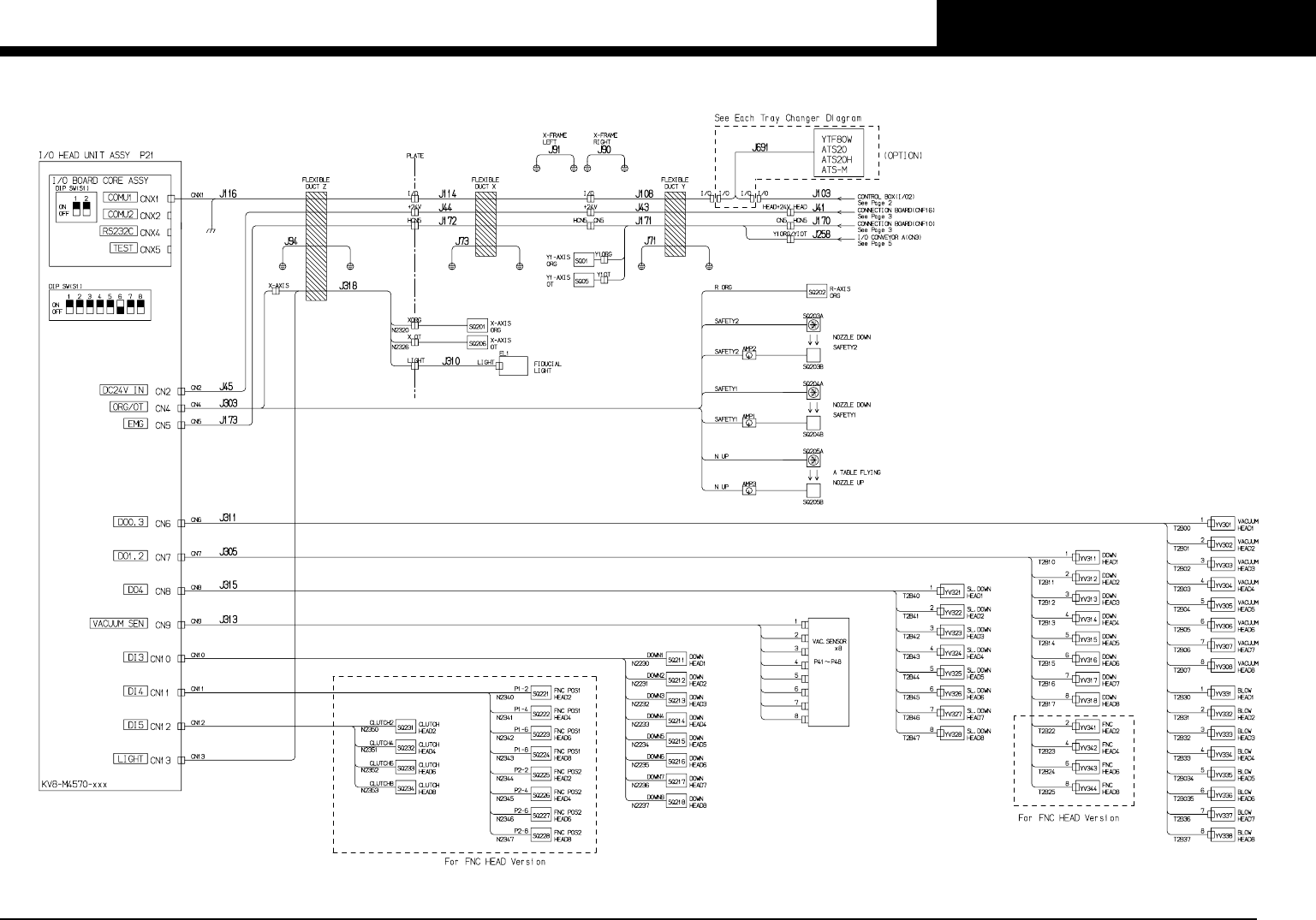
PAGE
4
YV100Xg (KGB)
Confi dential & Proprietary
KGB-000-CN05
I/O head

PAGE
5
YV100Xg (KGB)
Confi dential & Proprietary
KGB-000-CN05
I/O conveyor-A-

PAGE
6
YV100Xg (KGB)
Confi dential & Proprietary
KGB-000-CN05
I/O conveyor-B-