yv100xg_e - 第9页
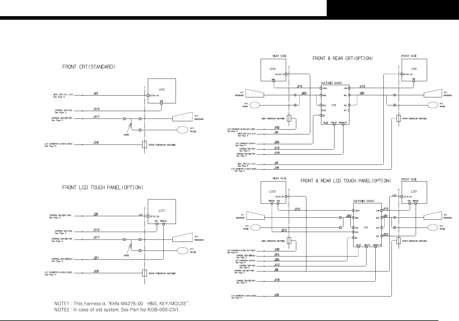
P A GE 7 YV100Xg (KGB) Confi dential & Proprietar y KGB-000-CN05 Monitor sel.

PAGE
6
YV100Xg (KGB)
Confi dential & Proprietary
KGB-000-CN05
I/O conveyor-B-

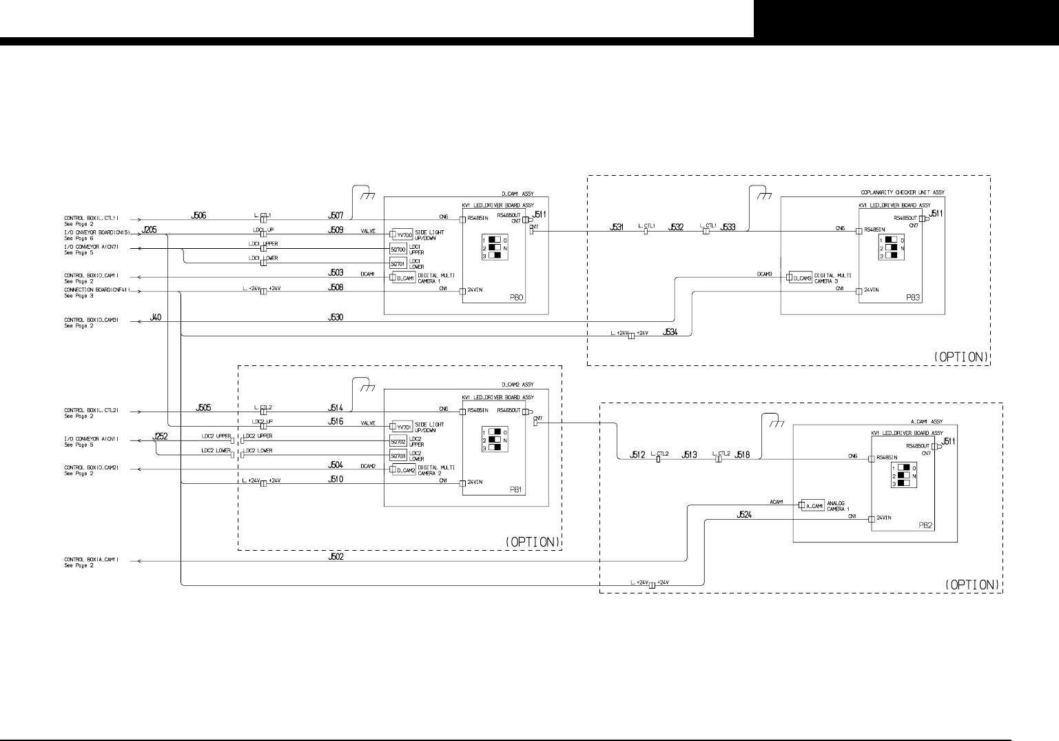
PAGE
7
YV100Xg (KGB)
Confi dential & Proprietary
KGB-000-CN05
Monitor sel.

PAGE
8
YV100Xg (KGB)
Confi dential & Proprietary
KGB-000-CN05
Camera unit