P-0201-001.pdf - 第27页
MEMO

0003-001
2-1
ㇱຠ⇟ภ ㇱ ຠ ฬ
⠨
PART No. PART NAME
REMARKS
CT-1290S,L
CT-1291S,L
CT-1292S,L
CT-1290TS,TL
CT-1291TS,TL
CT-1292TS,TL
41 630 084 9127 PLATE 1 1 1 1 1 1 749G--01B-116
42 411 108 7103 SCR FLT 3X10 2 2 2 2 2 2 M3X10 FLT
ᵈᗧ
NOTE
⇟
ภ
Key No.
ᢙ㊂
Q'ty

MEMO

0108-002
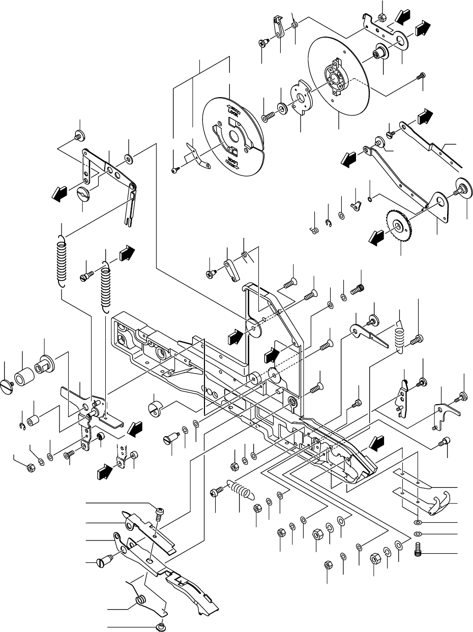
12mm ࠹ࡊࡈࠖ࠳ 12mm TAPE FEEDER
Fig. 2-2 ࠹ࡊ㚟േㇱ Tape Driving Section
G
A
C
D
104
92
91
103-1
101
102
11 3
11 2
111-1
111
77-1
76
27-1
28
B
26
27
33
32
31
30
29
98
81
80
82
G
108
106
107
F
102
101
103
A
83
93
67
68
69
3
2
73
52
11
8
7
16
16-1
17
17-1
B
37
55
56
57
58
59
34
35
36
9-1
9-2
9-3
40
39
38
14
13
12
20
19
18
21
22
6
5
4
65
64
63
66
C
D
78-1
71
71-2
71-1
74
75
76-1
76-2
76-3
72-2
72-1
72
51
46
47
50
48
49
111-2
F
114
114-1
114-2
114-3