5OM-1348-002_w - 第105页
4-16 0606-001 -(M829WBL--0002) ⬊⑥䚽 %/ 㒼⬊ఽ⬊䏄 ⬊⑥䚽 %/ 㒼⬊ఽ⬊䏄 -U27 (UB21/Relay Board 2) MA Module Main Power Control MB Module Main Power Control Power Supply to Safety Circuit for Multi-Layer Tray (L) At Installation o…

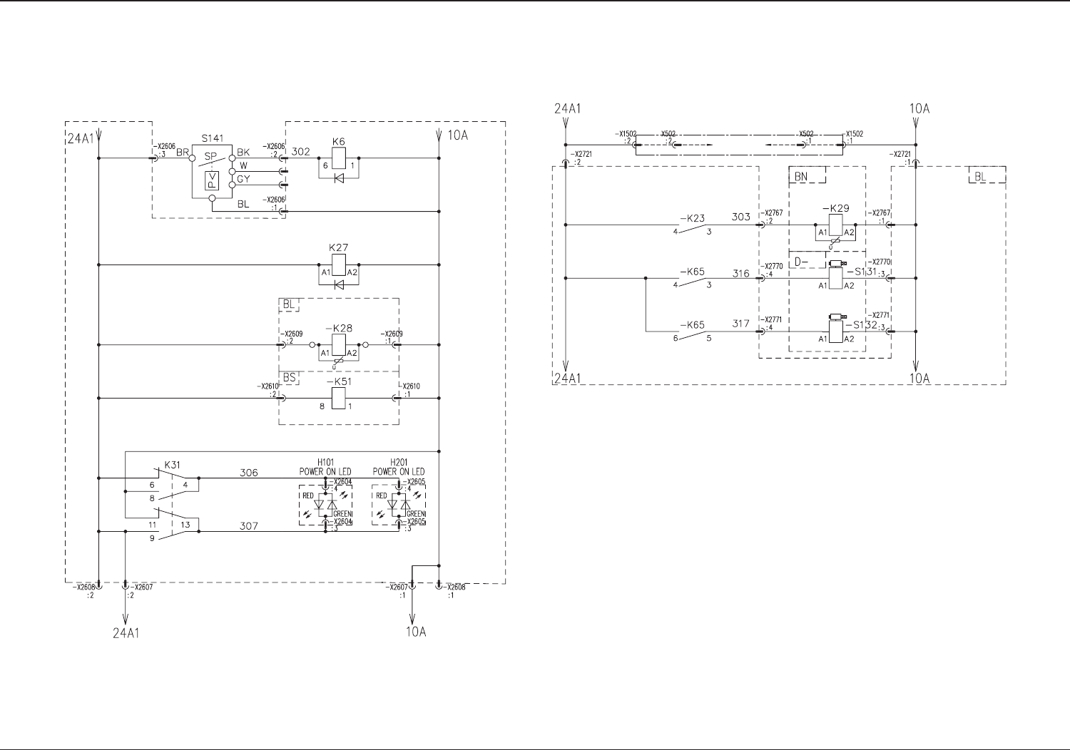
4-150606-001 -(M829WB---0004)
⬊⑥䚽 ݆Ҁ㒼⬊ఽ⬊䏄
⬊⑥䚽 ݆Ҁ㒼⬊ఽ⬊䏄
Vacuum Pump 1
Power Supply
Pressure Switch
-U26 (UB20/Relay Board 1)
Air Pressure
Drop Detection
HLS Input
Power Supply
Control PC Group
Power Supply 1
Fan Power Supply
Multi-Layer Tray (L)
Safety Circuit
Power Supply
-U27 (UB21/Relay Board 2)
Vacuum Pump 1
Power Control
Cover (Rear) Lock Control
Cover (Front) Lock Control

4-160606-001 -(M829WBL--0002)
⬊⑥䚽 %/ 㒼⬊ఽ⬊䏄
⬊⑥䚽 %/ 㒼⬊ఽ⬊䏄
-U27 (UB21/Relay Board 2)
MA Module
Main Power
Control
MB Module
Main Power
Control
Power Supply to
Safety Circuit for
Multi-Layer Tray (L)
At Installation of
Stage B for Multi-Layer
Tray (L)
At Installation of
Stage A for Multi-Layer
Tray (L)
To D [A]-U07 Input/Output
Machine I/F Board (L)
Safety Monitor for Left Cover
CA Module Main Power Supply
CB Module Main Power Supply
Cutter DA and DB Power Supply
Conveyor Width NL-W1,W2, NB-W1,
and -W2 Main Power Supply
Backup NA-B Main Power Supply
At Installation of
Stage B for Multi-Layer
Tray (L)
At Installation of
Stage A for Multi-Layer
Tray (L)
To HLS

4-170606-001 D(M829WBL--0003)
8$,2 ᵔ,/%,1/
8$, ᵔ,/%,1/
-U12 (UB32) Main Body
(From K3 34)
(From -K4 34)
(From K3 33)
(From -K4 33)
Emergency Stop
Safety Monitor
Safety Monitor for
Left Cover
Disengaged Suppressor
Detection (A)
Disengaged Suppressor
Detection (B)
Multi-Layer Tray (L)
Multi-Layer Tray (L)
Feeder Disengaged
Latch Detection (A)
Feeder Disengaged
Latch Detection (B)
From A-B3101 OUT
From B-B3101 OUT
CB Error (A-Y2) CB Error (A-Y1) CB Error (A-X) CB Error (Beam A Integral)
CB Error (B-Y2) CB Error (B-Y1) CB Error (B-X) CB Error (Beam B Integral)
From MA-B3103 OUT
Nozzle U/D Interlock (MA)
Nozzle U/D Interlock (MB)
Beam A Main Power OFF
Detection
Beam B Main Power OFF
Detection
Beam A CB Error Monitor
Beam B CB Error Monitor
Head U/D Interlock (MA)
Blue
Black
Brown
Orange
Note 2
Note 2
Blue
Black
Brown
Orange
Safety Cover Monitor in
Conveyor Seotion
Component Pickup
Error Detection (A)
Component Pickup
Error Detection (B)