5OM-1348-002_w - 第110页
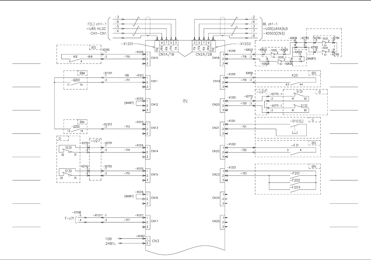
4-21 0606-001 A(M829WBL--0007) 8%, ᵔАᴏ / 8%, ᵔАᴏ / DC Load Power Control Main Power Interception Cutter Power Supply Cover Lock Feeder A Power Supply Feeder B Power Supply Feeder Base A Power Supply Fee…

4-200606-001 B(M829WBL--0006)
8%, ᵔАᴏ /
8%, ᵔАᴏ /
Connector Case
SW Contact
SW Contact
To CPU1 (CN8)
Main Body
-U12
(UB32)
Air Pressure
Drop Detection
Conveyor L,
Cutter CB Error
CPU2-R CB Error
Vacuum Pump
1 CB Error
Safety Cover 1 (Rear)
Monitor
Safety Cover 2 (Front)
Monitor
CPU2-R
CB Error (DC 24 V)
CPU1
Shutdown Command
U26 (UB20/Relay Board 1)
U26 (UB20/Relay Board 1)
U27 (UB21/Relay Board 2)
U26 (UB20/Relay Board 1)
Lightning Surge
Protector Fuse Error
SW Contact
Emergency Stop Switch
DC Load Power Monitor
Cover Lock Check
Stage Ready SW
Fan Error
Connector
Case
Connector
Case

4-210606-001 A(M829WBL--0007)
8%, ᵔАᴏ /
8%, ᵔАᴏ /
DC Load Power Control
Main Power Interception
Cutter Power Supply
Cover Lock
Feeder A
Power Supply
Feeder B
Power Supply
Feeder Base A
Power Supply
Feeder Base B
Power Supply
Main Body
-U12
(UB32)
U26 (UB20/Relay Board 1)
-U27 (UB21/Relay Board 2)
Stage Ready SW LED
Bad Mark Sensor
Sensitivity Switch 1 (MA)
Bad Mark Sensor
Sensitivity Switch 2 (MA)
Bad Mark Sensor
Sensitivity Switch 1 (MB)
Bad Mark Sensor
Sensitivity Switch 2 (MB)
Lead Coplanarity Rear Side
Measurement Start (OP)
Lead Coplanarity Front Side
Measurement Start (OP)
Lead Coplanarity Unit
Power Supply OFF

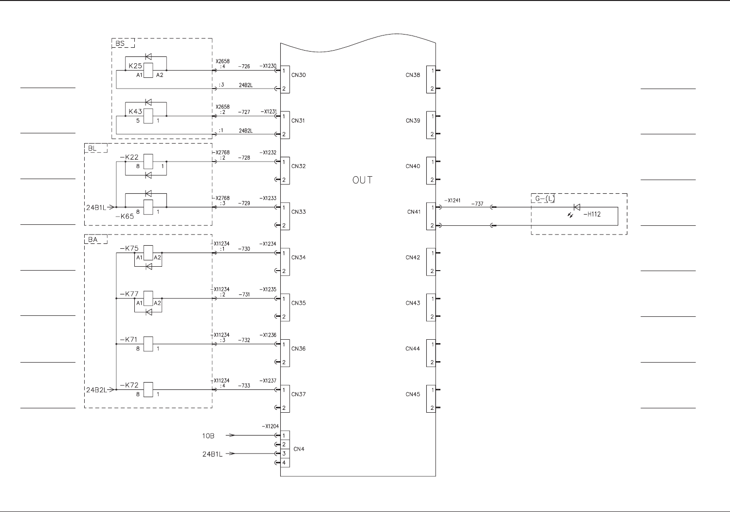
4-220606-001 -(M829WC---0001)
< 䕉 $ȡ% 偁䖓⬊䏄
< 䕉 $ȡ% 偁䖓⬊䏄
Y1 Axis
From BM
From BF-X211B
Y2 Axis
From BM
From BM
5 V/
Sensor
0 V/
Sensor
Robot Cable
Y Beam Axis (A)
Converter
Linear Scale Head
Plate
From BM
Plate
Plate
Robot Cable
Converter
5 V/
Sensor
0 V/
Sensor
Linear Scale Head
Robot Cable
Terminal
Connector
Y2 Axis
From BN
From BN
Plate
5 V/
Sensor
Robot Cable
Converter
Linear Scale Head
Linear Scale Head
0 V/
Sensor
(Phase A)
(/Phase A)
(Phase B)
(/Phase B)
To -U94 (UB07)
CN1 (Counter Board)
(Phase A)
(/Phase A)
(Phase B)
(/Phase B)
To -U94 (UB07)
CN1 (Counter Board)
Robot Cable
Robot Cable
Y-Axis Limit (+)
Y-Axis Approach Detection
Y-Axis Limit (-)
5 V/
Sensor
0 V/
Sensor
Y1 Axis
From BN
From BN
Y Beam Axis (B)