5OM-1348-002_w - 第113页
4-24 0606-001 -(M829WC---0004) ; 䕉 % 偁䖓⬊䏄 ; 䕉 % 偁䖓⬊䏄 X Beam Axis (B) From BN From BN X Axis From BF(A)-X231B T o BF(B)-X221A Plate Robot Cable Robot Cable X-Axis Limit (-) X-Axis Limit (+) Linear Encoder Converter …

4-230606-001 -(M829WC---0003)
; 䕉 $ 偁䖓⬊䏄
; 䕉 $ 偁䖓⬊䏄
X Beam Axis (A)
From BM
From BM
X Axis
Plate
Robot Cable
Robot Cable
Linear Encoder
Converter
0V/Sensor
5V/Sensor
X-Axis Limit (-)
X-Axis Limit (+)
To BF(A)-X221A
SSCNET
Distribution Board
From CH1

4-240606-001 -(M829WC---0004)
; 䕉 % 偁䖓⬊䏄
; 䕉 % 偁䖓⬊䏄
X Beam Axis (B)
From BN
From BN
X Axis
From BF(A)-X231B
To BF(B)-X221A
Plate
Robot Cable
Robot Cable
X-Axis Limit (-)
X-Axis Limit (+)
Linear Encoder
Converter
0V/Sensor
5V/Sensor

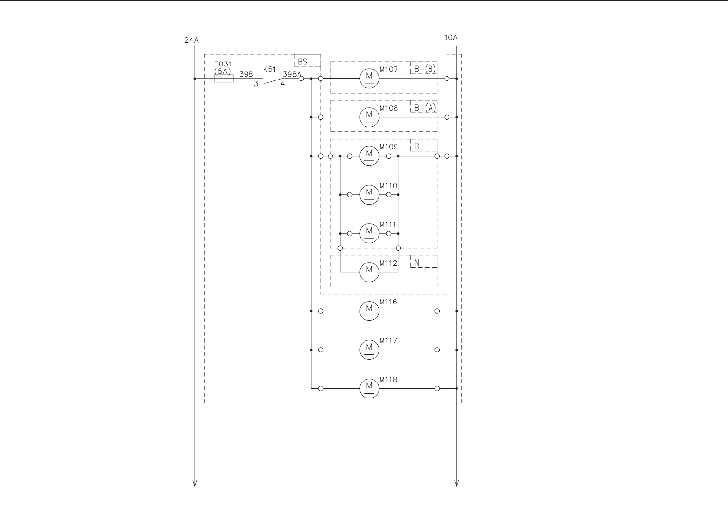
4-250606-001 -(M829WD---0001)
Аᴏތॉ⬊䏄
Аᴏތॉ⬊䏄
Overframe Cooling Fan
(Front Left Side)
Overframe Cooling Fan
(Rear Left Side)
Electrical Box (Right)
Cooling Fan
Electrical Box Left Side
Cooling Fan (Front Side)
Electrical Box Left Side
Cooling Fan (Rear Side)
Electrical Box (Left)
Cooling Fan
Conveyor Multiaxis Amplifier
Cooling Fan
Electrical Box Right Side
Cooling Fan (Front Side)
Electrical Box Right Side
Cooling Fan (Rear Side)