5OM-1348-002_w - 第116页
4-27 0606-001 B(M829WD---0003) 8%ࠢৣ ,) ᵔ / 8%ࠢৣ ,) ᵔ / From ILB(L)-X0537 (BL-U05-CN37) Run: MAI (Input - Main) PCB Transfer: TRI (Input - Main) Ready: GBO (Input - Main) Reserved Input 1 PCB Request: TRO (Mai…

4-260606-001 B(M829WD --0002)
8%,ᵔษ♄
8%,ᵔษ♄
Connector
Case
Connector
Case
Connector Case
-U01 (UB31) Operation Panel
Light Tower
Relay Connector Panel
Tower Light (Green)
Tower Light (Yellow)
Tower Light (Red)
Tower Light (Buzzer)
Multifunctional Head Provided

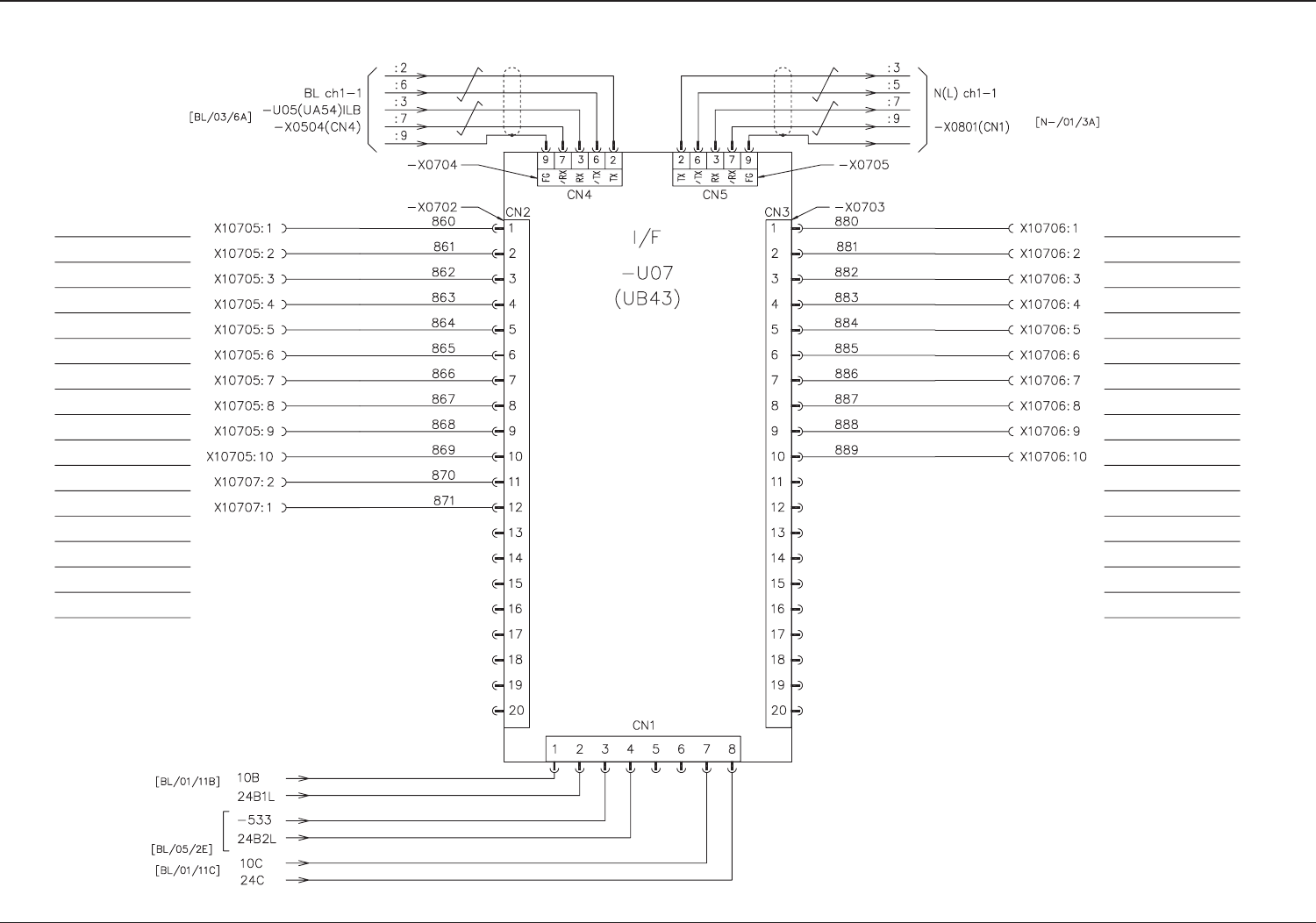
4-270606-001 B(M829WD---0003)
8%ࠢৣ ,) ᵔ /
8%ࠢৣ ,) ᵔ /
From ILB(L)-X0537
(BL-U05-CN37)
Run: MAI (Input - Main)
PCB Transfer: TRI (Input - Main)
Ready: GBO (Input - Main)
Reserved Input 1
PCB Request: TRO (Main - Input)
Reserved Output 1
Main Machine GND
(Main - Input)
Furnace Signal
Main Machine GND
(Main - Input)
Main Machine 24 V Power Supply
(Main - Input)
Run: MAO (Main - Input)
Main Machine Power Supply
(Main - Input)
-U08 (UB32) Transfer
Main Machine 24 V Power Supply
(Main - Output)
Output Machine Power Supply
(Output - Main)
Run: MAI (Output - Main)
PCB Request: TRI (Output - Main)
Reserved Input 1
Reserved Input 2
Run: MAO (Main - Output)
PCB Transfer: TRO (Main - Output)
Reserved Output 1
Main Machine GND (Main - Output)
Connector Case

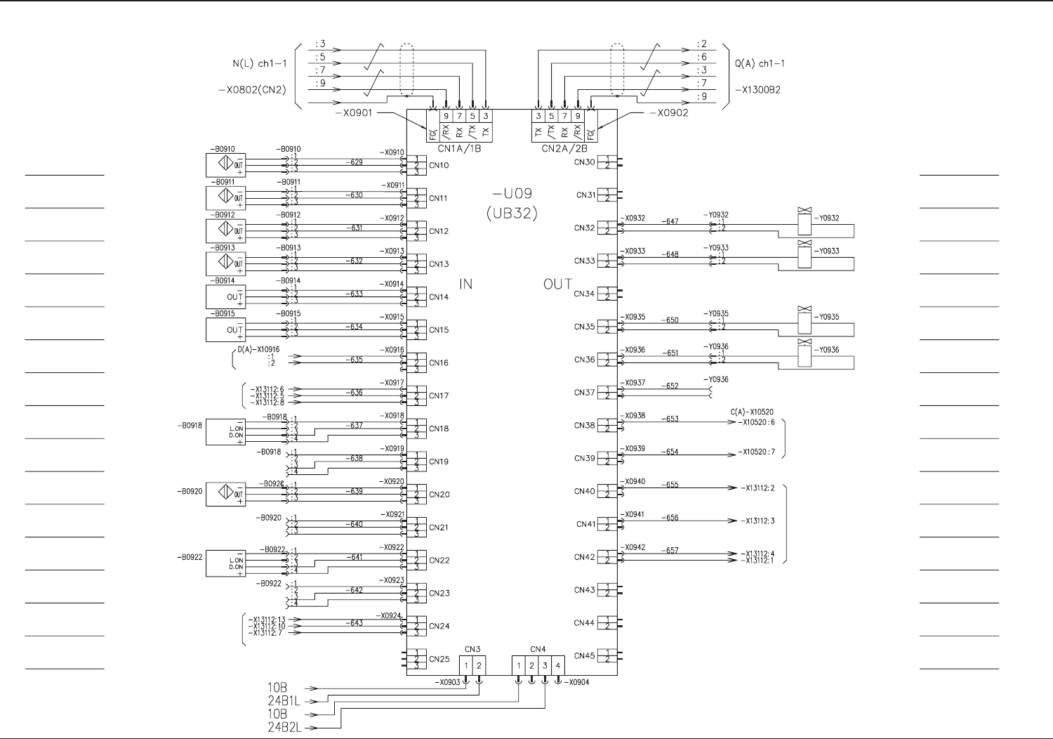
4-280606-001 B(M829WD---0011)
8%,ᵔᅯԢ$
8%,ᵔᅯԢ$
-U08 (UB32) Transfer
Feeder Base Y-Direction
Positioning Check 1
Feeder Base Y-Direction
Positioning Check 2
Lift Section Feeder Base
Detection 1
Lift Section Feeder Base
Detection 2
Cylinder Upper
Limit Detection
Cylinder Lower
Limit Detection
Feeder Base/Main
Body Connection Check
From Batch Connector
Relay -X10916 for
Feeder Base Connection
Nozzle Stocker Unit
Lower Limit Detection 1
Nozzle Stocker Unit
Lower Limit Detection 2 (Option)
Nozzle Stocker Shutter
Closing Check 1
Nozzle Stocker Shutter
Closing Check 2 (Option)
Nozzle Stocker
Clamping Check 1
Nozzle Stocker
Clamping Check 2 (Option)
Recycle Conveyor A
Full Detection (Option)
From Recycle Conveyor A
Relay Connector -X13112
Recycle Conveyor A
Output Position
Detection (Option)
From Recycle Conveyor A
Relay Connector -X13112
Positioning
Blue
Black
Brown
Blue
Black
White
Brown
Blue
Black
White
Brown
Blue
Black
Brown
Blue
Black
Brown
Blue
Black
Brown
Blue
Black
Brown
Blue
Black
Brown
Blue
Black
Brown
(To MA-U25 UB19 (X7))
To Robot Cable
Relay Connector
Feeder Base Ascending
Nozzle Stocker
Shutter Open
Nozzle Stocker
Ascending 1
Feeder Base Descending
Nozzle Stocker
Ascending 2 (Option)
Air Vacuum Switchover
Air Blowing
Feeder Base HLS Terminal Switching Circuit
Recycle Conveyor A
Run/Break Signal (Option)
To Recycle Conveyor A
Relay Connector -X13112
Recycle Conveyor A
Start/Stop Signal (Option)
Recycle Conveyor A
Alarm Reset Signal
(Option)
Connector Case
Connector
Case
Connector
Case