5OM-1348-002_w - 第122页
4-33 0606-001 B(M829WD---0023) 䗖᭮ఽᅞ㺚 % ᡎ䞤䖳ఽ䖳 䗖᭮ఽᅞ㺚 % ᡎ䞤䖳ఽ䖳 From RS232C CPU2-L Serial Board (Dsub9-2) DC 24 V Power Supply for Feeders Main Body Side Batch Connector for Feeder Base Connection B Module (12 Pins) C M…

4-320606-001 -(M829WD---0022)
ߜࡇఽ %
ߜࡇఽ %
Origin (+)
Origin (-)
Plate
CPU2-L
From NL-W1, NL-W2, NA-W1,
NA-W2
DB-CT Axis
To NL-A51 (Multiaxis Driver)
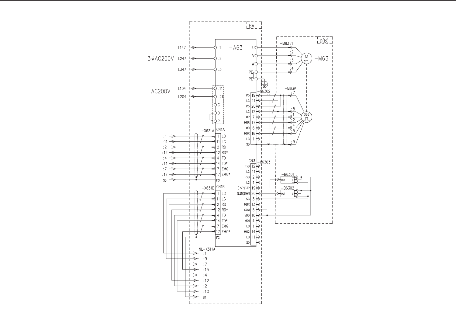
Cutter Shaft Driver (A) BA-A63
From BA-X631B (CN1B)

4-330606-001 B(M829WD---0023)
䗖᭮ఽᅞ㺚 % ᡎ䞤䖳ఽ䖳
䗖᭮ఽᅞ㺚 % ᡎ䞤䖳ఽ䖳
From RS232C
CPU2-L
Serial Board
(Dsub9-2)
DC 24 V Power Supply
for Feeders
Main Body Side
Batch Connector for Feeder Base Connection
B Module
(12 Pins)
C Module
(12 Pins)
D Module
(12 Pins)
A Module
(Air)
Connector Case
Back
Face
(Option Circuit for Tape Feeder Installation Jig)
Pneumatic Piping
To D (B)-U09 (UB14)
- X0916 (CN16)
Feeder Base Connection
Check Signal
HLS Communication
From F (L) ch2-1
-U85-HLSC CH2-CN1
Connector Case
Connector Case
-U09 (UB32/Positioning)

4-340612-002 A(M829WF---0001)
&38⬊䏄
&38⬊䏄