5OM-1348-002_w - 第123页
4-34 0612-002 A(M829WF---0001) &38⬊䏄 &38⬊䏄

4-330606-001 B(M829WD---0023)
䗖᭮ఽᅞ㺚 % ᡎ䞤䖳ఽ䖳
䗖᭮ఽᅞ㺚 % ᡎ䞤䖳ఽ䖳
From RS232C
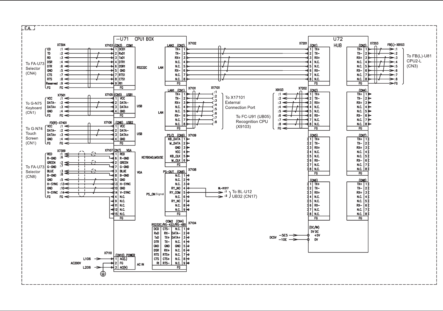
CPU2-L
Serial Board
(Dsub9-2)
DC 24 V Power Supply
for Feeders
Main Body Side
Batch Connector for Feeder Base Connection
B Module
(12 Pins)
C Module
(12 Pins)
D Module
(12 Pins)
A Module
(Air)
Connector Case
Back
Face
(Option Circuit for Tape Feeder Installation Jig)
Pneumatic Piping
To D (B)-U09 (UB14)
- X0916 (CN16)
Feeder Base Connection
Check Signal
HLS Communication
From F (L) ch2-1
-U85-HLSC CH2-CN1
Connector Case
Connector Case
-U09 (UB32/Positioning)

4-340612-002 A(M829WF---0001)
&38⬊䏄
&38⬊䏄

4-350606-001 -(M829WF---0002)
&38⬊䏄
&38⬊䏄
To FA-U71
CPU1
(CN7)
To FA-U71
CPU1
(CN3)
-U91 (UB05)
To FC
(Recognition
CPU) X9104
Selector
Touch Screen
Touch Screen
Track Ball
To FA-U71
CPU1
(CN5)
To FA-U71
CPU1
(CN6)