5OM-1348-002_w - 第129页
4-40 0606-001 A(M829WF---0013) &38/ &38/ Back Plane Motion Control ID: 1 SSC Connector I/O Connector SSCNET Distribution 1 T o M(A)-A31 -X31 1A T o BL-U05 UA54 (CN51) T o BL-U05 UA54 (CN50) T o BL-U05…

4-390606-001 A(M829WF---0012)
&38/
&38/
Back Plane
Motion Control ID: 0
SSC Connector
To BF (A) -A21
X-Axis Driver (CN1A)
To BL-U05
UA54 (CN53)
To BL-U05
UA54 (CN52)
To BL-U05
UA54 (CN36)
Multi-Layer Tray
To NL-A52
NL-X521A
SSCNET Distribution 1
I/O Connector
Multifunctional Head

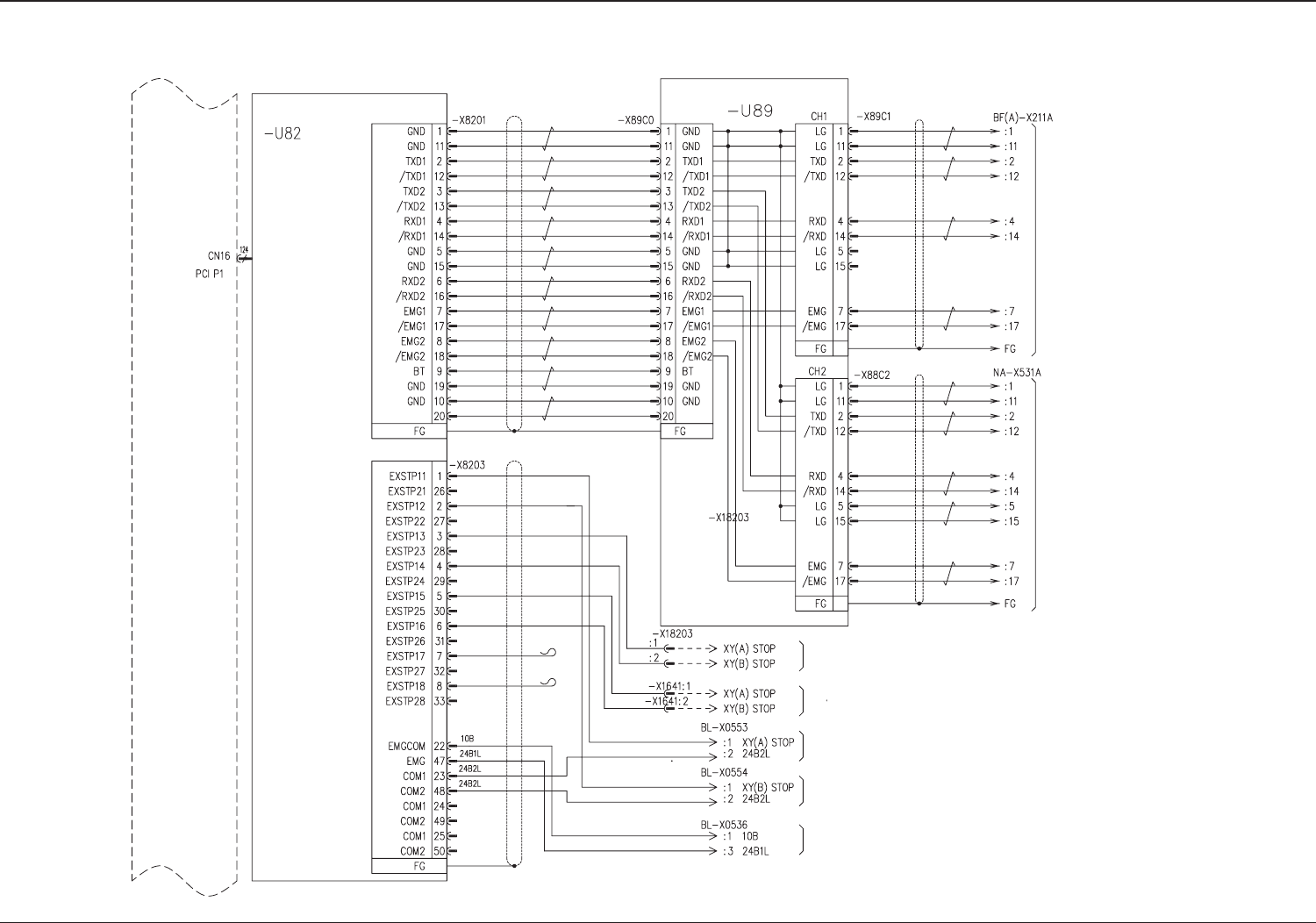
4-400606-001 A(M829WF---0013)
&38/
&38/
Back Plane
Motion Control ID: 1
SSC Connector
I/O Connector
SSCNET Distribution 1
To M(A)-A31
-X311A
To BL-U05
UA54 (CN51)
To BL-U05
UA54 (CN50)
To BL-U05
UA54 (CN35)
To D(B)-A31
-X311A
To -U16
UA54 (CN44-42)
To -U16
UA54 (CN39-37)

4-410606-001 -(M829WF---0014)
&38/
&38/
Back Plane
Motion Control ID: 2
SSC Connector
I/O Connector
SSCNET Distribution 1
To NA-A53
NA-B1 (CN1)
To BL-U05
UA54 (CN49)
To BL-U05
UA54 (CN34)
To BL-U05
UA54 (CN48)
BA-A63
Cutter Shaft Driver (A)
To -X631A