5OM-1348-002_w - 第140页
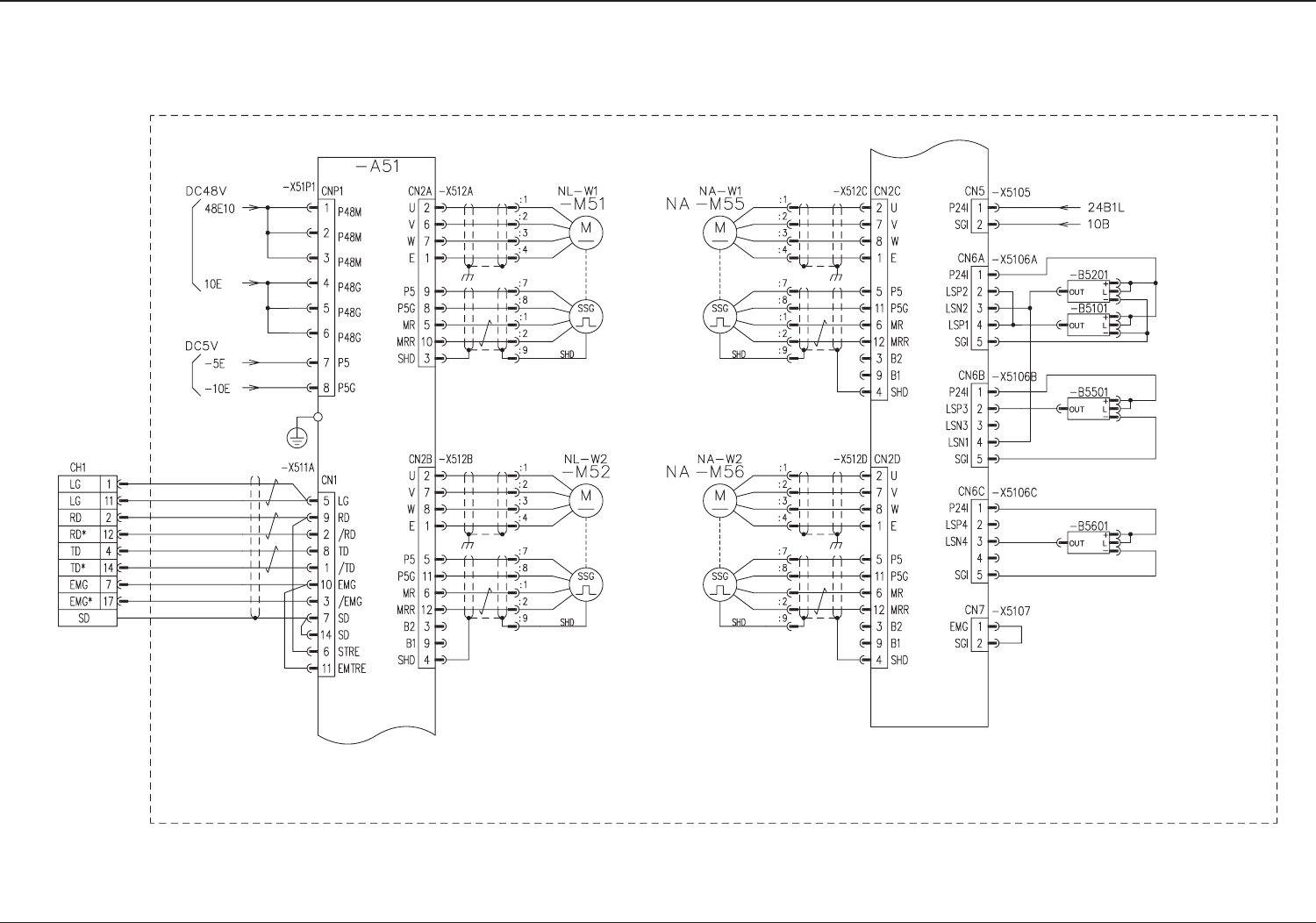
4-51 0606-001 A(M829WN---0002) ӵ䗖ᏻ偁䖓⬊䏄 ӵ䗖ᏻ偁䖓⬊䏄 T ransfer (NL, NA, NR) Main Circuit Power Supply Control Circuit Power Supply NA Backup Axis Red White Black Green Orange White Y ellow Gray NA Transferred PCB Det…

4-500606-001 E(M829WN---0001)
8%, ᵔᨁ䗖 /
8%, ᵔᨁ䗖 /
Backup Plate 1
Check (1) [NA]
Backup Plate 1
Check (2) [NA]
Transfer (NL, NA, NR)
D (A) ch1-1
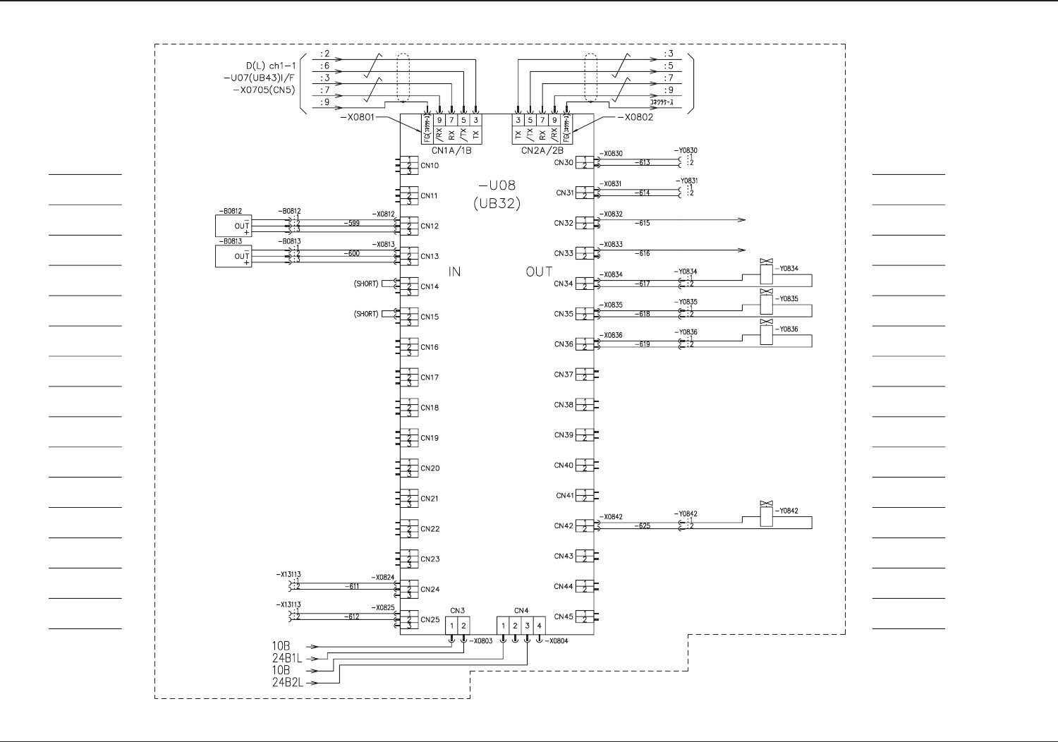
-U09 (UB32) Positioning
-X0901 (CN1)
PCB Detection Sensor 1
(Deceleration) Remote Terminal
-B4201: To 3
PCB Detection Sensor 1
(Stop) Remote Terminal
-B4202: To 3
Black
Red
PCB Detection Sensor 1
(Deceleration) Remote [NA]
PCB Detection Sensor 1
(Stop) Remote [NA]
Z Clamp Cylinder Valve 1
(A: Descending) [NA]
Z Clamp Cylinder Valve 1
(B: Ascending) [NA]
Z Clamp Pressure Selector 1
[NA]
Recycle Conveyor A
Connection Check
(Option)
Recycle Conveyor B
Connection Check
(Option)
PCB Stopper 1
Upper Limit [NL]
PCB Stopper 1
Lower Limit [NL]
Transfer
PCB Stopper 1 Cylinder Valve
(A: Descending) [NL]
PCB Stopper 1 Cylinder Valve
(B: Ascending) [NL]
PCB Stopper 2
Upper Limit [NL]
PCB Stopper 2
Lower Limit [NL]
Black
Red
Black
Red
PCB Positioning Stopper 1
U/D Valve [NA]

4-510606-001 A(M829WN---0002)
ӵ䗖ᏻ偁䖓⬊䏄
ӵ䗖ᏻ偁䖓⬊䏄
Transfer (NL, NA, NR)
Main Circuit
Power Supply
Control Circuit
Power Supply
NA Backup Axis
Red
White
Black
Green
Orange
White
Yellow
Gray
NA Transferred PCB
Detection Sensor
(Deceleration)
NA Transferred PCB
Detection Sensor
(Stop)
NL Transferred PCB
Detection Sensor
(Deceleration)
NB Transferred PCB
Detection Sensor
(Deceleration)
NB Transferred PCB
Detection Sensor
(Stop)
NL Transferred PCB
Detection Sensor
(Stop)
Red
White
Black
Green
Orange
White
Yellow
Gray
Red
White
Black
Green
Orange
White
Yellow
Gray

4-520606-001 A(M829WN---0003)
ӵ䗖ᏻ偁䖓⬊䏄
ӵ䗖ᏻ偁䖓⬊䏄
Transfer (NL, NA, NR)
Main Circuit
Power Supply
NL Chute Width
Changeable (1)
Red
White
Black
Green
NL Chute Width
Changeable (2)
NA Chute Width
Changeable (1)
NA Chute Width
Changeable (2)
NL Chute
Width Changeable (2)
Limit (-)
NL Chute
Width Changeable (1)
Limit (+)
NA Chute
Width Changeable (1)
Limit (+)
NA Chute
Width Changeable (2)
Limit (-)
Control Circuit
Power Supply
Red
White
Black
Green
White
Yellow
Gray
Red
White
Black
Green
White
Yellow
Gray
Red
White
Black
Green
White
Yellow
Gray
Red
Orange
Orange
Orange
Orange
White
Yellow
Gray
CPU2-L
Cutter Shaft Driver
(B) BA-A63
From BA-X631B (CN2)