5OM-1348-002_w - 第142页
4-53 0606-001 A(M829WN---0004) ӵ䗖ᏻ偁䖓⬊䏄 ӵ䗖ᏻ偁䖓⬊䏄 T ransfer (NL, NA, NR) Main Circuit Power Supply CPU2-L SSCNET Distribution Board (-U89) NL Chute Width Changeable (1) Red White Black Green Orange White Y ellow G…

4-520606-001 A(M829WN---0003)
ӵ䗖ᏻ偁䖓⬊䏄
ӵ䗖ᏻ偁䖓⬊䏄
Transfer (NL, NA, NR)
Main Circuit
Power Supply
NL Chute Width
Changeable (1)
Red
White
Black
Green
NL Chute Width
Changeable (2)
NA Chute Width
Changeable (1)
NA Chute Width
Changeable (2)
NL Chute
Width Changeable (2)
Limit (-)
NL Chute
Width Changeable (1)
Limit (+)
NA Chute
Width Changeable (1)
Limit (+)
NA Chute
Width Changeable (2)
Limit (-)
Control Circuit
Power Supply
Red
White
Black
Green
White
Yellow
Gray
Red
White
Black
Green
White
Yellow
Gray
Red
White
Black
Green
White
Yellow
Gray
Red
Orange
Orange
Orange
Orange
White
Yellow
Gray
CPU2-L
Cutter Shaft Driver
(B) BA-A63
From BA-X631B (CN2)

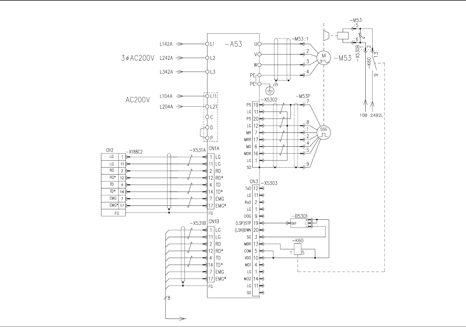
4-530606-001 A(M829WN---0004)
ӵ䗖ᏻ偁䖓⬊䏄
ӵ䗖ᏻ偁䖓⬊䏄
Transfer (NL, NA, NR)
Main Circuit
Power Supply
CPU2-L
SSCNET
Distribution Board (-U89)
NL Chute Width Changeable (1)
Red
White
Black
Green
Orange
White
Yellow
Gray
NR Chute Width Changeable (2)
NR Chute
Width Changeable (2)
Limit (-)
NR Chute
Width Changeable (1)
Limit (+)
Control Circuit
Power Supply
Red
White
Black
Green
White
Yellow
Gray
Orange

4-540606-001 -(M829WN---0005)
ӵ䗖ᏻ偁䖓⬊䏄
ӵ䗖ᏻ偁䖓⬊䏄
NA-B1 Axis
CPU2-L
SSCNET
Distribution Board (-U88)
NL-L, NA-L1, and NR-L1 Axes
X411A
Brake
Plate