5OM-1348-002_w - 第148页
4-59 8%⬊⑥ߛ䜢ᵔ 䗖᭮ఽᅞ㺚 % 8%⬊⑥ߛ䜢ᵔ 䗖᭮ఽᅞ㺚 % 0612-002 C(M829WQ---0021)

4-580612-002 A(M829WQ---0014)
8%ᑤ߬ৌ䗯䆄 䗖᭮ఽᅞ㺚 $
8%ᑤ߬ৌ䗯䆄 䗖᭮ఽᅞ㺚 $

4-59
8%⬊⑥ߛ䜢ᵔ 䗖᭮ఽᅞ㺚 %
8%⬊⑥ߛ䜢ᵔ 䗖᭮ఽᅞ㺚 %
0612-002 C(M829WQ---0021)

4-600606-001 A(M829WQ---0022)
8%, ᵔ 䗖᭮ఽᅞ㺚 %
8%, ᵔ 䗖᭮ఽᅞ㺚 %
HLS Communication
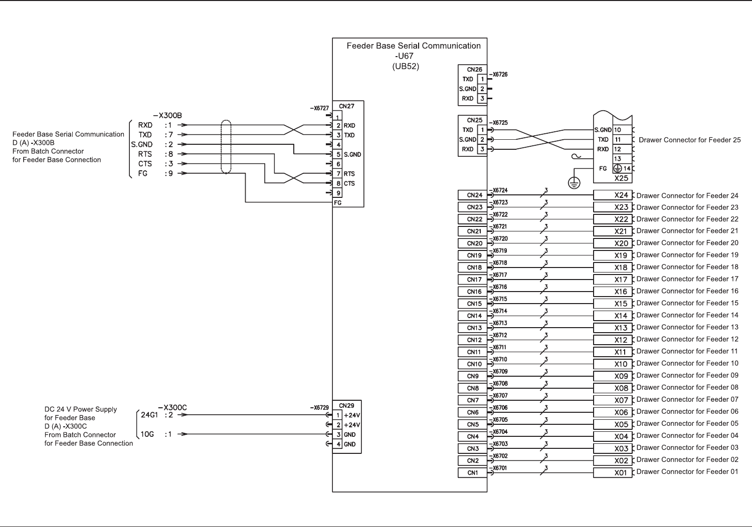
D (B) -X300B
From Batch Connector
for Feeder Base Connection
Feeder Base I/O
-U69
(UB34)
Sending Start 1
Sending Start 2
Sending Ready
Communication
Ready
Feeder Connection
Check
Drawer Connector for Feeder 25
Drawer Connector for Feeder 24
Drawer Connector for Feeder 23
Drawer Connector for Feeder 22
Drawer Connector for Feeder 21
Drawer Connector for Feeder 20
Drawer Connector for Feeder 19
Drawer Connector for Feeder 18
Drawer Connector for Feeder 17
Drawer Connector for Feeder 16
Drawer Connector for Feeder 15
Drawer Connector for Feeder 14
Drawer Connector for Feeder 13
Drawer Connector for Feeder 12
Drawer Connector for Feeder 11
Drawer Connector for Feeder 10
Drawer Connector for Feeder 09
Drawer Connector for Feeder 08
Drawer Connector for Feeder 07
Drawer Connector for Feeder 06
Drawer Connector for Feeder 05
Drawer Connector for Feeder 04
Drawer Connector for Feeder 03
Drawer Connector for Feeder 02
Drawer Connector for Feeder 01