5OM-1348-002_w - 第150页
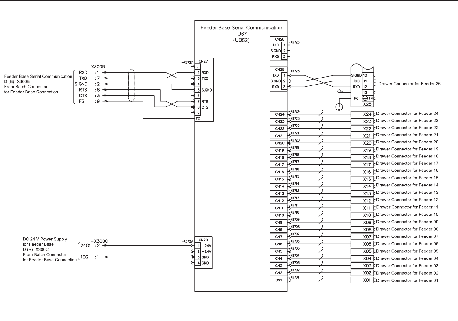
4-61 0606-001 A(M829WQ---0023) 8%, ᵔ 䗖᭮ఽᅞ㺚 % 8%, ᵔ 䗖᭮ఽᅞ㺚 % Feeder Base Offline Control D(B)-X300C From Batch Connector for Feeder Base Connection Blue Black Brown Blue Black Brown Feeder Base I/O -U69…

4-600606-001 A(M829WQ---0022)
8%, ᵔ 䗖᭮ఽᅞ㺚 %
8%, ᵔ 䗖᭮ఽᅞ㺚 %
HLS Communication
D (B) -X300B
From Batch Connector
for Feeder Base Connection
Feeder Base I/O
-U69
(UB34)
Sending Start 1
Sending Start 2
Sending Ready
Communication
Ready
Feeder Connection
Check
Drawer Connector for Feeder 25
Drawer Connector for Feeder 24
Drawer Connector for Feeder 23
Drawer Connector for Feeder 22
Drawer Connector for Feeder 21
Drawer Connector for Feeder 20
Drawer Connector for Feeder 19
Drawer Connector for Feeder 18
Drawer Connector for Feeder 17
Drawer Connector for Feeder 16
Drawer Connector for Feeder 15
Drawer Connector for Feeder 14
Drawer Connector for Feeder 13
Drawer Connector for Feeder 12
Drawer Connector for Feeder 11
Drawer Connector for Feeder 10
Drawer Connector for Feeder 09
Drawer Connector for Feeder 08
Drawer Connector for Feeder 07
Drawer Connector for Feeder 06
Drawer Connector for Feeder 05
Drawer Connector for Feeder 04
Drawer Connector for Feeder 03
Drawer Connector for Feeder 02
Drawer Connector for Feeder 01

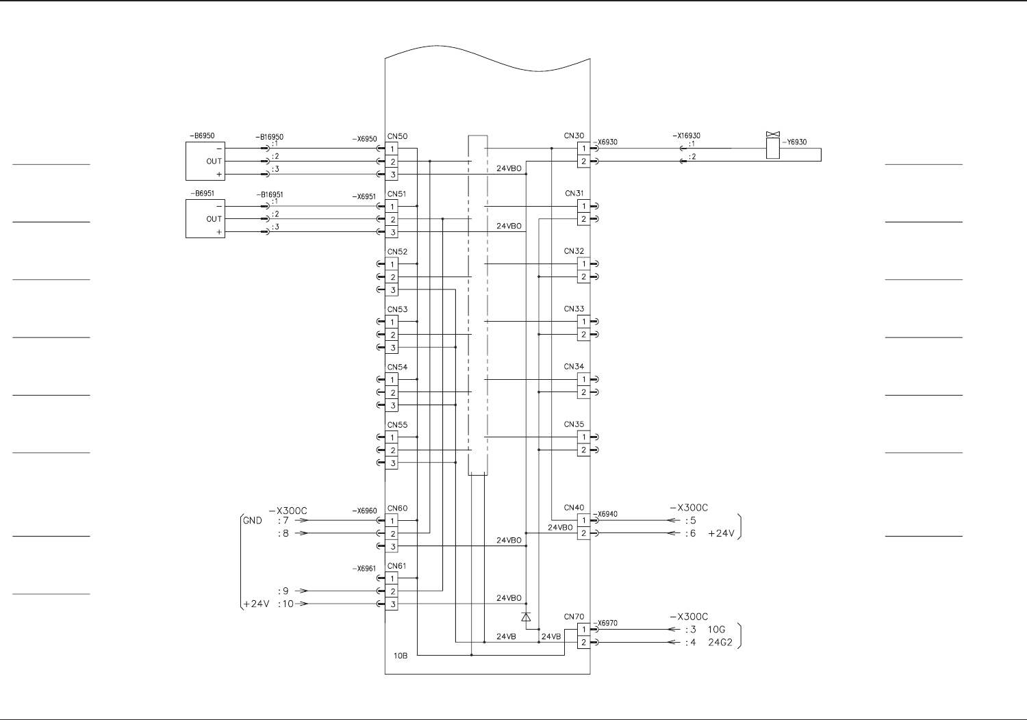
4-610606-001 A(M829WQ---0023)
8%, ᵔ 䗖᭮ఽᅞ㺚 %
8%, ᵔ 䗖᭮ఽᅞ㺚 %
Feeder Base Offline Control
D(B)-X300C
From Batch Connector
for Feeder Base Connection
Blue
Black
Brown
Blue
Black
Brown
Feeder Base I/O
-U69
(UB34)
Internal I/O Circuit
Black
Red
Feeder Clamp
(General-Purpose Output 2)
External Command
(Feeder Clamping)
for Offline Control
Feeder Base Offline Control
D (B) -X300C
From Batch Connector
for Feeder Base Connection
DC 24 V Power Supply
for Feeder Base
D (B) -X300C
From Batch Connector
for Feeder Base Connection
(General-Purpose Output 6)
(General-Purpose Output 5)
(General-Purpose Output 4)
(General-Purpose Output 3)
Feeder Clamp
Lower Limit (Clamping)
Feeder Clamp
Upper Limit (Unclamping)
(General-Purpose Input 3)
(General-Purpose Input 4)
(General-Purpose Input 5)
(General-Purpose Input 6)
Feeder Clamp
Lower Limit
Outside Notification
(Clamping)
for Offline Control
Feeder Clamp
Upper Limit
Outside Notification
(Unclamping)
for Offline Control

4-620612-002 A(M829WQ---0024)
8%ᑤ߬ৌ䗯䆄 䗖᭮ఽᅞ㺚 %
8%ᑤ߬ৌ䗯䆄 䗖᭮ఽᅞ㺚 %